Gracias "Despistado" es una master class de quitarse el sombrero , me la he desayunado ahora, tempranito viniendo para el curro que freco es como mejor entran los conxeptos...
Entendida 100% y tomo buena nota, almenos la teoría ahora a ver donde la pincho en el circuit standar de fender aunque das buenas pistas y a ver si me cabe, la veo tocha, quizás fuera del chasis, u otra en forma de trafo.
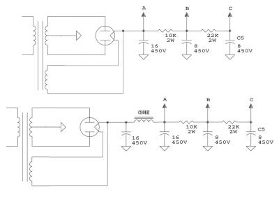
Tienen solo dos hilos? O cables o es la conex tipo trafo con 2 entradas y 2 salidas, supongo que solo filtra el +b y seran dos en el positivo pero a saber.
Ostras un inductímetro digital, es solo lo que me falta en aparataje de taller, mola, abrá algún apaño en soft quizas para tablet por ahi a nivel inductimetro supongo. O quizas algun añadido para el osciloscopio.
Yo siempre he tenido una guerra contra los calentamientos de los trafos, tanto como contra el hum, si además con esto del choque o reactancia el trafo va mas olgado y fresco mejor. Parece ser que no queda claro o yo no encuentro sobre el tema "temperatura sin riesgo" de los trafos de red, cada circuit será un mundo aunque
Algunos choques tengo por ahí y algunas reactancias de ese tipo o similar y si no se buscan, todo lo que expones tengo que hacerselo ya.
Saludos
Entendida 100% y tomo buena nota, almenos la teoría ahora a ver donde la pincho en el circuit standar de fender aunque das buenas pistas y a ver si me cabe, la veo tocha, quizás fuera del chasis, u otra en forma de trafo.
Tienen solo dos hilos? O cables o es la conex tipo trafo con 2 entradas y 2 salidas, supongo que solo filtra el +b y seran dos en el positivo pero a saber.
Ostras un inductímetro digital, es solo lo que me falta en aparataje de taller, mola, abrá algún apaño en soft quizas para tablet por ahi a nivel inductimetro supongo. O quizas algun añadido para el osciloscopio.
Yo siempre he tenido una guerra contra los calentamientos de los trafos, tanto como contra el hum, si además con esto del choque o reactancia el trafo va mas olgado y fresco mejor. Parece ser que no queda claro o yo no encuentro sobre el tema "temperatura sin riesgo" de los trafos de red, cada circuit será un mundo aunque
Algunos choques tengo por ahí y algunas reactancias de ese tipo o similar y si no se buscan, todo lo que expones tengo que hacerselo ya.
Saludos
1
Responder
Citar

, vamos que suena de pm el bicho.
