Timmy DIY

rockero02
por el 04/08/2022
Aquí las últimas fotos con el Timmy terminado :)

¿Consideran que venderlo entre 50 y 60 dólares es un precio justo?
Archivos adjuntos ( para descargar)
20220804_124246.jpg
20220804_124253.jpg
20220804_124255.jpg
OFERTAS EN TIENDAS Ver todas
  • -11%
    Ibanez RGR6BSP-IPT
    1.333 €
    Ver oferta
  • -59%
    Hughes & Kettner Spirit AmpMan Classic
    145 €
    Ver oferta
  • -47%
    Hughes&Kettner Spirit of Vintage
    47 €
    Ver oferta
SEGUNDA MANO EN MERCASONIC Ver todo
  • O cambio ESP LTD Phoenix-1000 deluxe
    950 €
    Ver
  • Placa Mástil Jazz Bass
    15 €
    Ver
  • PolyTune 2 Mini TC Electronic
    60 €
    Ver
¿Tienes equipo que ya no usas? Véndelo en Mercasonic
rockero02
por el 04/08/2022
Fotos
Archivos adjuntos ( para descargar)
20220804_124304.jpg
20220804_124309.jpg
rockero02
por el 05/08/2022
Antes de finalizar el hilo (al menos por mi parte)
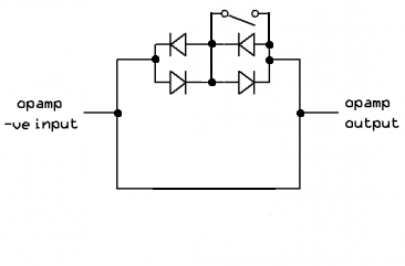
Quiero explicar algo que dije que explicaría y no lo hice, y es el tema de los diodos/clipping

Primero, el V1 utiliza 6 Diodos 1N4148, y un DIP Switch de 2 polos, estos se utilizan mucho para ejemplos y prácticas de sistemas digitales, ya saben, 1 y 0, 1 - On, 0 - Off

Adjunto una foto que tomé de un foro, donde se explica de manera sencilla las distintas maneras de variar el clipping, pero están incompletas y un poco equivocadas.

Bien, explico lo de una tabla de verdad, en sistemas digitales una tabla de verdad, es la manera en que organizamos los 1 y 0 y sus combinaciones, para este caso:

0 0 = 0
0 1 = 1
1 0 = 1
1 1 = 0

0 sería clipping simétrico y 1 sería clipping asimétrico, depende en base a que buscamos o denominamos, por ejemplo si definimos nuestra variable como "modo normal" y "modificado", nuestros resultados serían 0 1 1 1

Bueno, mucho blabla, solo era para familiarizar un poco

0 0: Clipping simétrico, es el modo normal, con los dos switches off, el modo favorito de muchos, el pedal es rico y abierto.
0 1: Clipping Asimétrico
1 0: Clipping Asimétrico
1 1: Clippin simétrico, modo comprimido, con los dos switches on, el pedal ya no es tan abierto, pierde un poco la "magia", pero para algunas aplicaciones vale.

Ahora ¿por qué dos modos asimétricos? ¿no es redundante? sí y no.
Verán, Paul pensó en los dos modos de clipping asimétrico para "stakear" pedales.

Si no queda claro que es esto del clipping, veamos la señal de nuestra guitarra como una señal senoidal (de hecho ya puse varios ejemplos en el osciloscopio), el clipping es recortar esa señal, es decir intentar achicar los picos de la señal, y eso se hace mediante los diodos por su propiedad semiconductora, cuando la señal está en la parte positiva, pasa por dos diodos y se ve recortada por los otros dos diodos, cuando la señal está en la parte inversa pasa por los otros dos diodos y es recortada por los diodos, algo así funciona, ahora si agregamos diodos nos queda algo así como 3 diodos en serie en paralelo con 2 diodos en serie, es decir la señal se verá más recortada en una fase.

Ahora, los dos modos de clipping asimétrico, uno recorta más la fase positva, mientras que el otro recorta más la fase negativa, Paul lo que buscaba es combinar pedales que tuvieran clipping asimétrico, como el BOSS SD-1, que a decir verdad no recuerdo que fase recorta más, pero supongamos que recorta más la fase positiva, el Timmy le vendrá de lujo con el modo asimétrico que recorta más la fase negativa, esa era la idea de Paul.

Sin embargo, si no suelen stakear pedales, es ahí cuando tener dos modos de clipping asimétrico se vuelve redundante.

Dejo también una foto, donde corregí el correcto cableado, debe llevar ese puente, muchos afirman que no hace la diferencia, pero Paul dice que hace una diferencia audible, así que por si sí o por si no, yo lo pongo.
Archivos adjuntos ( para descargar)
Timmy Clipping.png
CV1.png
1 respuesta directa
rockero02
por el 05/08/2022
También mencioné anteriormente, que había un cableado no oficial con 7 diodos 1N4148, lo que digo es, que Paul nunca hizo un Timmy con 7 diodos, solo con 6 para el caso del V1 y 5 para el caso del V2 y V3.

Este modo no oficial, sería un equivalente del V1, pero de manera externa, lo cual considero que es más práctico, se sustituye el DIP switch por un switch DPDT, en configuración on - off - on.

Considero muy importante que sea on - off - on, de otro manera perderíamos el modo off, que es el más chulo, o simplemente nos limitaríamos a tener dos modos de clipping.

El el switch DPDT, en el centro sería el modo off, y arriba y abajo sería otro modo de clipping, el cableado corregido se los adjunto, a lo igual que otra foto donse es más amigable el esquema.

Donde están los dos diodos equivale al 1 1 del switch, o el modo comprimido

Y el modo simétrico depende como conectemos el diodo, pero si no vamos stakear, es difícil saber la polaridad con la que conectamos.

Si solo podemos encontrar switch DPDT on/off, debemos priorizar que modos queremos, les recomiendo que dejen un modo off, esto se puede logar en lugar de poner un diodo se coloque un jumper, y del otro lado del switch, si queremos el modo comp, agreguemos una pareja de diodos o si queremos modo asimétrico agreguemos un único diodo.
Archivos adjuntos ( para descargar)
CV1V2NO.png
CNO.png
rockero02
por el 05/08/2022
Y aquí está el correcto cableado para un Timmy V2, solo se necesitan de 5 diodos.

Se hace con un switch SPDT, nuevemente on - off - on.

Lo que digo a continuación lo digo desde la intuición, así que tómenlo con cautela.

Ahora la cosa cambia...

El modo off sería el Timmy como lo conocemos sus 2 + 2 diodos (como el BB Preamp V1.5), pero en este modo también será el modo comprimido, cuando activamos otro modo, se hace un corto, que nos desactivan dos diodos, y nos queda 1 + 1, como un Tube Screamer, por ejemplo o como un BB Preamp V1, y el último modo activa de nuevo los dos diodos y el 5to diodo para lograr un clipping asimétrico.

La cosa queda algo así como:
Modo normal
Modo Low comp
Modo asimétrico

Bueno, con esto me despido y concluyo el hilo, espero haya sido de su agrado :)
Si alguien se anima a hacer algo parecido y se les atora en algo, no duden en preguntarme, o si quieren que haga algún proyecto y lo date como este, también decirme
Les agradezco su tiempo y por leerme :)
Archivos adjuntos ( para descargar)
CV2O.png
rockero02
por el 01/10/2022
Muy buenas a todos :D

Ya había dado por terminado este hilo, pero igual me gustaría seguir comentando otras cosas interesantes...

Por ejemplo, expliqué el clipping de todas las versiones, a excepción del V3, porque en aquel entonces no me terminaba de quedar claro, pero creo que ya lo he entendido. Primero dejo la foto de un esquema propuesto por el sitio PedalPCB.com, en el sitio podrán encontrar una PCB para construir lo que sería un Timmy V3. Y extraje la sección de clipping que dejo adjunta.

Pero como vengo comentando desde un rato, Paul pone un puente entre los diodos, que teóricamente no sé lo que hace, pero Paul argumenta que acústicamente hace la diferencia.
Basta con poner un DIP switch de 1 polo que vaya desde el puente que comenté hasta la salida del primer amplificador operacional.

También comento ¿cómo fue que llegué a esa conclusión? pues muy fácil, con ayuda de Ricardo (mil gracias, Ricardo) pude replicar el esquema del Tim V1, y curiosamente este tiene la misma configuración del V3, salvo que en lugar del DIP switch, el Tim lleva un potenciómetro push pull, que tal parece ser no fue del agrado de todos, por lo que Paul actualizó la versión 1 y en lugar de poner el push pull, puso un potenciómetro normal y añadió dos palancas. Esto convertiría la sección de clipping del Tim V1 en la misma que el Timmy V1, salvo que el Tim cambiaría los modos de manera externa, mientras que el Timmy lo haría de manera interna mediante el uso del DIP switch.

El Tim V2 y el Timmy V2 comparten exactamente la misma sección de clipping (ver el post #113 ).

Como dije, el Tim V1 y el Timmy V3 comparten la misma sección de clipping (versión de push pull)

Y el Tim V1 comparte la misma sección de clipping con el Timmy V1 (versión de palancas). Ver el post #111

Para el Tim V3 desconozco por completo que particularidades tenga, ya que tiene poco de salir al mercado de manera oficial.
Archivos adjuntos ( para descargar)
T7.png
T6.png
ijms
por el 01/10/2022
Buen post, compañero.
rockero02
por el 01/10/2022
Otra cosa interesante que pude encontrar...

La marca que usó Paul para todos los capacitores (incluyendo electrolíticos) es Xicon. Esta marca hace resistencias y capacitores de gran calidad. De este lado del mundo no pude encontrar un proveedor con precios razonables. Pero para fortuna del continente europeo, tienen a retroamplis, que tienen un gran stock de estos capacitores.

Pude conseguir 2 capacitores Xicon de 47 uF a 25V que son los capacitores electrolíticos que empleó Paul para el Timmy V1. Y es muy curiosa la manera en que los conseguí, se podría decir que cayeron del cielo jaja.
Durante una clase en la universidad, un profesor nos enseñó distintos componentes electrónicos, y me pude percatar que tenía capacitores Xicon, así que le terminé dando unas resistencias (resistencias de precisión de película metálica al 1%) por los capacitores. Por desgracia solo tenía estos dos de 47 uF a 25V que son los que requiere el proyecto. Alcanzan para hacer un Timmy, pero creo que los guardaré para un ocasión especial.

Otra tienda que los llegó a manejar es Mouser, pero creo que estos capacitores ya rayan en lo "vintage" por lo que no son fáciles de encontrar, al menos no para mí.
Creo que si comprara en retroamplis, con el envío no saldría a cuenta.
De hecho, creo que Paul se surtía de componentes en Mouser, porque dentro de los componentes que nos mostró mi profesor, había un potenciómetro Mouser-Alpha y sin estrías, como es el caso del Tim/Timmy.

Para concluir, estos capacitores indican una tolerancia de +/- 20%. Pero en realidad son mucho más precisos, los medí con el multímetro y creo recordar que uno marcó 46.5 uF y el otro 48 uF, muy cercanos al valor.

Los que yo utilicé, los electrolíticos negros y genéricos, recuerdo que andaban en los 50 uF, traté de apagarme lo más que pude al valor solicitado. Y de los más malos llegaron a los 54 uF.
Archivos adjuntos ( para descargar)
T3.png
T4.png
rockero02
por el 01/10/2022
Pues nada, haré otros Timmys, con más cariño del que le puso a los pasados. De hecho, creo que las placas se ven mucho más presentables/estéticas, o no sé, tal vez solo manía mía jaja.

Aquí están incompletas, en cuanto pueda me haré con un buen lote de capacitores de poliprolieno, de esos de encapsulado amarillo como los que usó Paul, por desgracia no serán de la marca Xicon, serán genéricos.
Archivos adjuntos ( para descargar)
T1.png
T2.png
rockero02
por el 01/10/2022
Por último y como agradecimiento, les dejo un seudo-esquemático.

Sé que muchos no entendemos esquemas al 100 por 100.

Así que intenté llevar ese orden a algo más fácil de entender, si se hacen con las placas que mencioné al inicio, que las pueden comprar por amazon o ali express, será mucho más sencillo.

Igual añadí código de colores para que fuera más sencillo.

Azul - Puentes, o lo que involucre la señal
Verde - Tierra
Naranja - 9 V DC
Amarillo - Tierra virtual (5 V DC)

Gracias a todos por leer!

P.D. Hice el mismo seudo-esquemático para el Tim, pero creo que lo haré de nuevo para que quede un poco más estético/limpio. También quiero decir que estuve trabajando en una PCB, pero no sé... recuerdo que Paul se molestó mucho cuando hace años DIYers hicieron lo mismo...
Archivos adjuntos ( para descargar)
T5.png
1 respuesta directa
Willy
por el 15/10/2022
#12 amigo buenas , me encanta tu proyecto , soy nuevo en esto y quisiera saber si tuviera una foto de como va por abajo soldado todos los componentes por favor . Gracias .
rockero02
por el 16/10/2022
#119

Hola, claro que sí, he puesto la foto en el post #65 :)

De igual forma, el post #118 pretendo que sea una especie de guía por lo mismo, los puentes y demás que sean necesarios hacer.
1 respuesta directa
Nuevo post

Regístrate o para poder postear en este hilo