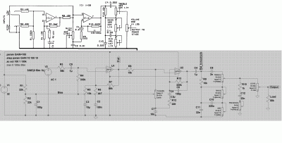
Mira el esquema del Lead 12 con masa virtual y fuente simple de 32V
R1 y R2 forman el divisor de tensión para la masa virtual, que va a las entradas de los operacionales a través de R4 el primer opamp y el pote de ganancia en el segundo. Como no hay condensadores en el camino ni pasa corriente en reposo, los 16V (la mitad de 32V de alimentación) de la masa virtual llegan a las entradas de los opamp.
R1 y R2 forman el divisor de tensión para la masa virtual, que va a las entradas de los operacionales a través de R4 el primer opamp y el pote de ganancia en el segundo. Como no hay condensadores en el camino ni pasa corriente en reposo, los 16V (la mitad de 32V de alimentación) de la masa virtual llegan a las entradas de los opamp.
Responder
Citar

ya me he vuelto a liar, ¿no era para el pin 4 -15v de la tension elevada o es que se juntan los dos aqui?