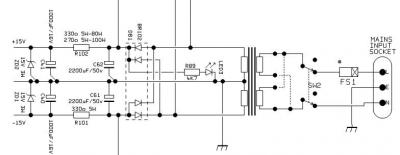
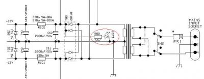
dazz escribió:se refiere a 15v entre positivo y negativo y 7.5v entre uno de ellos y masa?Tengo que discrepar, Toni. Entre -15V y +15V hay 30V
El valvestate 8080 es asi tambien y no tenia 30v, los condensadores de lafuente eran de 16v creo.
Responder
Citar

