Hola
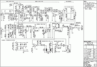
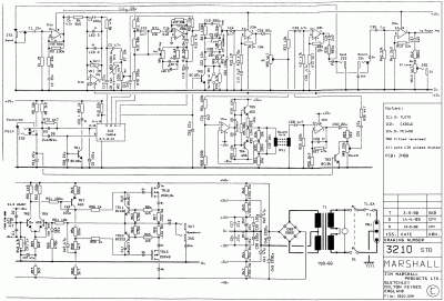
Hace algún tiempo, tuve un amplificador combo a transistores Marshall Lead Mosfet de 150w.
Aunque el limpio (muy decente) era similar al de otros muchos amplificadores a transistores, el canal de overdrive es uno de los mejores que he tenido la oportunidad de probar, incluso superior a algunos amplificadores a válvulas.
No soy yo el único enamorado de este amplificador, hay algunos foreros que también comparten esa opinion.
Asi que me gustaría abrir un proyecto para todos los foreros que quisieran encargar un pedal con el overdrive de este amplificador.
Lo primero sería encontrar a alguien interesado en llevarlo a cabo, al cual se le pagaría entre todos los interesados, los materiales para su pedal, en el caso de que quisiese uno y, luego aparte el coste de materiales y mano de obra de las unidades restantes.
Lo ideal sería que se montaran varios pedales para que saliera mejor de precio para todos.
Si conocéis a alguien que pueda llevar a cabo este proyecto, comentadselo y hacemos una lista, la cerramos y procedemos a hacer los pagos por adelantado de los materiales.
Aqui una demo de este amplificador :
https://www.dropbox.com/s/ewkhyv2tw6ydil1/marcos%20esca%C3%B1o%20-%20instrumento%20de%20cuerda.mp3?dl=0
Un saludo
Hace algún tiempo, tuve un amplificador combo a transistores Marshall Lead Mosfet de 150w.
Aunque el limpio (muy decente) era similar al de otros muchos amplificadores a transistores, el canal de overdrive es uno de los mejores que he tenido la oportunidad de probar, incluso superior a algunos amplificadores a válvulas.
No soy yo el único enamorado de este amplificador, hay algunos foreros que también comparten esa opinion.
Asi que me gustaría abrir un proyecto para todos los foreros que quisieran encargar un pedal con el overdrive de este amplificador.
Lo primero sería encontrar a alguien interesado en llevarlo a cabo, al cual se le pagaría entre todos los interesados, los materiales para su pedal, en el caso de que quisiese uno y, luego aparte el coste de materiales y mano de obra de las unidades restantes.
Lo ideal sería que se montaran varios pedales para que saliera mejor de precio para todos.
Si conocéis a alguien que pueda llevar a cabo este proyecto, comentadselo y hacemos una lista, la cerramos y procedemos a hacer los pagos por adelantado de los materiales.
Aqui una demo de este amplificador :
https://www.dropbox.com/s/ewkhyv2tw6ydil1/marcos%20esca%C3%B1o%20-%20instrumento%20de%20cuerda.mp3?dl=0
Un saludo
Responder
Citar

yo creo que o el master o el vol uno de los dos sobra como bien dices, luego lo de la realimentacion ni idea jaja