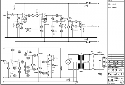
Aqui os dejo los planos para los que os querais hacer este montaje:
Estuvimos hablando muchas paginas con el compañero Dazz sobre esto y el hizo una placa para hacer el montaje, no puedo postearla por que aquella placa llevaba unos elevadores de voltaje que al final por diversos motivos no hemos llegado a utilizar, la cosa es que la forma mas sencilla y efectiva que el compañero ha descubierto y ha probado para hacer una fuente simetrica economica sin duda es esta que pongo en la foto, os dejo un enlace para quien quiera hacerse el pedal:
https://www.ebay.es/itm/5PCS-MT3608-DC-DC-2A-Step-up-boost-Power-supply-Adjustable-Converter-Module-XUE/183621331016?ssPageName=STRK%3AMEBIDX%3AIT&_trksid=p2060353.m2749.l2649
Tambien las teneis para alimentarlas directamente por micro USB con un cargador de un movil:
https://www.ebay.es/itm/5pcs-DC-DC-2A-Adjustable-Boost-Power-Supply-Converter-Step-Up-Module-2-24V-Input/201881836994?ssPageName=STRK%3AMEBIDX%3AIT&_trksid=p2060353.m2749.l2649
Bastaria con colocar a cada un cargador de movil o tablet micro usb para alimentar las dos placas, ajustar el trimmers a 15v cada uno y medir entre el positivo y el negativo para tener 30v + y - y entre la toma central y un lateral 15v.
Esta es una forma simple de hacer una fuente simetrica y alimentar un previo en formato pedal que funciona con el voltaje tipico de los amplificadores.
Yo en mi caso no fue este diseño el que hice, yo hice el de la placa que me envio el compañero Dazz, me funciono bastante bien y es el que puse en el video que he compartido, el montaje es muy simple, lleva pocos componentes y ademas el sonidazo esta asegurado.
Tambien aprovecho para compartir del compañero Luisito del foro del cuartito de diyer unos proyectos relacionados con el lead12 mosfet.
El montaje en veroboard se puede hacer tranquilamente sin ningun problema, es como digo el montaje mas sencillo que he hecho en mi vida y que da los resultados mas sorprendentes, es exactamente el lead12 mosfet 3005 desde el input hasta donde empieza la etapa de potencia, lo que seria el preamplificador que es el que da ese sonido tan glorioso que marshall por algun motivo no ha querido volver a repetir con sus sucesores amplis de guitarra.
A pesar como digo que el veroboard esta chupao, estaria genial currarse la placa para atacar con acido directamente y con sacar los 3 cables de la alimentacion y llevarlos a la pcb te queda un montaje bastante chulo.
En un futuro espero poder editar esta cabecera y actualizarla con cosas nuevas conforme esto se vaya mejorando.
Estuvimos hablando muchas paginas con el compañero Dazz sobre esto y el hizo una placa para hacer el montaje, no puedo postearla por que aquella placa llevaba unos elevadores de voltaje que al final por diversos motivos no hemos llegado a utilizar, la cosa es que la forma mas sencilla y efectiva que el compañero ha descubierto y ha probado para hacer una fuente simetrica economica sin duda es esta que pongo en la foto, os dejo un enlace para quien quiera hacerse el pedal:
https://www.ebay.es/itm/5PCS-MT3608-DC-DC-2A-Step-up-boost-Power-supply-Adjustable-Converter-Module-XUE/183621331016?ssPageName=STRK%3AMEBIDX%3AIT&_trksid=p2060353.m2749.l2649
Tambien las teneis para alimentarlas directamente por micro USB con un cargador de un movil:
https://www.ebay.es/itm/5pcs-DC-DC-2A-Adjustable-Boost-Power-Supply-Converter-Step-Up-Module-2-24V-Input/201881836994?ssPageName=STRK%3AMEBIDX%3AIT&_trksid=p2060353.m2749.l2649
Bastaria con colocar a cada un cargador de movil o tablet micro usb para alimentar las dos placas, ajustar el trimmers a 15v cada uno y medir entre el positivo y el negativo para tener 30v + y - y entre la toma central y un lateral 15v.
Esta es una forma simple de hacer una fuente simetrica y alimentar un previo en formato pedal que funciona con el voltaje tipico de los amplificadores.
Yo en mi caso no fue este diseño el que hice, yo hice el de la placa que me envio el compañero Dazz, me funciono bastante bien y es el que puse en el video que he compartido, el montaje es muy simple, lleva pocos componentes y ademas el sonidazo esta asegurado.
Tambien aprovecho para compartir del compañero Luisito del foro del cuartito de diyer unos proyectos relacionados con el lead12 mosfet.
El montaje en veroboard se puede hacer tranquilamente sin ningun problema, es como digo el montaje mas sencillo que he hecho en mi vida y que da los resultados mas sorprendentes, es exactamente el lead12 mosfet 3005 desde el input hasta donde empieza la etapa de potencia, lo que seria el preamplificador que es el que da ese sonido tan glorioso que marshall por algun motivo no ha querido volver a repetir con sus sucesores amplis de guitarra.
A pesar como digo que el veroboard esta chupao, estaria genial currarse la placa para atacar con acido directamente y con sacar los 3 cables de la alimentacion y llevarlos a la pcb te queda un montaje bastante chulo.
En un futuro espero poder editar esta cabecera y actualizarla con cosas nuevas conforme esto se vaya mejorando.
2
Responder
Citar
