Montaje marshall lead mosfet 12 - 3005 en formato pedal

Tonyguitar
por el 24/07/2019
Que bueno tío, esos dos transistores mosfet grandes ahí con su disipador de calor.


Cuéntame cuando pruebes, es sacar ese condensador que te digo y probar.

Segun como suene, Le pones uno de 680pf o 1nf.

Pero primero prueba sin ninguno.
OFERTAS EN TIENDAS Ver todas
  • -11%
    Harley Benton Agufish STD Signature BK
    399 €
    Ver oferta
  • -16%
    NUX NGS-6 Amp Academy
    159 €
    Ver oferta
  • -59%
    Hughes & Kettner Spirit AmpMan Classic
    145 €
    Ver oferta
SEGUNDA MANO EN MERCASONIC Ver todo
  • Guitarra Ibanez GRG131DX-BKF + ampli Line 6 Spider V 20 MkII + accesorios
    340 €
    Ver
  • Martin Guitars D-10E Dreadnought
    1.000 €
    Ver
  • PRS S2 USA Standar 24 Frets
    1.125 €
    Ver
¿Tienes equipo que ya no usas? Véndelo en Mercasonic
Paint
por el 25/07/2019
#13 lo hice Tony y menudo cambio, gracias por la ayuda! El ampli ha ganado en definición armónicos, dinámica! Brutales estos amplis la verdad! Por lo que tengo k buscarselos a todos los demás MOSFET que tengo jaja

Y luego realmente es cuestión de gustos, porque el tono y grano de este ampli, es el mismo que el equivalente valvular que es el 800 2203. El valvular suena más redondo cálido y comprimido y el MOSFET más abierto y suelta más armónicos. De todas formas yo lo uso con un buen compresor delante, el keeley C4 y le da ese toque cálido y redondo que le falta para ser igual que el valvular, pero de nuevo como digo, cuestión de gustos y según el.estilo k se vaya a tocar xk el tono es exactamente el mismo.
Tonyguitar
por el 25/07/2019
Me alegro mucho.

Si quieres hacerlo entre medias de lo de antes y lo de ahora Le puedes poner uno de 1nf o 680pf.

Aunque yo lo dejaría así.


Puedes subir a este hilo los esquemas de los otros mosfet que tienes y te digo donde está el condensador.
Paint
por el 25/07/2019
#15 muchas gracias Tony!! Luego paso los esquemas a ver qué se puede hacer ;) aunque hay algunos que no los encuentro por ninguna parte como el del 5100. No sé si con fotos de la placa se podría saber eso 🤔 xk si es así lo desmonto y hago foto.
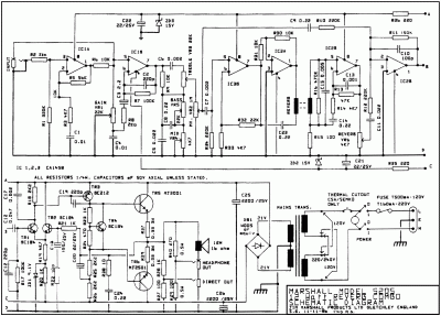
Paint
por el 25/07/2019
De momento dejo este por aquí ;) a ver si es posible también hacerle esa mod
Archivos adjuntos ( para descargar)
5205.gif
Tonyguitar
por el 25/07/2019
Ya lo iremos mirando, este parece más complicado, luego cuando tenga un rato lo miro
Paint
por el 25/07/2019
#18 realmente el circuito visto a simple vista era igual k este otro prácticamente solo k con la reverb añadida 🤔 pero es cierto que el esquema es mucho más engorroso
Gus
por el 25/07/2019
Hola, Dani y compañia.
Esto también se puede aplicar en los bass 12/20?
Paint
por el 25/07/2019
#20 buenas gus!!! Espero que sí jaja luego subiré el esquema de los otros amplis a ver si saben localizar esos condensadores ;)
Paint
por el 26/07/2019
He encontrado esquemas pero no de todos, a la noche los subo. De todas formas, este esquema del reverb 12 es muy difícil para encontrar ese condensador?? Es que he visto que es bastante diferente el esquema pero las placas de los amplis son casi idénticas 🤔🤔🤔 a simple vista parece lo mismo
Tonyguitar
por el 26/07/2019
a ver si mañana por la tarde tengo un rato y lo miramos, que llevo 2 dias mas liao que un deo malo.
Arias Electronix
por el 28/07/2019
Yo tengo el lead MOSFET 100 en formato cabezal, que condensador habría que quitar?
1 respuesta directa
Nuevo post

Regístrate o para poder postear en este hilo