Dejo el esquema aquí
Montaje marshall lead mosfet 12 - 3005 en formato pedal
OFERTAS Ver todas
-
-15%Hughes&Kettner TubeMeister Deluxe 40
-
-11%Ibanez AE340FMH-MHS
-
-27%Blackstar HT-5RH MKIII
#24 yo no sé si se podrá, ojala se pueda y nos ayuden estos genios de la electrónica 🤟 ese ampli le tengo yo también, y como todos los MOSFET tienen ese problema. Pero en este caso, suelo usar el 3210 con g12-65 y no con su pantalla original y el sonido es brutal! No necesita modificación a mi gusto con ese altavoz.
En mi opinión el mejor altavoz para un jcm800 es el g12-65. Aunque todo son gustos ya se sabe
En mi opinión el mejor altavoz para un jcm800 es el g12-65. Aunque todo son gustos ya se sabe
#28 creo que hace tiempo leí que retirar ese condensador C1 es una modificación que añade más cuerpo al sonido, más graves. Y lo de cambiar los otros condensadores es para mejorar el ruido del ampli.
Esa mod del C1 se le hace creo recordar también a los 2210 que es el ampli en el que se basa el 3210. De todas formas de serie, de lo que peca el ampli es de sonido embarrado por lo que no te lo aconsejo.
Pero si consiguen saber cuál es el condensador o condensadores para eliminar el sonido embarrado al igual que en el máster 30, quizás sea una buena idea retirar ese C1 y darle más cuerpo, aunque esto es como todo a gustos por supuesto...
Esa mod del C1 se le hace creo recordar también a los 2210 que es el ampli en el que se basa el 3210. De todas formas de serie, de lo que peca el ampli es de sonido embarrado por lo que no te lo aconsejo.
Pero si consiguen saber cuál es el condensador o condensadores para eliminar el sonido embarrado al igual que en el máster 30, quizás sea una buena idea retirar ese C1 y darle más cuerpo, aunque esto es como todo a gustos por supuesto...
#29 Bueno, es solo buscar el componente en el esquema.
En el 5205, yo probaría con C20 o C24. https://www.guitarristas.info/index.php?controller=forum&action=view_attachment&attachment_id=127206
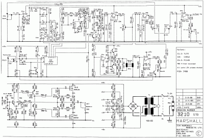
En el 3210, C37 o C45. https://www.guitarristas.info/index.php?controller=forum&action=view_attachment&attachment_id=127323
Yo es lo que veo más parecido a lo que dice Tony, a ver qué opina él
En el 5205, yo probaría con C20 o C24. https://www.guitarristas.info/index.php?controller=forum&action=view_attachment&attachment_id=127206
En el 3210, C37 o C45. https://www.guitarristas.info/index.php?controller=forum&action=view_attachment&attachment_id=127323
Yo es lo que veo más parecido a lo que dice Tony, a ver qué opina él
gracias dazz, yo estas cosas aprendi a identificarlas en los pedales de efecto, sobre todo en los pedales marshall, tienen la puñetera mania de meter esto.
Hay pedales como el DR booguie que lo llevan controlado mediante un potenciometro, asi si que mola, por que es el potenciometro llamado presencia, que nada tiene que ver con el control presence de los jcm800, que funciona de forma totalmente distinta, es una realimentacion que se coje de la salida del altavoz y se vuelve a inyectar en la entrada de reja de uno de los triodos del phase inverter como dicen los spanglish, valvula inversora en spanish.
Pues como te decia, suele ser un condensador que deriva la señal de audio a masa, el valor de este va de entre 2n2 a unos 33nF mas o menos, y hay que buscarlo justo despues del control del master y las entradas de los transistores de potencia, en ese tramo es donde hay que buscar un condensador, con o sin una resistencia en serie que tira señal de agudos a masa, o parte de la señal, que tambien se les llama filtro pasa bajo creo.
Yo los he buscado asi un poco rapido en estos dos esquemas que pusisteis y no los he visto, pero tienen que estar ahi, a ver si luego tengo un rato y los miro, que llevo una semana de curro hasta arriba, lo mismo tengo temporadas que tengo mucho tiempo libre que otras voy a tope jejejeje.
Hay pedales como el DR booguie que lo llevan controlado mediante un potenciometro, asi si que mola, por que es el potenciometro llamado presencia, que nada tiene que ver con el control presence de los jcm800, que funciona de forma totalmente distinta, es una realimentacion que se coje de la salida del altavoz y se vuelve a inyectar en la entrada de reja de uno de los triodos del phase inverter como dicen los spanglish, valvula inversora en spanish.
Pues como te decia, suele ser un condensador que deriva la señal de audio a masa, el valor de este va de entre 2n2 a unos 33nF mas o menos, y hay que buscarlo justo despues del control del master y las entradas de los transistores de potencia, en ese tramo es donde hay que buscar un condensador, con o sin una resistencia en serie que tira señal de agudos a masa, o parte de la señal, que tambien se les llama filtro pasa bajo creo.
Yo los he buscado asi un poco rapido en estos dos esquemas que pusisteis y no los he visto, pero tienen que estar ahi, a ver si luego tengo un rato y los miro, que llevo una semana de curro hasta arriba, lo mismo tengo temporadas que tengo mucho tiempo libre que otras voy a tope jejejeje.
Nuevo post
Regístrate o identifícate para poder postear en este hilo
