Buenas!
Soy propietario de varios amplis mosfet: Lead 12, Lead 100, Mosfet 100 reverb
Y después de compararlos con otros amplificadores me parecen unos amplis increíbles y me he dado cuenta que tienen cosas que se pueden mejorar de forma muy simple, pero yo de electrónica soy un patán.
Me he dado cuenta que una de las mejoras que se le podría hacer es exactamente la misma que otros compañeros del foro subieron sobre el pedal Marshall Shredmaster.
En ese pedal, sudece lo mismo que en todos los amplificadores mosfet que he probado, suenan como embarrados con poca presencia y medios ya que parecen llevar una simulación de pantalla.
La solución fue modificar los valores de dos condensadores y el sonido mejoraba increíblemente.
Mi intención es que alguien me explique cómo puedo buscar cuáles son esos condensadores en estos amplis para así lograr esa mejora en todos los mosfet posibles.
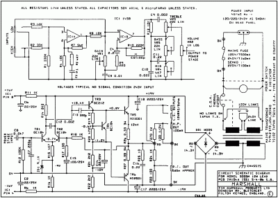
Dejo a continuación por ejemplo la foto de los componentes de un Marshall Lead 12 por si alguien a simple vista es capaz de averiguarlo y su esquema. Me interesaría hacerlo de todos los modelos (seguro es muy similar o igual), para que todos aquellos que tengan uno de estos amplis pueda mejorarlo
Toda ayuda es bien recibida
Soy propietario de varios amplis mosfet: Lead 12, Lead 100, Mosfet 100 reverb
Y después de compararlos con otros amplificadores me parecen unos amplis increíbles y me he dado cuenta que tienen cosas que se pueden mejorar de forma muy simple, pero yo de electrónica soy un patán.
Me he dado cuenta que una de las mejoras que se le podría hacer es exactamente la misma que otros compañeros del foro subieron sobre el pedal Marshall Shredmaster.
En ese pedal, sudece lo mismo que en todos los amplificadores mosfet que he probado, suenan como embarrados con poca presencia y medios ya que parecen llevar una simulación de pantalla.
La solución fue modificar los valores de dos condensadores y el sonido mejoraba increíblemente.
Mi intención es que alguien me explique cómo puedo buscar cuáles son esos condensadores en estos amplis para así lograr esa mejora en todos los mosfet posibles.
Dejo a continuación por ejemplo la foto de los componentes de un Marshall Lead 12 por si alguien a simple vista es capaz de averiguarlo y su esquema. Me interesaría hacerlo de todos los modelos (seguro es muy similar o igual), para que todos aquellos que tengan uno de estos amplis pueda mejorarlo
Toda ayuda es bien recibida
Responder
Citar
