Modificación Marshall Mosfet

Paint
por el 24/06/2018
puff se escucha fatal, no tienen nada que ver los audios, pero aseguro que en persona contra los valvulares es imposible de diferenciarlo a oido con la misma pantalla

Si puedo en estos dias microfoneo el ampli
OFERTAS EN TIENDAS Ver todas
  • -45%
    Hughes & Kettner Spirit of Rock
    48 €
    Ver oferta
  • -59%
    Hughes & Kettner Spirit AmpMan Classic
    145 €
    Ver oferta
  • -47%
    Hughes&Kettner Spirit of Vintage
    47 €
    Ver oferta
SEGUNDA MANO EN MERCASONIC Ver todo
  • Cuerpo y pastillas
    200 €
    Ver
  • Pedal Overdrive Karlaukas Handmade (TS clon, envío incluido)
    40 €
    Ver
  • EHX Deluxe Memory Man Reissue EC-2002 (2002–2007).
    625 €
    Ver
¿Tienes equipo que ya no usas? Véndelo en Mercasonic
frusciante1985
por el 26/06/2018
Yo aún no me he sentado a ver si encuentro alguna relación entre los circuitos del shredmaster y los Lead 12, pero no me olvido de ello.
Tonyguitar
por el 26/06/2018
me suscribo a este hilo, voy a echar un ojo al esquema a ver si se me enciende la bombilla, pero basicamente aqui lo que pasa si es falta de agudos pues es posible que algun condensador los este derivando a masa, este detalle es odioso.
1 respuesta directa
Tonyguitar
por el 26/06/2018
dani escribió:
A ver si se nota algo, aunque está a bajo volumen en casa y grabado mal desde lejos con el movil
nunca he probado uno de estos, la verdad es que si escucho esta grabacion y me dicen que es un jcm800 me lo habria creido por que me suena igual, el sonido me recuerda mucho a los grupos de rock de finales de los 70, kiss, ted nuget etc.
vedaabierta
por el 27/06/2018
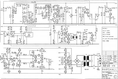
Buenas,el problema(o caracteristica principal) de esos amplis es el tone stack,los poenciometros estan mal escalados,el de graves es lineal en lugar de logaritmico y r13 y c9 deberian tener un valor mas alto,echale un vistazo al esquema del jcm800 y compara con el mosfet.
Veras que valores ''tipicos'' de los potes varian bastante.
Paint
por el 27/06/2018
#15 gracias Tony
La verdad que con un eq de 10 bandas ya lo he probado y se soluciona, pero si se puede solucionar cambiando componentes mejor.

El problema es muy similar o igual diría que el del shredmaster en cuanto a graves embarrados.

Sé que se puede hacer, pero no me quisieron decir exactamente que habían modificado y qué valores.

#17 nunca me había fijado en eso la verdad, gracias por la ayuda ;)
Tonyguitar
por el 27/06/2018
dani escribió:
é que se puede hacer, pero no me quisieron decir exactamente que habían modificado y qué valores

¿en serio, y quien fue el que lo hizo?
otra curiosidad que tengo sobre este amplificador, ¿lo de mosfet que se refiere por que lleva transistores mosfet en el previo como los 2n7000 y el bs170? nunca he terminado de entender exactamente por que se les llama a estos marshall mosfet.
Archivos adjuntos ( para descargar)
Ampli.jpg
1 respuesta directa
Paint
por el 27/06/2018
Otra duda que tengo es:
el Marshall Mosfet 100 es como el Lead 12 pero añadiéndole dos canales. Uno limpio total y el otro crunch.
El problema es que los controles de ecualización solo funcionan en el canal limpio y el canal del crunch solo es posible ecualizarlo con un pote de tono.

Sería posible hacer alguna modificación para que se pudiesen usar los controles de ecualización en el canal crunch tmbn?
Paint
por el 27/06/2018
#19 un técnico de Madrid y no revela el secreto para ganarse unos eurillos.

El esquema que pusiste se refiere al 3210, yo me refería al 5100 pero no he encontrado el esquema por ninguna parte.
El 3210 es más como el 2210 y el 5100 como un 2203

Se llama mosfet porque la etapa de potencia va a mosfet de esos gordos de botón
Tonyguitar
por el 27/06/2018
dani escribió:
Se llama mosfet porque la etapa de potencia va a mosfet de esos gordos de botón
ahh si, los transistores mosfet de potencia, ya se cuales son, ¿y el previo que es lo que lleva entonces, operacionales igual que los valvestate o transistores normales? a ver si tengo un rato y miro bien el esquema por que el secreto del sonido de esos amplis no debe ser la etapa mosfet, debe ser el previo fijo.
Paint
por el 27/06/2018
#22 lleva los mismos transistores que el shredmaster en el previo los tl072

El sonido yo creo que tiene que ver más con la disposición del circuito. No tiene nada que ver con los valvestate. El sonido de estos amplis es un sonido tipo plexi y jcm.
Paint
por el 27/06/2018
Aquí se nota como se embarra en graves. Si lo comparas con el jmp suenan muy similar pero más embarrado
Nuevo post

Regístrate o para poder postear en este hilo