Hola!
Al poner dos transformadores de potencia es posible que te aumente el ruido porque son dos campos magnéticos distintos en el amplificador que pueden dar mucha guerra, a la hora de montar el ampli alejalos todo lo que puedas de la parte del previo y del trafo de salida.
Por lo que veo tienes un transformador de salida con 5 conexiones en el primario. 1-2-c-3-4 Siendo el punto "C" el tap central del transformador, entre C-2 tendrías que tener unos 105 ohm (lo mismo entre C-3) y luego un secundario de salida 8ohm que son los puntos A y B. Comprueba que no haya conexion entre el primario y el secundario y podremos suponer que el transformador de salida esta OK.
Toda esa maraña de cableado que tiene el transformador es porque los bobinados están entrelazados. Se bobina distinto un transformador de salida que uno de potencia.
Nunca había visto un transformador de este tipo (aunque tampoco se mucho del tema). En principio los puntos 2 y 3 van conectados a la rejilla pantalla del péntodo y hay varios esquemas con esa configuración. Lo que no se es si el mismo transformador lo puedes utilizar sin usar los puntos 2 y 3 como un transformador "normal" y polarizar la rejilla directamente desde la fuente de alimentación como se hace en otros esquemas push pull. Ya te digo que no tengo mucha teoría de válvulas.
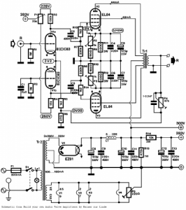
El ampli que te puse no tiene mas que un canal limpio. Busca algún esquema de amplis que te gusten, copias la parte del previo y le cambias la etapa, de esa forma puedes hacer, más o menos, el ampli que te guste con la potencia de las EL84 y aprovechar tus transformadores y las válvulas que ya tienes.
Te dejo dos imágenes de etapas con las dos formas que he visto de conectar el transformador. Y si alguien que entiende algo del tema ve que digo alguna barbaridad agradecería que me corrigiera.
Pues creo que sería más facil montarte un SLO que hacerte el que te estás currando, el único problema, a parte del dineral que valen las válvulas es encontrar los tranformadores. Pero es más sencillo y está muy documentado.
saludos!!
Al poner dos transformadores de potencia es posible que te aumente el ruido porque son dos campos magnéticos distintos en el amplificador que pueden dar mucha guerra, a la hora de montar el ampli alejalos todo lo que puedas de la parte del previo y del trafo de salida.
Por lo que veo tienes un transformador de salida con 5 conexiones en el primario. 1-2-c-3-4 Siendo el punto "C" el tap central del transformador, entre C-2 tendrías que tener unos 105 ohm (lo mismo entre C-3) y luego un secundario de salida 8ohm que son los puntos A y B. Comprueba que no haya conexion entre el primario y el secundario y podremos suponer que el transformador de salida esta OK.
Toda esa maraña de cableado que tiene el transformador es porque los bobinados están entrelazados. Se bobina distinto un transformador de salida que uno de potencia.
Nunca había visto un transformador de este tipo (aunque tampoco se mucho del tema). En principio los puntos 2 y 3 van conectados a la rejilla pantalla del péntodo y hay varios esquemas con esa configuración. Lo que no se es si el mismo transformador lo puedes utilizar sin usar los puntos 2 y 3 como un transformador "normal" y polarizar la rejilla directamente desde la fuente de alimentación como se hace en otros esquemas push pull. Ya te digo que no tengo mucha teoría de válvulas.
El ampli que te puse no tiene mas que un canal limpio. Busca algún esquema de amplis que te gusten, copias la parte del previo y le cambias la etapa, de esa forma puedes hacer, más o menos, el ampli que te guste con la potencia de las EL84 y aprovechar tus transformadores y las válvulas que ya tienes.
Te dejo dos imágenes de etapas con las dos formas que he visto de conectar el transformador. Y si alguien que entiende algo del tema ve que digo alguna barbaridad agradecería que me corrigiera.
maquiano escribió:Que fiera LiTaN, de mayor quiero hacerme un SLO como tú.
Pues creo que sería más facil montarte un SLO que hacerte el que te estás currando, el único problema, a parte del dineral que valen las válvulas es encontrar los tranformadores. Pero es más sencillo y está muy documentado.
saludos!!
Responder
Citar
