Comunidad Marshall JVM

Carlosrom
por el 05/09/2017
Mi humilde opinión es que el Hjs es un ampli más avanzado a todos los niveles. Lo encuentro más definido en el tono y mucho más trabajado en el tema de ruidos. Mucho menos barro a alta ganancia y cuatro puertas de ruido que funcionan a la perfección. La configuración de canales y sus respectivos modos tiene mas sentido a mi entender y su modo 800 es sencillamente bestial. Ahora si, el 410h tiene mas gain y si vas a hacer metal extremo igual sería mas conveniente preparar un 410H con todos sus mods para llegar sin barro al gain que ofrece el cabezal standart. Como a mi el gain del HJS me sobra por todas partes me gusta mas de largo el Satriani.
Aclaro que mi opinión como todas es muy particular y añado que aunque parece que son hermanos no creo que sean ni primos. Son dos amplis muy distintos que comparten un tono, sino igual, muy parecido.
OFERTAS EN TIENDAS Ver todas
  • -45%
    Hughes & Kettner Spirit of Rock
    48 €
    Ver oferta
  • -13%
    Harley Benton DNAfx GiT
    129 €
    Ver oferta
  • -7%
    Harley Benton SC‑Custom III Active VBK
    298 €
    Ver oferta
SEGUNDA MANO EN MERCASONIC Ver todo
  • Guitarra Yamaha Revstar RS502TFMX
    550 €
    Ver
  • Fuzz Fender blender USA
    499 €
    Ver
  • Vendo Solar A1.6ATG Baritona –Carbon Black Mate
    825 €
    Ver
¿Tienes equipo que ya no usas? Véndelo en Mercasonic
Raul Lopez Velarde
por el 09/09/2017
Hola! El martes tuve la grandiosa oportunidad de comprarme un lindo jvm 410c es por ello que me uno a esta gran comunidad! Tengo apenas 4 días con el y no he podido encontrar la forma de guardad mis presets! Espero alguien me pueda echar la mano! Saludos!
Jaime PE
por el 10/09/2017
Buenas,

ayer por primera vez me dio problemas mi JVM, es el 205 head y lo tengo conectado a una 2x12. Tocando en un bolo, el amplificador empezó a escucharse cada vez menos hasta que dejó de sonar, la "suerte" es que estaba conectado por línea y escuchaba un poco por la referencia, por lo que me hizo pensar que tendría que ser de la etapa del amplificador. Aunque también noté una considerable disminución de la calidad de sonido, creo que el previo se ha visto también afectado.

Sé que no es mucha información, pero eso es lo que me pasó sin más. Esta mañana lo he vuelto a conectar y suena muy poco, con los master a las 12 el sonido es bajo, y y sabéis que a esos volúmenes cerca ya es muy molesto. Aún así, el "Clean verde" creo que suena bien, pero en el canal de saturación se nota que no suena igual, más oscuro, por lo que no descarto que el canal limpio también se haya degradado un poco y no lo esté apreciando a volúmenes bajos.

Para más información, las válvulas se las cambié hará un par de meses y no me han dado ningún problema, ni he notado nada raro. Las válvulas de potencia se nota que funcionan, desprenden bastante calor, al igual que todas las del previo.

Hoy tengo otro bolo, pero tendré que buscar otro amplificador.

¿Habéis tenido alguna experiencia parecida?, ¿Podríais hacer alguna deducción sobre el problema? Hasta el miércoles no lo puedo llevar a que le echen un vistazo y la semana que viene la tengo cargadita de fechas. Necesito al menos hacerme ideas.

Un saludo y gracias de antemano.
mike
por el 11/09/2017
Suerte compañero, yo no puedo aventurarme ya que nunca he tenido ni un problema el mio es el 410h ( tras unos 8 años con el ampli), ni si quiera a pasado por ningun taller y ninguna valvula cambiada, vamos na de na en mantenimiento. Pero seguro que mas de uno de este foro dará con alguna estimación.
Repito, suerte y comenta como va...
Jaime PE
por el 12/09/2017
Gracias Mike!

ayer por la tarde estuve trasteándolo un poco antes de llevarlo a un técnico y por suerte conservaba las válvulas antiguas que funcionaban bien, ya que se las cambié hace unos meses. Al cambiársela el amplificador funcionaba perfectamente, por lo que fue un alivio muy grande, ya solo era detectar aquella válvula defectuosa. Al principio, creí que serían por las válvulas de potencia por eso de que el amplificador sonaba a volúmenes muy bajo, pero resultó ser la tercera válvula del previo empezando por la izquierda. Ni idea de porque esa válvula me dio ese problema, desconozco la función específica de esas 4 válvulas del previo.

Lo que pensaba ser un problema técnico serio, resulta ser el reemplazo de una simple válvula.
Karlson
por el 12/09/2017
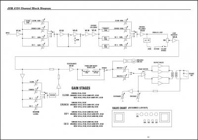
#401
Adjunto el esquema de bloques del ampli, y localiza la válvula en cuestión y ya sabes que hace...
Archivos adjuntos ( para descargar)
JVM410HBlockDiagram.jpg
mike
por el 12/09/2017
buen aporte Karlson, y me alegro que al final sea algo facil, yo sigo pensando que es un muy buen ampli y muy fiable, y como todo, al cambiar piezas pueden dar problemas ... a disfrutarlo
mike
por el 12/09/2017
Raul, lo de los presets, no tienes el manual?? yo en su dia me los grabe tirando del manual y me resulto facil, si no lo tienes pidelo y seguro que los encontramos
Raul Lopez Velarde
por el 12/09/2017
Gracias por tu respuesta Mike! No tengo le manual! Lo compré de segunda mano y no lo traía! Lo busco en internet pero solo me aparecen en inglés! Voy a seguir buscando esperando tener suerte! Saludos! Gracias!
Jaime PE
por el 12/09/2017
Gracias Karlson! La verdad es que leyendo el esquema tiene todo el sentido. La v3 da volumen a los canales y ese era justamente el problema, que sonaba muy muy poco con el master bien apretado.

#405 Si no recuerdo mal (tampoco tengo el manual), básicamente configura primero tu preset con todo lo que quieras, es decir, canal elegido, reverb on/off, fx on/off, master, etc. Una vez lo tengas a tu gusto pulsa el botón de "footswitch/midi program" que se encuentra en el panel frontal del amplificador y, estando en rojo dicho botón, finalmente deja pulsado (durante unos segundos ) el botón deseado de la pedalera que quieras que contenga ese preset. Finalmente notarás que parpadearan las luces de la pedalera, lo cual verificará que se ha quedado memorizado.

Espero haberme explicado bien! Suerte!
mike
por el 12/09/2017
Lo buscare esta noche en casa. Yo lo tengo en español. Si lo encuentro lo escaneo y lo pongo en el foro mañana
Raul Lopez Velarde
por el 13/09/2017
Gracias Mike! Estaría genial! Te lo agradecería de por vida! Saludos ! Buena vibra!!!
Nuevo post

Regístrate o para poder postear en este hilo