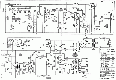
Hola chicos, he restaurado un Marshall 5210 y resulta que al rato de estar encendido empieza a perder el volumen, va y viene, tanto en distorsión como en limpio, si apagas y enciendes vuelve a sonar pero se vuelve a bajar al poco, los electroliticos gordos están cambiados y supongo que no son, los potenciometros tambien los he cambiado, no sé si podeis darme alguna pista sobre la averia, no se si será alguna soldadura chunga, algún electrolitico de los chicos jodido o el transformador, ni idea.
El usuario TonyGT-Ibiza me ha dado algúnos consejos pero se escuchan mas posibles soluciones o comprobaciones.
Un saludo.
El usuario TonyGT-Ibiza me ha dado algúnos consejos pero se escuchan mas posibles soluciones o comprobaciones.
Un saludo.
Responder
Citar
