Hola compañeros!!! Le estoy dando vueltas a un 900 que tengo y me gustaría probar un par de cosas.
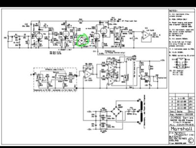
He mirado información sobre el tema de los diodos y me gustaría probar esa modificación pero no la tengo muy clara. Se supone que anulando los diodos la distorsión se vuelve 100 por 100 valvular. Algunos le llaman "quitar el pedal que lleva dentro el 900"
Según he leído basta con cortar el positivo del D1. Esto es así? O habría que hacer algo más?
Y la segunda sería soldar en paralelo a la resistencia de 56k del circuito del Bias una de unos 220k para conseguir bajar la resistencia total a unos 44k ya que con el potenciómetro del Bias girado del todo sólo alcanza unos 0.027 quedando el ajuste muy frío. Esto lo tengo más claro.
Por favor alguien que me eche un cable con el tema de los diodos.
Gracias!!!
He mirado información sobre el tema de los diodos y me gustaría probar esa modificación pero no la tengo muy clara. Se supone que anulando los diodos la distorsión se vuelve 100 por 100 valvular. Algunos le llaman "quitar el pedal que lleva dentro el 900"
Según he leído basta con cortar el positivo del D1. Esto es así? O habría que hacer algo más?
Y la segunda sería soldar en paralelo a la resistencia de 56k del circuito del Bias una de unos 220k para conseguir bajar la resistencia total a unos 44k ya que con el potenciómetro del Bias girado del todo sólo alcanza unos 0.027 quedando el ajuste muy frío. Esto lo tengo más claro.
Por favor alguien que me eche un cable con el tema de los diodos.
Gracias!!!
Responder
Citar
