Convertir vieja radio valvular en ampli

Luis Suarez Gomez
por el 19/10/2023
Buenas,pues despues de unas buenas horas,cambiando condensadores probando varios valores para encontrar un tono chulo,cambio de valvulas y repasando soldaduras la radio suena de vicio.Lo unico que no se porque la EM34 dejo de funcionar cuando antes funcionaba.
Por lo demas saca un sonido brutal,intentare mañana grabar algo con ella.
OFERTAS EN TIENDAS Ver todas
  • -14%
    Harley Benton Fusion-T HH EB OCT
    299 €
    Ver oferta
  • -6%
    Electro Harmonix Bass Preacher
    62 €
    Ver oferta
  • -13%
    Harley Benton Fusion-T HH Roasted FNT
    349 €
    Ver oferta
SEGUNDA MANO EN MERCASONIC Ver todo
  • ‼️ENVIO INCLUIDO. Tipo Timmy V2 Analógico
    110 €
    Ver
  • Pedal Ibanez doble sound
    275 €
    Ver
  • ‼️ENVIO INCLUIDO. Tipo Jan Ray Analógico
    110 €
    Ver
¿Tienes equipo que ya no usas? Véndelo en Mercasonic
Luis Suarez Gomez
por el 19/10/2023
Os dejo un mini video grabado ayer a la noche probando el sonido despues de la operación a vida o muerte jajaja.Use condensadores normales mientras no me llegan los Mallory.
La siguiente modificación que voy a hacer es ponerle salida a pantalla mirando de cuantos ohmnios es el trafo de salida.
https://drive.google.com/file/d/1COEA8TF3BbTk6y0hq2KW85yp7GU6w_JM/view?usp=drivesdk
Luis Suarez Gomez
por el 27/10/2023
Bueno ya tengo la mía funcionando,al final todos absolutamente todos los condensadores de papel estaban en mal estado (Cambiados ya por condensadores Mallory 150),las resistencias originales por ahora están todas bien,los potes los limpie con CRC,ahora no rascan y van suaves.
También (dándome pena) cambie el cable original de la radio por uno de tres cables para poner la tierra al chasis (cable verde/amarillo) y quite el condensador de la muerte.
La radio suena brutal pero para mi gusto demasiado limpia y cristalina,tengo que mirar como darle mas ganancia a la radio porque a volumen máximo y atacando las cuerdas fuerte consigo que cruja pero querría sacar mas ganancia.Tocara investigar con el plano.
Un saludo.
Archivos adjuntos ( para descargar)
IMG_0083.jpeg
Juan
por el 08/11/2023
Luis Suarez Gomez escribió:
La radio suena brutal pero para mi gusto demasiado limpia y cristalina,tengo que mirar como darle mas ganancia a la radio porque a volumen máximo y atacando las cuerdas fuerte consigo que cruja pero querría sacar mas ganancia.Tocara investigar con el plano.


Hola che. La solución es empujar con un pedal. Yo le metí un range master (treble boost) que me hice y la verdad es que distorciona muy lindo. En unos post más atrás vas a encontrar el video (sino avísame y te lo paso).

En mi caso no modifiqué (ni quiero) la radio de ninguna manera. Simplemente enchufo en la entrada auxiliar, y por eso encontré el treble boost rabioso como una buena solución.
Luis Suarez Gomez
por el 18/12/2023
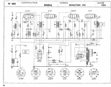
Muy buenas,me hice con una radio mas y esta es completamente Rusa.
Me esta rompiendo la cabeZa desdehace dias,ya que mete un zumbido atronador y no suena nada mas que el zumbido,ya cambie valvulas condensadores,revise soldaduras frias que habia un montos,comprobe resistencias pero no hay manera.
Os pongo unas imágenes de la radio,el esquema y el video con lo que hace.
Video:
https://drive.google.com/file/d/1l1P7EiUsa75S77xMInVb9vJ_rAqLp5b5/view?usp=drivesdk
Archivos adjuntos ( para descargar)
IMG_2556.jpeg
IMG_2555.jpeg
IMG_2554.jpeg
IMG_2372.jpeg
Tonyguitar
por el 19/12/2023
Luis Suarez Gomez escribió:
Os pongo unas imágenes de la radio,el esquema y el video con lo que hace.
Video:


Cambia los condensadores del filtro en pi, eso es zumbido de rizado de voltaje de continua mal filtrado, desde luego que puedo equivocarme pero yo estoy casi seguro de que es eso.
revisa los condensadores que te digo de filtro de la fuente.

He mirado asi un poco el esquema rapido y bueno, ahora no me puedo parar a mirarlo mejor, pero te he señalado lo que yo creo que debes mirar, basicamente todo lo relacionado con la estabilizcion de la corriente continua para que sea pura sin flustuaciones ni oscilaciones, condensadores sobre todo y de los tipicos electroliticos esos grandes, si todavia tiene los condensadores grandes esos de tubo originales del tubo cilindrico metalico grande, esos los tienes que cambiar, por que se estropean con los años y ese es el sintoma.

si tienes un osciloscopio, podrias seguir el ruido y ver en que punto aparece y si tienes rizado de alimentacion continua.
Archivos adjuntos ( para descargar)
IMG_2372.jpeg
1 respuesta directa
Juan
por el 20/12/2023
Estas seguro que cambiaste los condensadores? Suena a problema de filtro de fuente.
Si los cambiaste, estas seguro que pusiste los valores correcto de capacitancia?
1 respuesta directa
Borgass
por el 20/12/2023
Hola compis, alguien podria ayudarme con una Radio de este estilo? La pregunta es sobre seguridad electrica. Mi radio tiene entrada Aux is ya le he enchufado un ipod y un Loop station con un loop que grabe con la guitarra y suena imcreiblemente bien. Que medidas de seguridad deberia tomar si quisiera conectar una guitarra? adjunto modelo y esquema (lamentablemente no se pueden leer los valores) La entrada AUX se llama TA en el esquema lo marque en rojo.

Gracias!

Radio Loewe Opta Venus 560W
Archivos adjuntos ( para descargar)
Loewe_Opta_Venus_560W-3D_1954-55_schema_schaltung.jpg
Tonyguitar
por el 21/12/2023
#248

Estoy viendo que tiene aislamiento galvánico, es una radio moderna, del año 60 o.asi a juzgar por las valvulas que lleva, ecc85 por ejemplo valvula noval usada para,el modulo de la FM, etc.
Si lleva entrada de line, debe ir bien y a no ser q haya algún problema, q no debería, yo no veo problema de usar esa,radio para esto.


Si me apuras, puedes añadir al vivo un 10nf en serie con la entrada esa de línea o phono o.algun otro valor.
Borgass
por el 21/12/2023
#249 Gracias maestro. Entonces solo le cambiare el cable por uno de 3 lineas y conectare la tierra al chasis para mayor seguridad correcto? El capcitor en la entrada para que se utiliza?
Saludos!
acamm
por el 21/12/2023
#250 Efectivamente, ese condensador es mejor retirarlo y hacer la conexión del chasis metálico del equipo a la tierra del enchufe.
Se instalaba cuando no había tomas de tierra en las instalaciones eléctricas. Conectaba el neutro de la instalación al chasis. Era una forma de evitar que se colaran interferencias electromagnéticas del exterior. Lo que ocurre es que si, por error, giras el enchufe de alimentación y conectas la línea de la instalación, en lugar del neutro, te puede dar calambres al tocar tierra o otro equipo. Si encima el condensador está chungo el riesgo de electrocución es mucho más serio.
Salud
1 respuesta directa
acamm
por el 21/12/2023
Recordad que estos equipos no fueron diseñados con las precauciones como para que pudieras conectar un instrumento en el que tocas el circuito eléctrico con la mano. Y encima los guitarristas solemos tener una mano agarrando el mástil y con la otra es con la que alcanzamos la cerveza que hay sobre una estantería metálica, o colocamos el micro..., con lo que el paso de la corriente es de mano a mano y muy cercano al corazón.
Nuevo post

Regístrate o para poder postear en este hilo