Convertir vieja radio valvular en ampli

Luis Suarez Gomez
por el 04/01/2024
Bueno,llevo recableando cada poco tiempo ya que en estas fechas ando liado.
Tengo un cable que sale del trafo que no se a donde va y da sobre 228v en alterna,es el del circulo rojo,no lo localizo bien en el esquema
Archivos adjuntos ( para descargar)
IMG_2868.jpeg
OFERTAS EN TIENDAS Ver todas
  • -14%
    Harley Benton Fusion-T HH EB OCT
    299 €
    Ver oferta
  • -6%
    Electro Harmonix Bass Preacher
    62 €
    Ver oferta
  • -13%
    Harley Benton Fusion-T HH Roasted FNT
    349 €
    Ver oferta
SEGUNDA MANO EN MERCASONIC Ver todo
  • ‼️ENVIO INCLUIDO. Tipo Timmy V2 Analógico
    110 €
    Ver
  • Pedal Ibanez doble sound
    275 €
    Ver
  • ‼️ENVIO INCLUIDO. Tipo Jan Ray Analógico
    110 €
    Ver
¿Tienes equipo que ya no usas? Véndelo en Mercasonic
Tonyguitar
por el 06/01/2024
Le llega tension alta a la rectificadora o al diodo de selenio o lo.q quiera que convierta la AC del trafo acerca alta que alimenta el circuito?
acamm
por el 07/01/2024
#265 Si el transformador que mencionas es el de alimentación de la radio rusa, es probable que sea, como te dice Tony, de uno de los ánodos de la rectificadora. Comprueba que del secundario de alta tensión del transformador de alimentación haya conexión con los pines 1 y 7 de la rectificadora.

Mide todas las tensiones de los hilos que entran y salen del transformador de alimentación, que tiene 3 secundarios, donde 1 es el de alta tensión y los otros dos ( al menos uno) deben ser para filamentos, todas las válvulas de esa radio van a 6,3V en filamentos y al ánodo de la rectificadora probablemente esos 230V que has medido con respecto a no sé que punto del circuito.

Ándate con mucho ojo.
Archivos adjuntos ( para descargar)
HV.jpg
pinEZ80.png
Luis Suarez Gomez
por el 18/01/2024
Pues al final despues de ver que esta todo echo un cristo,mal cableada,etc,cogi y desolde todo,dejandola pelada,para empezar de cero.
Como en esta radio no me interesa la función radio,solo usarla como ampli y reproductor bluetooth dejare la valvula de potencia EL84 y las de previo que creo q solo es la EABC80 (corregirme si estoy equivocado) asi simplificar el cableado interno.
También consegui un mejor diagrama mas nitido ya que hay una pagina especifica para esta marca de radios
Archivos adjuntos ( para descargar)
IMG_3334.jpeg
IMG_3335.jpeg
acamm
por el 20/01/2024
Menudo faenón, te vas a convertir en un experto.
Ese esquema está más claro, salvo por los valores de algunos componentes, diría que el condensador de filtro del ánodo del tríodo en la EABC80 debería ser 22uF. La EABC80 hace de previo. Utiliza los terminales del tríodo, los ánodos de los diodos creo que si no los usas es mejor conectarlos a tierra, pero esto mejor lo confirmas.
Luis Suarez Gomez
por el 24/01/2024
#269
La verdad que esta radio me esta volviendo loco 🙈🙈🙈

Acabo de probar y me psa algo curioso,la salida rectificada me sale en negativo (punta negra del multimetro a masa y roja a positivo) y el trafo se calienta,prove con otra EZ80 que se que esta bien y hace lo mismo.
Pienso q es cableado del trafo.en salida a parte de los calentdores de 6,5v salen tres cables (dos rojo/blanco y uno Verde/blanco) los dos rojos medidos entre si dan 230v,intercambie el 1 por el 7 y lo mismo.
Lo que si q me fije que del primario sale el directo de voltaje y otro que serian los 220v y van al interruptor en el potenciometro de volumen y no se si llevan también un orden
acamm
por el 25/01/2024
Lo primero es medir y anotar las tensiones en el transformador para poder identificar los cables, antes de conectar nada. Una vez desconectados cables del secundario, deberías medir voltaje en alterna (AC) entre todos los terminales que no pertenecen al secundario de filamentos, que parece que ya los has identificado correctamente.
Siendo un equipo manipulado, hay que extremar las precauciones e intentar seguir un orden.
Luis Suarez Gomez escribió:
Lo que si q me fije que del primario sale el directo de voltaje y otro que serian los 220v y van al interruptor en el potenciometro de volumen y no se si llevan también un orden

Al primario entran dos cables con 230V AC, uno va directo y el otro pasa por un interruptor que corta la corriente de red. Siendo AC no importa demasiado el orden.
Luis Suarez Gomez
por el 05/02/2024
#271

Pues me estoy volviendo loco, mido cables del secundario y me da 460v (me parece elevado) y logicamente cable con el tap da la mitad (230v). El problema es que al derivar el tap a masa ya sea directo o como en el esquema con resistencia y condensador,el trafo se calienta al punto de casi no poder tocarlo y en DC solo da sobre unos 12v y 16v,si desconecto el tap de la masa no da ese problema de temperatura (solo esta el circuito de la rectificacion,el resto de circuito esta quitado).

Pienso que el problema es fallo del transformador,pero antes de cambiarlo o buscar una alternativa si no encuentro uno igual,vuestra opinion.
1 respuesta directa
acamm
por el 05/02/2024
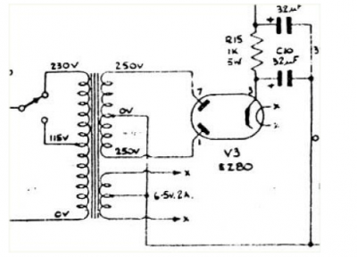
#272 Los 2 que dan 460 VAC entre sí van a los ánodos de la rectificadora,
El que da 230 Vac midiendo con los otros dos es el de masa.
Archivos adjuntos ( para descargar)
EZ80_Fuente.png
Luis Suarez Gomez
por el 05/02/2024
#273
Si si al 1 y al 7 pero el problema es que al conectar el tap a masa es cuando el trafo se calienta y la salida de la rectificadora no pasa de 16v en continua
acamm
por el 05/02/2024
Luis Suarez Gomez escribió:
El problema es que al derivar el tap a masa ya sea directo o como en el esquema con resistencia y condensador,el trafo se calienta al punto de casi no poder tocarlo y en DC solo da sobre unos 12v y 16v,si desconecto el tap de la masa no da ese problema de temperatura (solo esta el circuito de la rectificacion,el resto de circuito esta quitado)

Si eso es así, la rectificadora está frita. Si no vigilas se te va a quemar también el transformador.
Nuevo post

Regístrate o para poder postear en este hilo