bueno con el tema de la profundida no tengo la menor idea, por otro lado el mastil se ve genial, pero.. no veo el alma... :S
X
Últimos días
Construcción de guitarra - Colombia - V con floyd rose
OFERTAS Ver todas
-
-11%Harley Benton HBD120CEBK Bundle
-
-11%Ibanez RGR6BSP-IPT
-
-20%tc electronic Hall of Fame 2
Hola tony, mira lo que yo me pregunto.
La altura de la selleta es 10,4 mm, la altura del brazo al final a la corana del traste 24 es 28,4 mm, segun entiendo la altura de la selleta y la corona del traste en el cuerpo debe ser la misma, por lo tanto, el brazo debe hundirse 18 mm en la madera para que queden exactos, pero en otro post lei que se debe dejar una pequeña diferencia, entonces me imagino que debe estar mas alta la selleta, es asi?
Aca dejo una imagen.
[ Imagen externa no disponible ]
La altura de la selleta es 10,4 mm, la altura del brazo al final a la corana del traste 24 es 28,4 mm, segun entiendo la altura de la selleta y la corona del traste en el cuerpo debe ser la misma, por lo tanto, el brazo debe hundirse 18 mm en la madera para que queden exactos, pero en otro post lei que se debe dejar una pequeña diferencia, entonces me imagino que debe estar mas alta la selleta, es asi?
Aca dejo una imagen.
[ Imagen externa no disponible ]
#139 , pero se supone que la altura de estas se ajustara al ajustar el puente, entonces yo creeria que deberia quedar a la misma altura, lo de dejarle un milimetro tal vez sea por que quedaria muy exacto y trasteara, no se realmente si deberias dejarle le milimetro, pero si fuese yo, los dejaria iguales
Todo floyd rose debe de tener un routeado de profundidad en el cuerpo, segun las especificaciones de la misma pagina de floyd. Son 6mm de profundidad lo que se debe de hundir la parte donde asienta el floyd.
Yo he hecho routeos para floyd, y es indispensable que quede el puente un poco hundido en el cuerpo...
la zona donde asienta el floyd, es donde estan los pivotes encastrados...La zona de la parte de atras del floyd, donde estan los microafinadores, va aun mas profundo el routeo para que tenga juego.
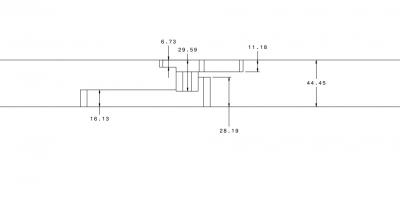
Te dejo una foto para que veas medidas en milimetros de como deben de ser los routeos. Es como si lo vieras de lado como dijo el amigo tony.
Yo he hecho routeos para floyd, y es indispensable que quede el puente un poco hundido en el cuerpo...
la zona donde asienta el floyd, es donde estan los pivotes encastrados...La zona de la parte de atras del floyd, donde estan los microafinadores, va aun mas profundo el routeo para que tenga juego.
Te dejo una foto para que veas medidas en milimetros de como deben de ser los routeos. Es como si lo vieras de lado como dijo el amigo tony.
Dependiendo del grosor de tu mastil...pero para mas facil te doy una referencia...
en la union del mastil con diapason...ahi en esa linea que cambia el color de la madera...1 o 2mm mas abajo a esa altura...
Aunque te quedara muy alto, las selletas lo compensan, pero esa es la referencia de toda la vida para mi, de la union de maderas...1 o 2mm mas abajito
en la union del mastil con diapason...ahi en esa linea que cambia el color de la madera...1 o 2mm mas abajo a esa altura...
Aunque te quedara muy alto, las selletas lo compensan, pero esa es la referencia de toda la vida para mi, de la union de maderas...1 o 2mm mas abajito
Nuevo post
Regístrate o identifícate para poder postear en este hilo
