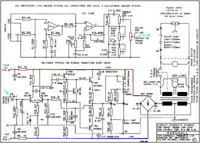
#144 Ya tony, pero esas te sacan solo V+ y GND, y para el Lead 12 necesitas V+, GND y V-.
Fíjate que en el link que pusistes advierten que necesitas +16V/-16V
http://tagboardeffects.blogspot.com/2018/10/marshall-3005-preamp.html?m=1
"so you'll want to build a bipolar power board." Osea que necesitas una fuente bipolar (lo que yo llamaba dual) y que aquí pone como construir
http://tagboardeffects.blogspot.com/2014/01/bipolar-voltage-converter.html
que por lo que sé es un charge pump de los que sugería Nilce en el post #71
O me estoy perdiendo algo?
Fíjate que en el link que pusistes advierten que necesitas +16V/-16V
http://tagboardeffects.blogspot.com/2018/10/marshall-3005-preamp.html?m=1
"so you'll want to build a bipolar power board." Osea que necesitas una fuente bipolar (lo que yo llamaba dual) y que aquí pone como construir
http://tagboardeffects.blogspot.com/2014/01/bipolar-voltage-converter.html
que por lo que sé es un charge pump de los que sugería Nilce en el post #71
O me estoy perdiendo algo?
Responder
Citar





Luego cambié otros valores para corregirlo, pero vete a saber si a la hora de montarlo sonará igual que el original. Llegados a este punto, a lo mejor compensa más incluir un elevador de tensión el la propia PCB