El 2sk30a en concreto nunca lo he probado, voy a mirar de conseguirlo a ver que tal es, lo conozco de oidas.
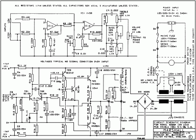
Modificación Marshall Mosfet
OFERTAS Ver todas
-
-11%Harley Benton HBD120CEBK Bundle
-
-45%Hughes&Kettner Spirit of Metal
-
-15%Hughes&Kettner TubeMeister Deluxe 40
aquí dejo muestra grabada con el micro puesto en el centro del mosfet 5100 pero con el eq delante para hacer un efecto parecido a la mod que busco(la verdad que el sonido en persona es brutal, pero soy amateur grabando y no se sacarle el jugo)
la grabacion es muy corta porque lo grabe en un piso y el vecino ya empezó a dar golpes
y eso que el master estaba al 1... jjjj
pd: el micro es un shure sm57 y parece haberse comido los medios altos bonitos :s
la grabacion es muy corta porque lo grabe en un piso y el vecino ya empezó a dar golpes
y eso que el master estaba al 1... jjjjpd: el micro es un shure sm57 y parece haberse comido los medios altos bonitos :s
Me suscribo al hilo, caballeros. Acabo de comprarle el suyo a un compañero de Tenerife y ahora toca esperar a que llegue.
Por lo que he leído, al tirarle a uno de los potes se supone que se puede usar la ecualización del canal limpio en el overdrive. ¿Es esto cierto?
Tengo el Lead 20 de la misma serie más viejo que nada, y es que me tiene enamorado; le puse un jack conmutable para poder conectarlo a una pantalla externa y buah, agüita.
Por lo que he leído, al tirarle a uno de los potes se supone que se puede usar la ecualización del canal limpio en el overdrive. ¿Es esto cierto?
Tengo el Lead 20 de la misma serie más viejo que nada, y es que me tiene enamorado; le puse un jack conmutable para poder conectarlo a una pantalla externa y buah, agüita.
Dani, tu que entiendes un huevo del tema, ¿cual me aconsejas de los mosfet hacer en pedal?
Quiero diseñar un layout a partir del previo pero solamente lo que seria el canal de distorsion, gracias.
Si todos tienen mas o menos la misma distorsion, entonces aconsejame uno pequeño de pocos watios, sera mas facil de adaptar el previo a un pedal.
Quiero diseñar un layout a partir del previo pero solamente lo que seria el canal de distorsion, gracias.
Si todos tienen mas o menos la misma distorsion, entonces aconsejame uno pequeño de pocos watios, sera mas facil de adaptar el previo a un pedal.
Nuevo post
Regístrate o identifícate para poder postear en este hilo

aunque no hace justicia la verdad.