Creo que con lo que "hemos" aprendido, podría revisar las posibles posiciones de mi/nuestro diseño de atenuador, y calcular paso a paso las resistencias equivalentes hasta llegar a conocer el valor de la carga total. A ver si la teoría sale bien o sale mal. En principio con los análisis que hicimos marcelote y yo, salía bien. Pero somos humanos...
Atenuador
OFERTAS Ver todas
-
-37%IK Multimedia ToneX One
-
-47%Hughes&Kettner Spirit of Vintage
-
-52%Hughes&Kettner Spirit AmpMan Modern
En la práctica, el atenuador (pote) reduce perceptiblemente el volumen únicamente en el primer cuarto de vuelta (entre las 6 y las 9, en un reloj) con amplis de 5W, que es con lo que lo hemos probado.. El resto suena como el ampli a tope directo. Y en el cuarto de vuelta útil, para conseguir un volumen realmente bajo, apenas hay margen de movimiento. De cero a casi ya algo más de muy poco volumen (siendo muy poco volumen, como si quisieras tocar en casa a las 3 de la madrugada). Acostumbrándote a lo que da, está bien. Pero nosotros decidimos poner una etapa preatenuadora (des/activable) antes, para que el volumen que le llegue esté reducido primeramente, persiguiendo así que tenga un mayor giro útil. Pero si has leído los mensajes recientes, sabrás que sólo lo he probado yo, con un ampli de 1/2W, y la preatenuación se come esa señal.
En cuanto al sonido, esta muy bien. El efecto del condensador para que no se pierdan los agudos a volumenes bajos, es efectivo.
Te lo pillas más barato por tu cuenta en Tube-Town. Si te esperas un poco, lo mismo lo analizamos/revisamos, como con lupa, en nada de tiempo. Porque a mi no me convence, sin llegar a calcular, el valor de la resistencia dummy que lleva en su diseño original.
En cuanto al sonido, esta muy bien. El efecto del condensador para que no se pierdan los agudos a volumenes bajos, es efectivo.
Te lo pillas más barato por tu cuenta en Tube-Town. Si te esperas un poco, lo mismo lo analizamos/revisamos, como con lupa, en nada de tiempo. Porque a mi no me convence, sin llegar a calcular, el valor de la resistencia dummy que lleva en su diseño original.
Y esta es una explicación del funcionamiento que tenía guardada para ponerla por aquí, en el momento definitivo.
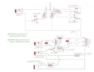
El núcleo de este atenuador es un l-pad variable. Y este tipo de dispositivo se fabrica de tipo lineal. Es decir, la atenuación que produce, los decibelios que se aplican, crecen de forma lineal con su giro. Pero los decibelios guardan una relación logarítmica con el volumen. Así, aplicar -6dB reducen a 2/3 del volumen, -10dB reducen a la mitad del volumen y -20db reducen a un cuarto del volumen. Debido a ese carácter lineal del l-pad variable, 3/4 partes de su giro aún se corresponden a niveles de volumen altos, con poca apreciación de la atenuación en ese rango, y en el 1/4 que queda, un margen muy reducido, se encuentra la mayor atenuación, hasta cero, percibiéndose ahí los volumenes medios y bajos. La sensación general es que en muy poco giro está la atenuación más efectiva, quedando el ajuste poco suave. Entonces, para incrementar el rango de giro con atenuación perceptible, el circuito consta de una etapa preatenuadora, que aplica una reducción aproximada de -20db antes de la atenuación por el l-pad. Esto es, se reduce el volumen aproximadamente a un cuarto y luego pasa a regularse el resto con el l-pad. Así el l-pad, donde giraba sin apenas afectar al volumen, ahora tendría una señal más baja sobre la que actuar, siendo más amplio el rango de giro con efecto de volúmenes medios y bajos. Así da una sensación de ajuste más suave. Esa etapa preatenuadora se puede activar/desactivar con un switch que se dispone para tal efecto, si se desean volúmenes más altos.
Este circuito es válido para amplificadores con impedancia de salida de 4 y 8 ohmios. Dispone de un switch para seleccionar entre esas dos impedancias. En el esquema, el switch está en la posición de 4 ohmios. Asegura que el amplificiador encuentra una carga de 4 u 8 ohmios, según el caso, con y sin la presencia de la etapa preatenuadora. Y de forma independiente al nivel de atenuación que se ajuste.
Sólo hay que tener cuidado de hacer la selección adecuada al amplificador con el que se va a utilizar. El riesgo está en utilizar un amplificador con salida de 8 ohmios y ponerle una carga inferior a esos 8 ohmios. Por ejemplo, poner el selector en la posición de 4 ohmios. O no usar el atenuador y enchufar una pantalla o altavoz de 4 ohmios en vez 8.
Este circuito atenuador dispone de una salida en línea, line-out, además de la salida para el altavoz o pantalla. Esta salida se puede utilizar para conectar a la entrada de un segundo amplificador y usar el primero como previo, conectar a la entrada de una mesa de mezclas, de una tarjeta de sonido de ordenador, etc. Lo normal será que se use esta salida y no se desee escuchar el sonido por el altavoz o pantalla, sino por el dispositivo conectado por el line-out. El circuito permite desconectar el altavoz. Dispone de unas resistencias de carga que sustituyen al altavoz cuando éste no está presente, para la estabilidad del circuito y el amplificador. El mismo switch que sirve para seleccionar la impedancia del atenuador, sirve para seleccionar la impedancia de la carga que habrá a la salida del circuito, en el caso de desconectar el altavoz. Sólo hay que señalar como aconsejable (*), activar la presencia de la etapa preatenuadora si se va a desconectar el altavoz. Con ello se permite ajustar el l-pad al mínimo de atenuación y así se libera a este dispositivo del trabajo de disipar la potencia, labor que quedaría entre las resistencias de carga, a la salida, y las de la etapa atenuadora. (^) Aconsejable para 4 ohmios. Opcional para 8 ohmios.
El núcleo de este atenuador es un l-pad variable. Y este tipo de dispositivo se fabrica de tipo lineal. Es decir, la atenuación que produce, los decibelios que se aplican, crecen de forma lineal con su giro. Pero los decibelios guardan una relación logarítmica con el volumen. Así, aplicar -6dB reducen a 2/3 del volumen, -10dB reducen a la mitad del volumen y -20db reducen a un cuarto del volumen. Debido a ese carácter lineal del l-pad variable, 3/4 partes de su giro aún se corresponden a niveles de volumen altos, con poca apreciación de la atenuación en ese rango, y en el 1/4 que queda, un margen muy reducido, se encuentra la mayor atenuación, hasta cero, percibiéndose ahí los volumenes medios y bajos. La sensación general es que en muy poco giro está la atenuación más efectiva, quedando el ajuste poco suave. Entonces, para incrementar el rango de giro con atenuación perceptible, el circuito consta de una etapa preatenuadora, que aplica una reducción aproximada de -20db antes de la atenuación por el l-pad. Esto es, se reduce el volumen aproximadamente a un cuarto y luego pasa a regularse el resto con el l-pad. Así el l-pad, donde giraba sin apenas afectar al volumen, ahora tendría una señal más baja sobre la que actuar, siendo más amplio el rango de giro con efecto de volúmenes medios y bajos. Así da una sensación de ajuste más suave. Esa etapa preatenuadora se puede activar/desactivar con un switch que se dispone para tal efecto, si se desean volúmenes más altos.
Este circuito es válido para amplificadores con impedancia de salida de 4 y 8 ohmios. Dispone de un switch para seleccionar entre esas dos impedancias. En el esquema, el switch está en la posición de 4 ohmios. Asegura que el amplificiador encuentra una carga de 4 u 8 ohmios, según el caso, con y sin la presencia de la etapa preatenuadora. Y de forma independiente al nivel de atenuación que se ajuste.
Sólo hay que tener cuidado de hacer la selección adecuada al amplificador con el que se va a utilizar. El riesgo está en utilizar un amplificador con salida de 8 ohmios y ponerle una carga inferior a esos 8 ohmios. Por ejemplo, poner el selector en la posición de 4 ohmios. O no usar el atenuador y enchufar una pantalla o altavoz de 4 ohmios en vez 8.
Este circuito atenuador dispone de una salida en línea, line-out, además de la salida para el altavoz o pantalla. Esta salida se puede utilizar para conectar a la entrada de un segundo amplificador y usar el primero como previo, conectar a la entrada de una mesa de mezclas, de una tarjeta de sonido de ordenador, etc. Lo normal será que se use esta salida y no se desee escuchar el sonido por el altavoz o pantalla, sino por el dispositivo conectado por el line-out. El circuito permite desconectar el altavoz. Dispone de unas resistencias de carga que sustituyen al altavoz cuando éste no está presente, para la estabilidad del circuito y el amplificador. El mismo switch que sirve para seleccionar la impedancia del atenuador, sirve para seleccionar la impedancia de la carga que habrá a la salida del circuito, en el caso de desconectar el altavoz. Sólo hay que señalar como aconsejable (*), activar la presencia de la etapa preatenuadora si se va a desconectar el altavoz. Con ello se permite ajustar el l-pad al mínimo de atenuación y así se libera a este dispositivo del trabajo de disipar la potencia, labor que quedaría entre las resistencias de carga, a la salida, y las de la etapa atenuadora. (^) Aconsejable para 4 ohmios. Opcional para 8 ohmios.
#163 Me parece cojonudo el esquema tio. Al final has desechado el asunto de la reamplificacion con transistores? De momento voy a esperar a mi kit, pero si tu pruebas este en condiciones y el resultado es bueno.. igual me animo a hacermelo!! :P
Como sugerencia.. creo que al preatenuador.. le has puesto unos valores muy altos. -20dB yo creo que es demasiado. Comprendo la aplicacion practica que le vas a dar tu, que es para casa, pero para un ensayo por ejemplo.. estas atenuando demasiado yo creo. Mi aplicacion por ejemplo no es tocar en casa. Es poder tocar en el local, con un ampli de 50W y poder poner el master a la mitad (ahora imposible).
De todas formas me parece un circuito cojonudo, e igualmente no hay ningun problema a la hora de cambiar los valores de las resistencias. Ya nos contaras cuando lo pruebes en condiciones!!
Como sugerencia.. creo que al preatenuador.. le has puesto unos valores muy altos. -20dB yo creo que es demasiado. Comprendo la aplicacion practica que le vas a dar tu, que es para casa, pero para un ensayo por ejemplo.. estas atenuando demasiado yo creo. Mi aplicacion por ejemplo no es tocar en casa. Es poder tocar en el local, con un ampli de 50W y poder poner el master a la mitad (ahora imposible).
De todas formas me parece un circuito cojonudo, e igualmente no hay ningun problema a la hora de cambiar los valores de las resistencias. Ya nos contaras cuando lo pruebes en condiciones!!
#164 Tienes razón en todo lo que dices. Salvo en lo de desechar el atenuador reamplificado. Tengo todos los componentes para montarlo. Pongo su esquema también.
Esperamos que ese preatenuador de -20dB nos sirva para casa, sí. A ver lo que hace con valvulares de 5W. Y si se necesita menos atenuación, desactivándolo, el lpad funcionando solo va bien. Lo único es lo de la respuesta según su giro. Pero para local de ensayo seguro que es efectivo.
Esperamos que ese preatenuador de -20dB nos sirva para casa, sí. A ver lo que hace con valvulares de 5W. Y si se necesita menos atenuación, desactivándolo, el lpad funcionando solo va bien. Lo único es lo de la respuesta según su giro. Pero para local de ensayo seguro que es efectivo.
La verdad es que es la putada, ya tienes que andar alimentando el cacharro y son mas cables.....pero no se, a mi lo de meterle transistores de por medio....
Una cuestion, se podria hacer entonces un atenuador fijo con una o varias resistencias?? Por porner un ejemplo, poner en paralelo una resistencia de 8Ohm y 50w (que seguramente no las haya y habria que utilizar un conjunto) y se acabo??? En teoria caeria la mitad de pontecia en el bafle y la otra mitad en la/s resistencia/s. Y atenuaria la mitad justa, que yo creo que ya quitaria bastante.
Una cuestion, se podria hacer entonces un atenuador fijo con una o varias resistencias?? Por porner un ejemplo, poner en paralelo una resistencia de 8Ohm y 50w (que seguramente no las haya y habria que utilizar un conjunto) y se acabo??? En teoria caeria la mitad de pontecia en el bafle y la otra mitad en la/s resistencia/s. Y atenuaria la mitad justa, que yo creo que ya quitaria bastante.
Nuevo post
Regístrate o identifícate para poder postear en este hilo
