Atenuador

guitfan
por el 26/07/2012
En este punto, para ayudar a quien esté leyendo por aquí, repito los esquemas clave para la solución correcta.

Primero el esquema del montaje de Tube-Town

[ Imagen externa no disponible ]

Y luego los esquemas de cálculos de carga para las posiciones 1, 2 y 4 del atenuador, hecho por una persona que le echó una mano a neiklot. No voy a entrar ahora en los detalles de estos subesquemas o cálculos, ya que a continuación voy a poner los pasos del proceso de cálculo realizado por mí mismo, tras encontrar el error. Simplemente decir que lo que aparece en esas imágenes es correcto.

[ Imagen externa no disponible ]
[ Imagen externa no disponible ]
OFERTAS EN TIENDAS Ver todas
  • -6%
    Electro Harmonix Bass Preacher
    62 €
    Ver oferta
  • -45%
    Hughes & Kettner Spirit of Rock
    48 €
    Ver oferta
  • -13%
    Harley Benton Fusion-T HH Roasted FNT
    349 €
    Ver oferta
SEGUNDA MANO EN MERCASONIC Ver todo
  • Amplificador Blackstar Debut 50R
    140 €
    Ver
  • TC Electronic Ditto Looper 2013 - Present Black
    50 €
    Ver
  • Guitarra acústica Yamaha FG820L
    330 €
    Ver
¿Tienes equipo que ya no usas? Véndelo en Mercasonic
guitfan
por el 26/07/2012
Vamos a suponer que tenemos una impedancia de salida en el ampli, de 8 ohmios. Ponemos en el atenuador un altavoz de 8 ohmios y en el switch S3 seleccionamos la posición para 8 ohmios.

Lo demás, que no aparece, es porque no afecta al cálculo de la carga.
guitfan
por el 26/07/2012
borrado
guitfan
por el 26/07/2012
POSICIÓN 1: El switch S2 lo ponemos en la posición 1.

[ Imagen externa no disponible ]

Vemos que de R1 a R6 están en serie, luego las sumamos R1+R2+R3+R4+R5+R6 = 25,3

[ Imagen externa no disponible ]
guitfan
por el 26/07/2012
Al poner el switch S2 en la posición 1, vemos que queda una conexión directa (cable, sin componentes ni nodos), con resistencia 0, en paralelo con la R9. Cualquier resistencia en paralelo con un cable (cable = resistencia 0) es como su no estuviera la resistencia. La corriente prefiere ir por el cable (que no tiene resistencia). Lógico, ¿no?. Además, la resistencia equivalente, de una combinación en paralelo, que es el producto de las resistencias dividido entre la suma de las mismas, daría, (0 x R9) / (0 + R9) = (0 x 8) / (0 + 8) = 0 / 8 = 0 = ninguna resistencia (no nada, sino un cable). Quedando entonces

[ Imagen externa no disponible ]

Y esto es 25,3 en paralelo con los 8 ohmios del altavoz. La resistencia equivalente de ese paralelo será (25,3 x 8) / (25,3 + 8)= 202,4 / 33,3 = 6,08 ohmios.

Que el ampli, con salida de 8 ohmios, vea una carga de 6,08 (es decir, inferior a su impedancia de salida) , no es bueno. Corre peligro el trafo de salida, p.e. No es bueno que la carga del ampli sea inferior a la impedancia de salida del ampli. Pero veremos que en el resto de posiciones la carga es más correcta. Pensemos que la posición 1 del selector de atenuación no la usaremos porque ahí atenúa poco de todas formas.
neiklot
por el 26/07/2012
He de decir chicos, que tras la euforia inicial, he dejado de usar el atenuador.. basicamente porque jugando con el ampli, he cambiado de guitarra y tal.. ahora me gusta mas el sonido sin atenuador. Sabeis que estas cosas no se ven a la primera el primer dia, con lo cual a base de probar y probar y probar.. me di cuenta de que jugando con las ecualizaciones y los volumenes y las ganancias.. al final conseguia un sonido que me gustaba mas sin atenuador que con el, a un volumen similar y muy tocable.

Lo hice funcionar y lo estuve usando un par de meses y tal.. pero ahora mismo he dejado de usarlo.
1 respuesta directa
guitfan
por el 26/07/2012
POSICIÓN 2: En la posición 2 de S2, la unión con el altavoz ahora se hace entre R1 y R2.

[ Imagen externa no disponible ]

Ahora sólo tenemos en serie desde R2 a R6. Ya R1 no, porque está separada por el nodo con el altavoz. Sumamos de R2 a R6 = 19,7

[ Imagen externa no disponible ]

Hay que ir resolviendo equivalencias entre las resistencias.

Tenemos que entre los puntos A y B, R1 y R9 están en paralelo, Luego R1//R9 = (R1 x R9) / (R1 + R9) = (5,6 x 8) / (5,6 + 8) = 44,8 / 13,6 = 3,294 ohmios.

[ Imagen externa no disponible ]

Sustituimos R1 y R9 entre A y B con su equivalente R1//R9 y además vemos que el punto B es el mismo que C, pues no hay elemento alguno entre ellos (que dé una diferencia de voltaje entre ellos).

Por lo menos mi error era considerar que la equivalente R1//R9 = 3,294 estaba en serie con el altavoz (y entonces calculaba la resistencia equivalente de esa combinación serie, 3,294 + 8). Pero no es así. R1//R9 sí está en serie pero con la combinación en paralelo de la de 19,7 con el altavoz de 8.
guitfan
por el 26/07/2012
Decía que R1//R9 no estaba en serie con el altavoz solo y, por el mismo motivo, tampoco con la resistencia de 19,7, Pero R1//R9 sí está en serie con la combinación de la de 19,7 en paralelo con el altavoz.

[ Imagen externa no disponible ]

Luego lo siguiente es hallar la equivalencia de 19,7 en paralelo con el altavoz. 19,7 // 8 = (19,7 * 8) + (19,7 + 8) = 157,6 / 27,7 = 5,68 ohmios

[ Imagen externa no disponible ]

Ahora nos quedan dos resistencias en serie. Su equivalente es la suma, luego 3,294 + 5,68 = 8,974 ohmios de carga total.

Luego en la posición 2 de S2, para una impedancia de 8 a la salida del ampli, y un altavoz de 8 en el atenuador, la carga que ve el ampli es 8,974 ohmios. Es un poco mayor de los 8 ohmios de su impedancia de salida, pero en la práctica esa diferencia no es problema. Para el ampli no es tan malo encontrarse una carga mayor que su impedancia de salida (al contrario que sí lo es una carga menor que la impedancia de salida). La diferencia realmente es poca.

Lo que no debe ocurrir es que esa carga mayor, sea mucho mayor, muy alta. Y nunca, never and ever, nunca debe darse una carga tan grande como infinito (un ocho tumbado ;D), que corresponde a no conectar nada a la salida del ampli.
guitfan
por el 26/07/2012
POSICIÓN 4: Tomemos esta posición como último ejemplo.

[ Imagen externa no disponible ]

¿Qué combinaciones tenemos aquí?

Aquí ya he puesto directamente la etiqueta B en dos puntos, pero que no son dos realmente, sino uno mismo. Igual que en el caso anterior, como es una conexión directa, sin nada en medio, todo eso es lo mismo. El mismo punto.

Vemos que de R1 a R3 están en serie. Sólo esas tres. R9 no está en serie con ellas porque en medio está la conexión con el ampli. Y R4 y las siguientes tampoco están en serie con las tres primeras porque están separadas por la unión con el altavoz. Pero de R4 a R6 sí están en serie entre ellas. Por lo que al final podemos seguir con R1+R2+R3 = 15,9, y por otro lado, R4+R5+R6 = 9,4.

[ Imagen externa no disponible ]

Ahora vemos que entre A y B tenemos la equivalencia 15,9 en paralelo con R9 (15,9//R9). Y entre B y tierra tenemos en paralelo la equivalencia 9,4 y el altavoz (9,4//altavoz).

15,9// R9 = (15,9 * 8) / (15,9 + 8) = 127,2 / 23,9 = 5,32

9,4//altavoz = (9,4 * 8) / (9,4 + 8) = 75,2 / 17,4 = 4,32

[ Imagen externa no disponible ]

Finalmente tenemos dos resistencias en serie, luego la suma será la carga que ve el ampli en la posición 4 y tal y tal... 5,32 + 4, 32 = 9,64 ohmios de carga. También mayor que los 8 ohmios ideales, pero igual que he dicho para la posición 2, no es muy grave ese exceso en la carga.
guitfan
por el 26/07/2012
neiklot escribió:
He de decir chicos, que tras la euforia inicial, he dejado de usar el atenuador.. basicamente porque jugando con el ampli, he cambiado de guitarra y tal.. ahora me gusta mas el sonido sin atenuador. Sabeis que estas cosas no se ven a la primera el primer dia, con lo cual a base de probar y probar y probar.. me di cuenta de que jugando con las ecualizaciones y los volumenes y las ganancias.. al final conseguia un sonido que me gustaba mas sin atenuador que con el, a un volumen similar y muy tocable.

Lo hice funcionar y lo estuve usando un par de meses y tal.. pero ahora mismo he dejado de usarlo.


Bueno, compañero, eso son cosas de las circunstancias, que pueden variar.

Yo para usar en casa, sí prefiero atenuar cualquiera de los valvulares que tengo, porque con sus 5W la cosa es insostenible. En cambio, acabo de comprarme el combo Fender Greta, de 2W, y no tiene pinta que necesite atenuarlo. Cruje bien bonico el solo a volúmenes no muy altos.
guitfan
por el 26/07/2012
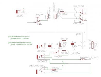
Bueno, ¿y ahora qué?

Ya he encontrado mi error en los cálculos sobre el atenuador de Tube-Town/neiklot/fernando, y por ejemplo neiklot ahora no lo usa ya. ¡jejeje! Bueno, cosas de la vida. Pero yo si tengo que seguir pa´lante.

Tenía hecho este diseño de atenuador variable usando un LPAD, y cuando lo diseñé con la ayuda del compañero marcelote, "aparentemente" las resistencias equivalentes,..., y la carga total, nos salían con valores correctos para todas las posibles combinaciones de configuración/selección del chisme.
Archivos adjuntos ( para descargar)
atenuador_v3.JPG
guitfan
por el 26/07/2012
Pero una vez montado el chisme, al poner un polímetro midiendo la resistencia (carga) que se encontraría el ampli en los terminales donde éste se conectaría, resulta que el polímetro indica cargas incorrectas (inferiores a la impedancia mínima, para cada caso) y que descuadraban con los cálculos teóricos.

Como ya he comprobado con el esquema de neiklot, me equivoqué ya una vez en los cálculos. Así que también pude equivocarme en los cálculos que en su momento hice junto a marcelote. O los cálculos podrían estar bien, pero el montaje estar mal. Podría ser. Pero he de recordar que ese montaje lo hemos realizado "físicamente", en la práctica real, dos personas distintas, que vivimos en ciudades distintas, cada uno de su padre y de su madre, y cada uno interpretando el esquema, sin influir el uno en la interpretación del otro, y a ambos nos salen mediciones raras. ¿Las mismas mediciones? Eso no lo sé porque no hay webs... de que nos pongamos de acuerdo para comunicarnos y comparar las mediciones de cada uno. Pero quizá es más probable que ambos hayamos coincidido en el montaje, pero que el esquema teórico esté equivocado.

Así que ahora que tengo, o tenemos, un poco más de práctica calculando resistencias equivalentes y cargas, a ver si es posible hacerle los cálculos a nuestro esquema, para las distintas combinaciones que los switches permiten, a ver qué dicen ahora las cuentas.
Nuevo post

Regístrate o para poder postear en este hilo