¿que ampli vas a modificar a fender twin un peavey?? no conozco ese modelo, estaria guay que hicieras un esquema marcando las tensiones que tienes entre los anodos de cada triodo y masa, supongo que solo modificaras el previo, de la etapa no creo que toques nada.
Preamplificador Fender Twin
OFERTAS Ver todas
-
-12%Universal Audio UAFX Lion 68 Super Lead Amp
-
-20%tc electronic Hall of Fame 2
-
-7%Harley Benton SC‑Custom III Active VBK
Si es un Peavey muy sencillo, ya no está a la venta y la verdad que no he visto muchos por ahí.
La idea es modificar solo el previo.
Aunque si hay alguna mejora para la etapa.
También sería interesante añadirle un line out para poder grabar y un loop.
Adjunto un par de fotos del amplificador original, el mío está convertido ahora en cabezal. No pongo fotos porque lo tengo desmontado.
La idea es modificar solo el previo.
Aunque si hay alguna mejora para la etapa.
También sería interesante añadirle un line out para poder grabar y un loop.
Adjunto un par de fotos del amplificador original, el mío está convertido ahora en cabezal. No pongo fotos porque lo tengo desmontado.
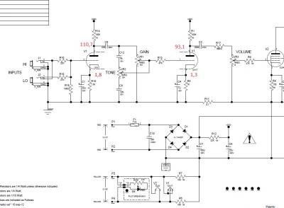
podemos comparar los dos esquemas, como veo que salen las tensiones que tienes en los anodos, no debe ser muy dificil, mas que nada lo que tendras que cambiar son las resistencias y los condensadores de los catodos si acaso, auque son valores muy parecidos y, sobre todo y muy importante, tienes que añadir el tonestack que creo que iva entre medias de los dos triodos, ahi tendrias que hacerte una plaquita con todas las resistencias y condensadores que hay en el tonestack y de ahi salidrias para el segundo triodo, creo que sera tan facil como meterle un pequeño corte a tu pcb para irrumpir con un tonestack, entrar a la salida de v1 y a la salida entrar en v2.
las tensiones que tienes tu en tu pre creo que eran 250v en los anodos de las valvulas, el pre fender twin tambien tiene esas tensiones, asi que creo que vamos bien.
pd ¿solo tiene control de volumen, ni control de tono ni gain ni nada? la gracia de estos amplificadores esta en usarlos con pedales de distorsion buenos como el ts9, por que para meterle un pre jcm800 y que suene perfecto habria que añadir una entrada entre la valvula de potencia y la del previo para asi pasar directamente del pre a la potencia.
las tensiones que tienes tu en tu pre creo que eran 250v en los anodos de las valvulas, el pre fender twin tambien tiene esas tensiones, asi que creo que vamos bien.
pd ¿solo tiene control de volumen, ni control de tono ni gain ni nada? la gracia de estos amplificadores esta en usarlos con pedales de distorsion buenos como el ts9, por que para meterle un pre jcm800 y que suene perfecto habria que añadir una entrada entre la valvula de potencia y la del previo para asi pasar directamente del pre a la potencia.
echale un ojo a ver que te parece, yo para que fuese como el fender cambiaria todo esto y añadiria el tonestack justo aqui, si te fijas he estado comparando los dos esquemas, el tuyo y el de abajo que es del twin, me gustaria que lo viera alguien que entienda y me diga si es correcto, yo estoy casi seguro de que lo he hecho bien, ademas, el previo de tu amplificador trabaja con tensiones muy bajas, en el pre fender creo que entre anodo y masa tienes hasta 250v, dale un toque al forero toni diaz que sabe del tema y que le eche un vistazo a lo que yo hice.
el tema es que yo no tengo muy claro lo que pasaria si bajamos los valores de las resistencias de anodo de los dos triodos, eso serviria para aumentar la tension en los anodos, pero claro, eso conllevaria mayor consumo en el circuito y no se yo si es un consumo suficientemente elevado como para quemar tu transformador de alimentacion, luego te puse en un circulo negro lo que yo no cambiaria, pues es un condensador y una resistencia que acopla entre el previo y la etapa, eso ya son cosas para ir proando despues y probar a ponerlas iguales que las del pre fender, la cosa es ir comparando y cambiar componentes hasta igularlo, lo que yo no me molestaria en cambiar es una resistencia de catodo del segundo triodo que en el pre fender es de 820 ohmios por una de 1k que lleva el tuyo, ahi no vas a notar ninguna diferencia, son valores muy cercanos.
Para el tonestack yo lo que haria es interrumpir en la placa ese punto y hacer una plaquita con el tonestack o, bien soldar todos los componentes en los mismos 3 potenciometros, es un poco mas lioso pero si te lo dibujas en un papel y te lo haces como debe ir luego es ir soldando cada uno y ya esta, luego la salida la llevas a la pcb otra vez y la conectas a la pata del gain, y es que la gracia de este pre no esta en que lo alimentes con mas tension creo, pues la gente cree que los previos suenan mejor con mas voltaje y eso no es verdad, ese tonestack juega un papel muy importante, pues te va a variar el tono de la distorsion segun ecualices, pues ataca atraves del gain al segundo triodo y segun con la ecualizacion que empujes al segundo triodo, asi te sonara la saturacion.
hay otros valores como las resistencias del hi y lo de entrada, esas yo no las tocaria, pues realmente ahi no vas a notar ninguna diferencia, y lo demas pues tampoco hay nada mas que cambiar, si te fijas estos dos previos se dan un aire, la diferencia mas notable es el tonestack y el condensador del catodo del segundo triodo que, en el pre fender es de 22uf y te dara mas distorsion.
el tema es que yo no tengo muy claro lo que pasaria si bajamos los valores de las resistencias de anodo de los dos triodos, eso serviria para aumentar la tension en los anodos, pero claro, eso conllevaria mayor consumo en el circuito y no se yo si es un consumo suficientemente elevado como para quemar tu transformador de alimentacion, luego te puse en un circulo negro lo que yo no cambiaria, pues es un condensador y una resistencia que acopla entre el previo y la etapa, eso ya son cosas para ir proando despues y probar a ponerlas iguales que las del pre fender, la cosa es ir comparando y cambiar componentes hasta igularlo, lo que yo no me molestaria en cambiar es una resistencia de catodo del segundo triodo que en el pre fender es de 820 ohmios por una de 1k que lleva el tuyo, ahi no vas a notar ninguna diferencia, son valores muy cercanos.
Para el tonestack yo lo que haria es interrumpir en la placa ese punto y hacer una plaquita con el tonestack o, bien soldar todos los componentes en los mismos 3 potenciometros, es un poco mas lioso pero si te lo dibujas en un papel y te lo haces como debe ir luego es ir soldando cada uno y ya esta, luego la salida la llevas a la pcb otra vez y la conectas a la pata del gain, y es que la gracia de este pre no esta en que lo alimentes con mas tension creo, pues la gente cree que los previos suenan mejor con mas voltaje y eso no es verdad, ese tonestack juega un papel muy importante, pues te va a variar el tono de la distorsion segun ecualices, pues ataca atraves del gain al segundo triodo y segun con la ecualizacion que empujes al segundo triodo, asi te sonara la saturacion.
hay otros valores como las resistencias del hi y lo de entrada, esas yo no las tocaria, pues realmente ahi no vas a notar ninguna diferencia, y lo demas pues tampoco hay nada mas que cambiar, si te fijas estos dos previos se dan un aire, la diferencia mas notable es el tonestack y el condensador del catodo del segundo triodo que, en el pre fender es de 22uf y te dara mas distorsion.
Hola compas, estoy de acuerdo con todo lo que comenta tony, solo un par de cosas. Cambiar un control de tono implica una perdida de ganancia por lo que no es mala idea bajar la resistencia de catodo para compensar. La tension de anodo es un poco corta intenta subirla reduciendo las resistencias de alimentación y la resistencia de 1M en serie a la salida quita mucho volumen.
Este amplificador me parece una maravilla para modificar asi como el epiphone valve junior, adelante que no puedes fallar
Este amplificador me parece una maravilla para modificar asi como el epiphone valve junior, adelante que no puedes fallar
Sorry se me olvidaba, tonestack calculator http://www.duncanamps.com/tsc/ seguro que lo conoceis pero porsi
▶
1 respuesta directa
gracias toni, ¿eso de aumentar la tension de los anodos se podria solucionar quitando las resistencias de 100k de anodos y poniendolas de 47k? por lo que comentas del tonestack de la perdida de volumen tambien se podria solucionar creo bajando el valor de la resistencia de 1M que hay justo antes de pote de volumen ¿no?
Nuevo post
Regístrate o identifícate para poder postear en este hilo
