Es decir, para analizar la rama de agudos vemos que hay que fijarse antes en el control de bajos, ya que éste afecta a la frecuencia de corte. Si bajamos el Bass, la frecuencia de corte sube: es decir, si subimos el Bass, las frecuencias entre 274 y 1441 Hz irán pasando de atenuarse a no atenuarse, con lo que el sonido ganará en graves.
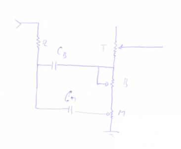
Funcionamiento de un tone stack fmv
OFERTAS Ver todas
-
-15%Hughes&Kettner TubeMeister Deluxe 40
-
-12%Universal Audio UAFX Lion 68 Super Lead Amp
-
-17%Daddario NYXL45105 Bass Set
Si ahora nos fijamos en la flecha del control de Treble, vemos que es sólo un divisor de tensión. Es decir, el control de treble atenúa más o menos las frecuencias que atraviesan el filtro pasaaltos que acabamos de analizar, pero no afecta a la frecuencia de corte.
Si el treble está al máximo no atenúa nada, y si está al mínimo la fómula del divisor de tensión será (B + M)/(T+B+M) = 81%.
En resumen, la frecuencia de corte del control de agudos la fija el control B, y el control T hace que estas frecuencias que se consideran agudas varíen entre un 81% y un 100% de su intensidad.
Gráficamente sería algo así
Si el treble está al máximo no atenúa nada, y si está al mínimo la fómula del divisor de tensión será (B + M)/(T+B+M) = 81%.
En resumen, la frecuencia de corte del control de agudos la fija el control B, y el control T hace que estas frecuencias que se consideran agudas varíen entre un 81% y un 100% de su intensidad.
Gráficamente sería algo así
Si pasamos de Bass al mínimo a Bass al máximo seguimos el camino de las flechas rojas, que altera la frecuencia de corte sin alterar la ganancia general, y si pasamos del Treble al máximo al Treble al mínimo seguimos el camino de las flechas verdes, alterando la ganancia general pero no la frecuencia de corte.
Bueno... ayer me quedé rayado de por qué me salían números distintos en lo que tenía escaneado de hace tiempo y los cálculos que hice ayer... Pensaba que era un tema de precisión de decimales
Ya sé dónde estaba el fallo... en que no entendía mi propia letra!!!
Los cálculos buenos son los del papel, con una resistencia de Treble de 250 k ohm. Los malos son los que puse en la propia entrada del foro, porque los hice con Treble = 210 k ohm.
¡MIL DISCULPAS!
Para no volver a pifiarla, pongo aquí todos los valores buenos:
CT = 470 pF
CB = 22 nF
CM = 22 nF
R = 33 k ohm
T = 250 k ohm
B = 1 M ohm
M = 25 k ohm
Ya sé dónde estaba el fallo... en que no entendía mi propia letra!!!

Los cálculos buenos son los del papel, con una resistencia de Treble de 250 k ohm. Los malos son los que puse en la propia entrada del foro, porque los hice con Treble = 210 k ohm.
¡MIL DISCULPAS!
Para no volver a pifiarla, pongo aquí todos los valores buenos:
CT = 470 pF
CB = 22 nF
CM = 22 nF
R = 33 k ohm
T = 250 k ohm
B = 1 M ohm
M = 25 k ohm
¡Hola de nuevo!
Buenos, después del finde y de haber aclarado un poco la cabeza volvemos a la carga.
Si en las ultimas entradas vimos lo que pasaba con los agudos, ¿qué pasa con las frecuencias que eran recortadas por ese filtro? ¿Desaparecen sin más?
Ya intuís la respuesta...
Toda esa señal intentará pasar por las otras ramas. Para analizarlo, podemos simplificar el circuito de la siguiente manera, quitando la rama de agudos anteriormente analizada
Buenos, después del finde y de haber aclarado un poco la cabeza volvemos a la carga.
Si en las ultimas entradas vimos lo que pasaba con los agudos, ¿qué pasa con las frecuencias que eran recortadas por ese filtro? ¿Desaparecen sin más?
Ya intuís la respuesta...
Toda esa señal intentará pasar por las otras ramas. Para analizarlo, podemos simplificar el circuito de la siguiente manera, quitando la rama de agudos anteriormente analizada
Si el control de medios M está al mínimo, es decir, a tierra, R y CM actúan como un filtro pasabajos, y la salida de este filtro alimenta a CB. Si el control de medios no está al mínimo también será un filtro pasabajos, pero el valor de la resistencia en este caso será la suma de R más el valor de la resistencia del potenciómetro M entre CM y tierra. Es decir, los valores de la frecuencia de corte de este filtro pasabajos variarán entre estos dos valores
Es decir, lo que esté por debajo de esas frecuencias se llevará al potenciómetro de bajos B, y lo que esté por encima de estas frecuencias se llevará al potenciómetro de medios M. Si este potenciómetro de medios M está con un valor bajo, las frecuencias que pasan por él están muy atenuadas, y si por contra está con un valor alto, las frecuencias que pasan por él apenas se atenúan, porque el valor del divisor de tensión en este caso no es el que va de M a tierra, sino el que va de M a B, que es hacia donde se dirige la salida de la señal.
En resumen, si el potenciómetro M está en un valor bajo, por un lado las frecuencias medias que lo atraviesan se atenúan, y por otro lado las frecuencias que lo atraviesan tienen un ancho de banda más estrecho. O dicho de otra forma, hay menos frecuencias medias y más atenuación de dichas frecuencias medias.
En resumen, si el potenciómetro M está en un valor bajo, por un lado las frecuencias medias que lo atraviesan se atenúan, y por otro lado las frecuencias que lo atraviesan tienen un ancho de banda más estrecho. O dicho de otra forma, hay menos frecuencias medias y más atenuación de dichas frecuencias medias.
Nuevo post
Regístrate o identifícate para poder postear en este hilo
