Podemos hacer un artificio mental y “desdoblar” esta resistencia en dos resistencias equivalentes. Por ejemplo, un potenciómetro de 1M con el recorrido al 75% (suponiendo que sea lineal el pote) sería equivalente a esto:
Funcionamiento de un tone stack fmv
OFERTAS Ver todas
-
-15%Hughes&Kettner TubeMeister Deluxe 40
-
-12%Universal Audio UAFX Lion 68 Super Lead Amp
-
-17%Daddario NYXL45105 Bass Set
Se ve que la tensión a la salida es una parte de la tensión a la entrada. Si el pote está al 100%, Vout = Vin, y si el pote está al 0% Vout = 0V. Por eso este tipo de circuito (y que no está sólo en potenciómetros, sino en infinidad de aplicaciones electrónicas) se llama divisor de tensión.
Para potenciómetros logarítimicos funciona todo igual, la diferencia es que un 75% del recorrido no se corresponde con un 75% del valor de la resistencia total. Para hacer cálculos exactos necesitaríamos saber qué valor de resistencia corresponde a cada posición del potenciómetro, pero para entender cómo funciona el tone stack utilizaremos en todo momento potenciómetros lineales por sencillez.
Pues con esta información sobre filtros pasaaltos y pasabajos y sobre divisores de tensión se puede comprender cómo funciona todo un tonestack FMV.
Esto es todo por hoy, y hasta aquí la teoría.
Mañana comenzamos "de verdad" con el análisis del tone stack.
¡SALUDOS Y ROCK'N'ROLL!
Para potenciómetros logarítimicos funciona todo igual, la diferencia es que un 75% del recorrido no se corresponde con un 75% del valor de la resistencia total. Para hacer cálculos exactos necesitaríamos saber qué valor de resistencia corresponde a cada posición del potenciómetro, pero para entender cómo funciona el tone stack utilizaremos en todo momento potenciómetros lineales por sencillez.
Pues con esta información sobre filtros pasaaltos y pasabajos y sobre divisores de tensión se puede comprender cómo funciona todo un tonestack FMV.
Esto es todo por hoy, y hasta aquí la teoría.
Mañana comenzamos "de verdad" con el análisis del tone stack.
¡SALUDOS Y ROCK'N'ROLL!
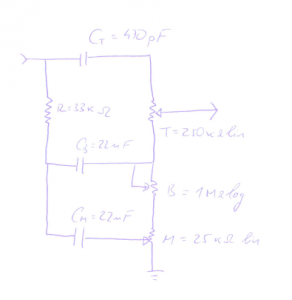
Si la flecha que sale del control de Treble estuviese al máximo, tenemos exactamente el mismo filtro pasaaltos que puse hace unos días, pero en lugar de una resistencia tiene tres en serie cuyo valor equivalente es la suma de las tres.
Si el Bass está al máximo, la resistencia equivalente es T + B + M = 1,235 M ohm. Al meter este valor en la fórmula de la frecuencia de corte tenemos que sale
Si el Bass está al máximo, la resistencia equivalente es T + B + M = 1,235 M ohm. Al meter este valor en la fórmula de la frecuencia de corte tenemos que sale
Nuevo post
Regístrate o identifícate para poder postear en este hilo
