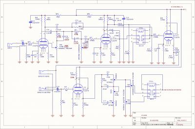
mam escribió:Que condensador sería el equivalente en el JCA50H??( C1 en el JCA2212c )
Pues creo que corresponde al C8 ...
Si no es así, corregidme.
Gracias.





mam escribió:Y el cambio de valvula en V1 se nota. Ahora SI puedo decir que tengo canal limpio y me permite romperlo hasta AC/DC ...
El canal Overdrive es insultantemente bueno, definido, con pegada y muy controlable
, una pregunta de novato total, tengo el modelo de 20 W, si cambio la V1 por otra de menos ganancia consigo mas techo de limpio, eso lo tengo claro, pero ¿el canal overdrive pierde tambien ganancia, o la V1 solo actua en el canal crunch?

Regístrate o identifícate para poder postear en este hilo