¿Como Funciona el FX Loop?

superkiko Baneado
por el 23/10/2013
Saludos Amigos Guitarreros...

Siempre me he preguntado si los amplificadores tienen distorsion... como puedo poner otros efectos antes o despues del efecto que ya tiene el amplificador.. le pregunte a alguien y me dijo que para eso sirve el FXLoop dos entradas que tienen algunos amplificadores en la parte posterior... Es verdad... como funciona esto..

Ayudenme por favor, cuenten sus experiencias y comente todo al respexto del FX Loop

MIL GRACIAS...
OFERTAS EN TIENDAS Ver todas
  • -6%
    Electro Harmonix Bass Preacher
    62 €
    Ver oferta
  • -45%
    Hughes & Kettner Spirit of Rock
    48 €
    Ver oferta
  • -11%
    Harley Benton Agufish STD Signature BK
    399 €
    Ver oferta
SEGUNDA MANO EN MERCASONIC Ver todo
  • Guitarra clásica española Francisco Bros — B70 Edición Limitada Chocolate
    650 €
    Ver
  • Fender electroacústica FA-125CE
    140 €
    Ver
  • Dipinto Belvedere Deluxe americana
    1.200 €
    Ver
¿Tienes equipo que ya no usas? Véndelo en Mercasonic
Enki
por el 23/10/2013
Simplificando de forma brutal, el FX-Loop sirve para poder meter las modulaciones de sonido entre el previo y la etapa de forma límpia.

Por el send se envía la señal al aparato o conjunto de aparatos que vayas a usar para modular la señal que viene del previo y posteriormente se devuelve al return para que entre a la etapa de potencia y se amplifique, fin de la historia :)
timothymagnussen
por el 23/10/2013
Es un by-pass entre el previo y la etapa de potencia.

En otras palabras...

Como guitarrista lo que te interesa saber es el resultado sonoro. Tu amplificador consta de dos partes fundamentales: el previo (preamp) y la etapa de potencia (power amp) y ya sabes que el previo es donde se genera la mayoría de la distorsión, ya sea valvular o de transistores. Efectos que afectan la distorsión casi siempre se meten en el preamp, la entrada normal del amplificador, y afecta así a la distorsión. Lo mismo vale para Wah, Phaser (algunos dirán que no) y pitch shifting.

Sin embargo, un efecto como el echo/delay no vas a querer distorsionar las repeticiones sino que querrás repetir los tonos distorsionados para que así sean limpios y ahí es donde entra en función un FX Loop. Coge la señal del previo (distorsionada) la hace pasar por los efectos de la cadena FX Loop y luego la devuelve a la sección de amplificación.
superkiko Baneado
por el 23/10/2013
En Resumen...

de la guitarra sale el cable y le contecto a:

compensador, wah, luego sale el cable y se conecta al puerto normal del amp...

luego en la parte trasera de amp en send de FX LOOP conecto un cable y pongo:

un chorus, delay, reverb, noise gate y sale un cable y se coneta al return del FX LOOP de la parte trasera del amp

eso seria asi..

corriganme si estoy mal..

gracias mil...
jfmc25
por el 24/10/2013
Mas o menos, pero tengo entendido que el Noise Gate va antes del dispositivo que te genere mas ruido
Ikazategi
por el 24/10/2013
superkiko,

Lo que dices, es una buena configuración . Puedes usarlo así.

La puerta de ruido, depende lo que quieras conseguir. A mi me gusta más al principio de la cadena, por que bien ajustado, quita bastante ruido (seguirá soplando el zumbido típico de la distorsión) pero respeta mucho más la dinamica que al final de la cadena. Pero esto es para gustos, depende que busques.

Un saludo!
autopilot1678
por el 25/10/2013
"superkiko" escribió:
En Resumen...

de la guitarra sale el cable y le contecto a:

compensador, wah, luego sale el cable y se conecta al puerto normal del amp...

luego en la parte trasera de amp en send de FX LOOP conecto un cable y pongo:

un chorus, delay, reverb, noise gate y sale un cable y se coneta al return del FX LOOP de la parte trasera del amp

eso seria asi..

corriganme si estoy mal..

gracias mil...


Adicionalmente a los comentarios acertados de los compañeros, existen algunos amplis que tienen un potenciometro de mezcla de señal del loop FX... es decir que puedes ajustar la cantidad de señal de los efectos conectados al loop que será procesada por la etapa de potencia... algo muy util sobre todo en directo.
pititismo Baneado
por el 15/02/2014
Hola, rengo una duda. Ahora mismo tengo dos cabezales: 1 Marshall mf 350 (previo a valvulas y etapa de transistores) y un Buguera 6262 (todo a valvulas) me pregunto si podria enchufar la salida del previo del marshar (tiene salida de jack y xlr) a la etapa de valvulas del Buguera y he pensado: prodria enchufarlo al fx return para que vaya directo a la etapa? pasaria algo por no tener nada enchufado en el input del Buguera? Por cierto, este Marshall no necesita tener un altavoz conectado para funcionar, es una maravilla!!! Aun asi quiero ver como suena ese previo con una etapa de valvulas...
Jesús Armas
por el 22/04/2015
Soy de los que piensa que un resultado de sonido en el FX Loop de un ampli va excelente con efectos de modulación, sé que estoy redundando lo que algunos han dicho, me encantaría utilizar pedales analógicos ya que con pedaleras multiefectos por muy buena que sea su calidad el espectro sonoro que ofrece un pedal analógico jamás podrá ser comparado pienso que podría haber un excelente resultado con FX Loop si se usasen pedales analógicos...

#JesusArmasOficial
tiziano
por el 12/07/2023
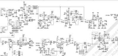
hola, no se mucho de amplis y electrónica, pero estoy armando un previo jcm 800 y lo quiero conectar a un amplificador, pero quiero saber como puedo hacerle un fx loop, gracias
a continuación pongo foto del esquema del previo
Archivos adjuntos ( para descargar)
esquemacutrelux.jpg
Pedro Vecino
por el 12/07/2023
Lo llamas esquema pero no lo es. Es un diagrama con la localización de los componentes (en inglés, un layout).
Un esquema es algo muy diferente (abajo):


Con un esquema un profesional de la electrónica puede interpretar un circuito infinitamente más rápido y mejor que con el diagrama más ordenado. De hecho cualquier diagrama mínimamente complejo es un dolor de cabeza para el técnico ya que para interpretar el circuito obliga a transformarlo en un esquema. Lo digo como curiosidad porque esto a veces cuesta un poco de entender pero es así.

Ese circuito es un preamp de Marshall 2203 sin más. En este modelo, debido a la enorme cantidad de ganancia que puede generar, el loop debe insertarse tras el master volume (o sea, justo en lo que es la salida). Y como la ganancia en el preamp es muy variable (dependiente del ajuste de gain, de la entrada elegida y del ajuste de volumen final) debería tener un control de envío (send) para ajustar el nivel de señal hacia el procesador.
El interés del loop es acomodar la amplitud de la señal para que sea accesible a procesadores y pedales. Estos últimos (que por lo general no tienen un control sobre el nivel de entrada) son los que más exigen que esté entre unos límites predefinidos.

Con un procesador completo (con niveles de sensibilidad y control sobre el nivel de entrada y salida) te lo podrías ahorrar. Lo podrías intercalar directamente entre preamp y etapa. Si el interés es en usar pedales convencionales el loop es imprescindible.

Una posibilidad (la más directa) es usar un loop modular estilo Metropoulos. Se intercala en el circuito y ya lo tienes.
Archivos adjuntos ( para descargar)
Sa_pcb.jpg
Nuevo post

Regístrate o para poder postear en este hilo