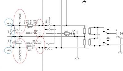
toni diaz escribió:Si mi memoria no me falla eran de 1000 uF una capacidad ridícula para el consumo de ese ampli
Hola,
creo que eran de 2200 uf 50v
Un saludo
toni diaz escribió:gracias a ti campeonjajajaja te has hecho un experto en valvestate, totalmente de acuerdo

Regístrate o identifícate para poder postear en este hilo