Hola a todos, Tengo un amigo que se enamoro del HO y le prometi hacerle uno...casi igual, esta vez voy a tratar de clonar un champ y con valvulas rusas nada menos!! (el modelo AA764 para ser especifico) : Sabemos que el Champ es un amplificador SE con muy buenas carateristicas sonoras y de facil construccuin. La 6H2P (esta H suena N) equivalente a la 12ax7 para el previo y la 6P1P (esta P es la Pi en Cirilico) para la potencia.
Para los que no lo saben la 6H2P es similar a la 12ax7 solo que no tiene posibilidad de alimentanse con 12 volt y solo cuenta dos pines para el filamento (4y 5) para ser alimentado con 6,3 v y la 6p1p es la version noval del 6V6 con muy buen performance. http://img210.imageshack.us/img210/1107/6p1p.gif.
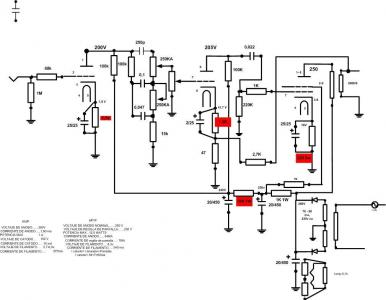
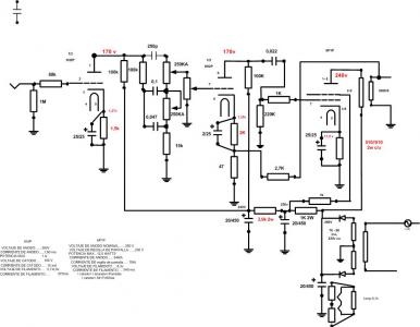
Por supuesto el esquema lleva algunas modificaciones la 6p1p trabaja con 250 voltios en placa y en esquema original la 6v6 se alimenta de 350, por tanto que hay que polarizar la 6p1p a su voltaje nominal de operacion (250V).
Tambien tenemos que disponer de los graficos de voltaje de placa contra I de placa y voltajes de catodo para la polarizacion correcta de las 2 valvulas. http://img208.imageshack.us/img208/6290/curvasc.jpg
Con todo esto hice un esquema preliminar para luego sobre el prototipo realizar los definitivos ajustes de los bias. http://img834.imageshack.us/img834/8576/esquemapreliminar.jpg por eso algunas R aparecen en rojo tambien debian aparecer las de los catodos que seran las que sufriran cambios finalmente
Hasta aqui por el momento despues pondre el PCB y el diseno de chasis y los avances
Para los que no lo saben la 6H2P es similar a la 12ax7 solo que no tiene posibilidad de alimentanse con 12 volt y solo cuenta dos pines para el filamento (4y 5) para ser alimentado con 6,3 v y la 6p1p es la version noval del 6V6 con muy buen performance. http://img210.imageshack.us/img210/1107/6p1p.gif.
Por supuesto el esquema lleva algunas modificaciones la 6p1p trabaja con 250 voltios en placa y en esquema original la 6v6 se alimenta de 350, por tanto que hay que polarizar la 6p1p a su voltaje nominal de operacion (250V).
Tambien tenemos que disponer de los graficos de voltaje de placa contra I de placa y voltajes de catodo para la polarizacion correcta de las 2 valvulas. http://img208.imageshack.us/img208/6290/curvasc.jpg
Con todo esto hice un esquema preliminar para luego sobre el prototipo realizar los definitivos ajustes de los bias. http://img834.imageshack.us/img834/8576/esquemapreliminar.jpg por eso algunas R aparecen en rojo tambien debian aparecer las de los catodos que seran las que sufriran cambios finalmente
Hasta aqui por el momento despues pondre el PCB y el diseno de chasis y los avances
Responder
Citar



