Venga Angel, que ya tienes al tribunal en el bolsillo 
Otro par de ojos por aquí para lo que necesites.

Otro par de ojos por aquí para lo que necesites.

angelribera escribió:en vez de quedarse 100 y pico voltios en cada triodo como marca en el esquema solamente se queda sobre 50 - 60V cada uno y eso me desconcerta.
angelribera escribió:Nada, está dentro de la tolerancia.el secundario de 6,3 en vez de darme eso me da 6,7. Eso puede ser malo para la válvula???
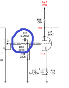
angelribera escribió:La pregunta está formulada al revés. La pregunta correcta sería "para qué sirve ese condensador en paralelo con la resistencia". R20 y R21 forman un divisor de tensión para que a la rejilla de esa etapa sólo llegue la mitad de la señal que fijas con el potenciómetro, así es como si bajaras la ganancia de la etapa a la mitad. El condensador está porque, con unas impedancias tan altas, las capacidades parásitas (aunque sean pequeñas) forman un filtro paso bajo con esas resistencias, apagando los agudos; y ese condensador sirve para reforzar los agudos formando un filtro paso alto con las resistencias, contrarrestando el efecto de las capacidades parásitas.En la fotografía que he puesto, ¿sabéis para que sirve esa resistencia en paralelo con el condensador?

Regístrate o identifícate para poder postear en este hilo