Trate de compartirles un link acerca de como construi el emisor pero dado mi fracaso XD le explico, el emisor lo construi utilizando una barra de acero de 2.5 cm de alto por 6.5 cm de largo y 4 milimetros de espesor embobinado con 189 vueltas de alambre magneto calibre 0.20, una ves terminada la bobina solde un cable a las terminales de la bobina y introduje la bobina a una carcasa utilizad apara las pastillas single coil (esta la consegui en una tienda comun y corriente de instrumentos musicales) y para evitar el movimiento de la bobina rellene los espacios vacios con resina epoxica fibra de vidrio marca poliformas esta es la manera en que Fernandes y Sustainiac construyen sus emisores, es importante que la bobina no tenga movimiento por que de lo contrario metera ruidos raros como chillidos infernales, tambien se puede rellenar los espacios vacios con cera de vela derretida y funcionara exacta mente igual que la resina, una vez secada la resina le aderi en la parte inferior de la barra de acero un iman de neomidio bastante potente el cual lo saque de unos altavoces Sony Ericsson estos se encuentran dentro de las bocinas (altavoces) decidi utilizar este tipo de iman por que ocupan poco espacio y son bastante mas fuertes que los naturales tan utilizados en las pastillas comunes aunque tampoco es necesario bien se puede utilizar un iman comun y corriente, para terminar y darle un acabado profesional corte un trozo de plastico exacta mente a la medida de la superficie de la carcaza, este plastico que consegui en una papeleria es una hoja de plastico se utiliza para encuadernar hojas compre una hoja negra un tanto rugosa para simular la superficie de las pastillas EMG
X
Últimos días
Fernandes sustainer casero
OFERTAS Ver todas
-
-17%tc electronic JUNE-60 Chorus V2
-
-20%IK Multimedia ToneX One Joe Satriani Ltd Ed.
-
-52%Hughes&Kettner Spirit AmpMan Modern
Hola buenas,enhorabuena por tu proyecto!!!
hay un hilo muy bueno de un sustainer como éste desde hace mucho tiempo:
por cierto yo ya me le hice hace tiempo y con un sólo IC TDA1015 y suena de miedo.
https://www.guitarristas.info/foros/infinito-sustain-15/44261
un saludo
hay un hilo muy bueno de un sustainer como éste desde hace mucho tiempo:
por cierto yo ya me le hice hace tiempo y con un sólo IC TDA1015 y suena de miedo.
https://www.guitarristas.info/foros/infinito-sustain-15/44261
un saludo
#19
Es fácil. Si te fijas, en el esquema, a la izquierda del rectángulo del símbolo de los LM386, hay una pequeña raya. Eso te indica, que el pin de abajo a la izquierda es el uno. En uno real te lo indica la marca del encapsulado:

Lo segundo a tener en cuenta es el símbolo de los condensadores electrolíticos. Ese símbolo que ha puesto puede ser algo lioso. El positivo es la línea recta y el negativo la curva.

Un condensador tiene esta pinta, en el que se puede apreciar la patilla negativa:

Ahora ya sólo es montar el circuito teniendo en cuenta que:
-Línea de entrada (Line In): Esta es la que viene de la pastilla principal, la que recoge el sonido
-Línea de salida (Line Out): Esta es la que va a la pastilla que actúa de antena, es decir, la que hemos construido nosotros.
-9v: A la pila. Cables rojos positivos, cables negros, negativos.
Ten en cuenta que si usas guitarras con pastillas simples, esto te anulará una pastilla. Si se lo haces a una Telecaster, recabléala como una esquire.
Es fácil. Si te fijas, en el esquema, a la izquierda del rectángulo del símbolo de los LM386, hay una pequeña raya. Eso te indica, que el pin de abajo a la izquierda es el uno. En uno real te lo indica la marca del encapsulado:

Lo segundo a tener en cuenta es el símbolo de los condensadores electrolíticos. Ese símbolo que ha puesto puede ser algo lioso. El positivo es la línea recta y el negativo la curva.

Un condensador tiene esta pinta, en el que se puede apreciar la patilla negativa:

Ahora ya sólo es montar el circuito teniendo en cuenta que:
-Línea de entrada (Line In): Esta es la que viene de la pastilla principal, la que recoge el sonido
-Línea de salida (Line Out): Esta es la que va a la pastilla que actúa de antena, es decir, la que hemos construido nosotros.
-9v: A la pila. Cables rojos positivos, cables negros, negativos.
Ten en cuenta que si usas guitarras con pastillas simples, esto te anulará una pastilla. Si se lo haces a una Telecaster, recabléala como una esquire.
#20
Huyy gracias.
ahora la tengo más clara,
mi guitarra es replica de la strartocaster (China) de pastillas simples, mi pregunta es: la bobina que fabrique debe estar paralela a pastilla (obvio la del puente) ó puedo poner la bobina internamente? para no hacer hueco más grande a mi guitarra¡¡ ó es estrictamente necesario.
Gracias
Huyy gracias.
ahora la tengo más clara,
mi guitarra es replica de la strartocaster (China) de pastillas simples, mi pregunta es: la bobina que fabrique debe estar paralela a pastilla (obvio la del puente) ó puedo poner la bobina internamente? para no hacer hueco más grande a mi guitarra¡¡ ó es estrictamente necesario.
Gracias
#21 Simplemente tendrás que retirar una de ellas (Que no sea la del puente. En MI opinión, quitaría la del medio), para poner la bobina. Eso significa que tendrás que hacer un pequeño mod a la posición del medio para que sean las otras dos pastillas las que suenen (te quedaría como una telecaster con tres posiciones). O dejarlo sin tocar, pero no te sonarían dos pastillas a la vez y en el medio estaría muda.
Yo la estoy haciendo para una telecaster. Para ello, quité la pastilla del mástil y compré una pastilla de 5€ y la estoy montando en base a esta. De esta forma, la bobina me queda disimulada con la cubierta propia de las telecasters y luego recableada como una esquire (Telecaster con la pastilla del puente).
Luego todas estas modificaciones son reversibles. Simplemente, es deshacer los pasos o seguir alguno de los diagramas que abundan.
Yo la estoy haciendo para una telecaster. Para ello, quité la pastilla del mástil y compré una pastilla de 5€ y la estoy montando en base a esta. De esta forma, la bobina me queda disimulada con la cubierta propia de las telecasters y luego recableada como una esquire (Telecaster con la pastilla del puente).
Luego todas estas modificaciones son reversibles. Simplemente, es deshacer los pasos o seguir alguno de los diagramas que abundan.
#22
ok, lo voy hacer asÍ:
ya pedí los lm386-n1, se me demoran en llegar, pero va vale la pena la espera.
más sin embargo, yo tengo un circuito stereo de 3w de alimentación de 3 a 5 voltios (entonces pensaba que si solo utilizaba solo un canal de audio podría ser el L ó R) y probar haber, o esto seria imposible que funcionara porque tiene más watt de potencia??
pero me queda otra duda: conectaría así:
pastilla ---- line in (circuito)---line out----bonina
pero de donde tomo para conectar al selector de pastillas???
de la pastilla del puente al selector?? o de la bobina al selector??
ok, lo voy hacer asÍ:
ya pedí los lm386-n1, se me demoran en llegar, pero va vale la pena la espera.
más sin embargo, yo tengo un circuito stereo de 3w de alimentación de 3 a 5 voltios (entonces pensaba que si solo utilizaba solo un canal de audio podría ser el L ó R) y probar haber, o esto seria imposible que funcionara porque tiene más watt de potencia??
pero me queda otra duda: conectaría así:
pastilla ---- line in (circuito)---line out----bonina
pero de donde tomo para conectar al selector de pastillas???
de la pastilla del puente al selector?? o de la bobina al selector??
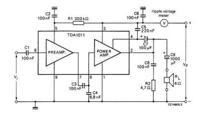
Al hacer la modificación del sustainer pierdes la pastilla que por cierto debe de ir en la posición del brazo lo más alejada posible de la pastilla del puente que recibirá la señal de las cuerdas ya que si la instalas en la pastilla para medios hará un ruido insoportable entre más alejado el receptor del emisor mucho mejor como había dicho antes al hacer este procedimiento en una guitarra tipo strat pierdes la pastilla simple del brazo pues lo reemplazaras por el emisor sustainer, ya hace tiempo que descuide este hilo y durante este largo tiempo he mejorado algunas cosas sobre el circuito ya no utilizo el circuito sencillo hecho a base de los LM ahora decidí utilizar el integrado TDA1011 ya que me ofrece una mayor salida y por ende mucho mejor respuesta en las cuerdas 1,2,3y4, a continuación les anexo el circuito hecho a base del TDA1011
Nuevo post
Regístrate o identifícate para poder postear en este hilo
