Analisis Marshall Valvestate 8080

Tonyguitar
por el 23/04/2014
gracias, yo tuve un 8100 con pantalla 1922 hace años y echaba de menos este ampli y como queria hacer un stereo con dos amplis de 1x12" pues me compre este y ahora puedo poner los dos juntos, este y el screamer :brindis:
OFERTAS EN TIENDAS Ver todas
  • -13%
    Harley Benton Fusion-T HH Roasted FNT
    349 €
    Ver oferta
  • -14%
    Harley Benton SC-Custom III Silver Sparkle
    299 €
    Ver oferta
  • -11%
    Harley Benton Agufish STD Signature BK
    399 €
    Ver oferta
SEGUNDA MANO EN MERCASONIC Ver todo
  • ESP Ltd. V-50 (Con EMG 81/85)
    400 €
    Ver
  • OFERTA Civil War + Booster gratis!!!!
    160 €
    Ver
  • Tipo Tween 57' Original sound ‼️ENVIO INCLUIDO
    107 €
    Ver
¿Tienes equipo que ya no usas? Véndelo en Mercasonic
guarapo
por el 23/04/2014
Yo tengo apalancado por aquí el Marshall VS 8240. (Estereo, 2 altavoces celestion de 40 watios, canal limpio canal overdrive y efecto chorus) Se nota el uso por alguna "cicatriz", un pote que perdió la tapa y tengo que volver a pegar y el pedal para el pie que activa la distorsión o el chorus tiene el interrupto de la distorsión roto. pero de resto está bien. Me gustaba mucho el tipo de distorsión que sacaba y siendo estereo, cuando me ponía a tocar con un equipo de música en casa a poco volúmen, sonaba incríble. Parecía que Dio me había contratado para que tocara en su banda jajajaja :risa:
Tonyguitar
por el 23/04/2014
si, ese lo he probado yo y es la ostia de envovente el chorus stereo, es el que mas me gusta de todos, ese y el 8200, que es el mismo pero version cabeza.
toni diaz
por el 23/04/2014
Hostias que recuerdos¡¡ cuantos de estos he reparado. Esa maldita resistencia de alimentacion que se le rompia una patilla. por cierto ahora que me acuerdo creo que era de 100k 10 wat. pero si la subias a 180k daba mas dist y graves y con 82k y una 12AT7 te hacias un casiJCM800 por 2000 pesetas de la epoca jeje
se lo hice a Charly cepeda que se cabreo cuando se lo dije pero despues no se despegaba de su 8080.
Posdata: QUIERO UNO¡¡¡ GAS MUCHO GAS¡¡
Tonyguitar
por el 23/04/2014
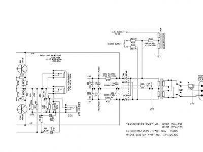
joder, que interesante tio, ¿son esas resistencias de porcelana blancas que hay en la fuente de alimentacion verdad? eso que tu dices de aumentar el valor de esa resitencia haria haria que le llegase al ampli menos tension supongo, a ver si me marcas en el esquema que modificaciones son esas que me interesan.
toni diaz
por el 23/04/2014
Ok busco el esquema. la teoria es Que Al llegar menos tension +intensidad, entra mas facilmente en saturacion busca una resistencia de 100K blanca cuadrada y un poco elevada de la placa tu eres un gran DIY No tendras problemas jeje pero Prueba Primero una valvula 12at7 te sorprenderan los armonicos aunque eso si menos dist. Un saludo por cierto en los Primeros de la Serie 1 la valvula Era MULLARD
Tonyguitar
por el 24/04/2014
el mio es una ecc83, cuando lo he abierto he visto que lleva varias resistencias de esas que dices tu blancas de 10w,
una cosa, ¿no se podria poner un conmutador de palanca para conmutar entre una resistencia de 100k y una de 180k?
es para tener los 2 sonidos, el original y el que tu dices que suena a jcm800

si tu me la marcas el el esquema es como mejor puedo ver a cual tengo que meterle mano jeje.
Tonyguitar
por el 24/04/2014
te paso unas fotos, yo creia que las resistencias estas siempre eran de valores bajos, ¿estas son de porcelana verdad?
100k no es un valor muy tipico en estas resistencias.

las fotos que te pongo son de mi valvestate 8080, por otra parte me ha sorprendido eso que dices de las 12at7 de los armonicos, siempre pense que eran igual que una ecc83 pero de poca ganancia, pues es interesante tio eso que dices, aunque la valvula en el valvestate creo que no hace mucha cosa, yo he probado distintas valvulas y suena igual con unas que con otras.
Archivos adjuntos ( para descargar)
IMG_7781.JPG
IMG_7782.JPG
IMG_7783.JPG
IMG_7784.JPG
IMG_7785.JPG
IMG_7786.JPG
IMG_7787.JPG
IMG_7788.JPG
IMG_7789.JPG
IMG_7790.JPG
IMG_7791.JPG
IMG_7792.JPG
IMG_7793.JPG
toni diaz
por el 24/04/2014
buenas tony sabia yo Que demontabas jeje la resistencia en cuestion es la R109 perdona la tardanza pero me levanto a las 5:00 para currar, un pobre electronico currito respecto Al tono cambiando de valvula es una etapa de amplificacion mas Al cambiar a una ecc82 (12at7) Que es un 40% menos potente y de tonalidad mas oscura algo cambia Prueba Que todo es facil y reversible. Un saludo compañero
Tonyguitar
por el 24/04/2014
toni diaz escribió:
buenas tony sabia yo Que demontabas jeje la resistencia en cuestion es la R109 perdona la tardanza pero me levanto a las 5:00 para currar, un pobre electronico currito respecto Al tono cambiando de valvula es una etapa de amplificacion mas Al cambiar a una ecc82 (12at7) Que es un 40% menos potente y de tonalidad mas oscura algo cambia Prueba Que todo es facil y reversible. Un saludo compañero

hola campeon, estas fotos las hice el otro dia que lo tuve desmontado para mirar a ver si habia algun condensador reventado, por que a veces cuando lo enciendo pega un crujido, no siempre lo hace, pero lo hace a veces, de cada 10 veces que lo enciendo cruje 3,
entonces le hice un monton de fotos y las tenia en la camara de fotos y hablando del tema te las puse ayer para que las vieses,
entonces, bueno, pues he estado mirando los esquemas y no veo r109 por ningun sitio, seguro que la tengo delante las narices y no veo en el esquema cual es, mas que nada era para saber que valor tiene y saber cual habria que poner, te adjunto un rar con los esquemas del valvestate.
Archivos adjuntos ( para descargar)
foto.jpg
valvestate 8080 manuales.rar
Ricardo_R
por el 24/04/2014
Que recuerdos, años atras tuve un 8040, que tiene muchas menos opciones que ese, tenia canal limpio o saturado nada mas, recuerdo que me encantaba el sonido a pelo del canal saturado, sin pedales ni nada, esa serie de los valvestate es la mejor, en los locales por horas donde ensayo a veces tienen un valvesate de la serie nueva, AVT creo que es, y la verdad es que no me gusta nada, al igual que pasa con el MG que tienen son muy chicharreros los dos, cuanto mas volumen les das mas chicharra sueltan, son usables pero demasiado chicharreros, al menos para mi gusto, los antiguos creo que suenan bastante mejor.
Recuerdo que el 8040 que tuve yo me costo mas de cuarenta mil pesetas de entonces, que no era poco dinero precisamente. pero es que en aquellos tiempos habia muy poco donde elegir, y los amps de valvulas eran carisimos, ademas el sonido Marshall era algo así como la referencia, con lo que los grupos grandes llevaban Marshalls de valvulas y los pequeños los Valvestate o los Mosfet, era muy raro ver otras marcas en los escenarios en aquellos tiempos, por cada guitarrista que veias con otra marca veias a nueve con Marshalls.
Tonyguitar
por el 24/04/2014
Ricardo_R escribió:
Recuerdo que el 8040 que tuve yo me costo mas de cuarenta mil pesetas de entonces

todavia me tiro de los pelos cuando yo me fui a comprar un ampli para la guitarra con 60 mil pelas que tenia de presupuesto,
veras, me puse a ver catalogos asi en la tienda de amplis de 50 watios que era el presuspueto que yo tenia, el 8040 de marshall me lo enseñaron en el catalogo y vi que solo eran 40 watios y por eso no me lo quede, pero en cambio me vendieron un peavey de 65w con un altavoz de 10" que encima el altavoz era una mierda, el peor altavoz que he tenido en mi vida, el sonido de la distrosion era bastante guarro, total, me costo ese ampli casi 60 mil pelas, cuando me podia haber quedado con el marshall de 40watios que costaba menos y encima tenia un altavoz de 12", pero lo mejor de todo es que los 40w de este daban mas caña que los del peavey que compre, aunque como digo esto fue hace ya mas de 20 años y poco importa ahora, me jode recordarme ensayando y dando conciertos con ese ampli de mierda cuando por menos dinero podia haber tenido el 8040, lo que hace el no saber, el catalogo decia 65 watios y el marshall decia 40 watios, fijate que engaño, vamos, tu mira las fotos y comprara, me sigue dando rabia tio!!! y estos tuvieron la culpa que me mal aconsejaron, los vendedores:
http://www.ayalamusica.com/realizar-mi-compra
Archivos adjuntos ( para descargar)
STUDIOPRO_3.JPG
no compares.jpg

Equipo relacionado

Nuevo post

Regístrate o para poder postear en este hilo