Responder
Citar
El sonido de los Blackstar
OFERTAS EN TIENDAS Ver todas
-
-14%Harley Benton AirBorne 2.4Ghz Instrument
-
-13%Harley Benton Fusion-T HH Roasted FNT
-
-14%Harley Benton SC-Custom III Quilt Midnight
¿Tienes equipo que ya no usas? Véndelo en Mercasonic
Tokai-Blackstar escribió:Simplemente doy un opinión tan respetable como la tuya solo que diferimos, y eso no es suficiente para suponer que no he tocado o tenido nunca valvulares.... no veo correcto hacer afirmaciones sobre la supuesta experiencia del otro simplemente para argumentar que tu opinión tiene más veracidad dando a entender que el resto hablamos sin conocimiento de causa o sin experiencia..... Dicho esto, opina lo que quieras sobre mi experiencia.... tampoco me voy a poner en plan "pero yo se más"
Para empezar, te pido disculpas, porque en ningún momento he querido dudar de tu experiencia con los amplificadores ni mucho menos con tus gustos a la hora de elegir un amplificador. No van por ahí los tiros. El post, tal y como Angus escribió en su inicio es discutir sobre si los blackstar suenan valvulares o no, simplemente eso, no hay que tomarse nada a lo personal creo yo. De cualquier manera te pido disculpas.
Tokai-Blackstar escribió:Para mi es un amplificador híbrido son los amplificadores estilo AVT etc,(que precisamente también tengo) donde el pre amp saca la distorsión a través de una ECC83 y etapa de potencia es 100% a transistores. Y no suenan igual, ni rompen igual, ni la etapa de potencia sola sin pasar por el pre amp suena como la del AVT por el return. Si tu prefieres decir que si es híbrido porque en sus circuitos llevan amplificadores operacionales, pues bien por tu sistema de clasificación de amplificadores, pero no coincide con la mía ni con la que se les da en la industria de amplificación de guitarras.
Un amplificador híbrido es el que usa tanto válvulas como amplificadores operacionales/transistores en cualquiera de los pasos de preamplificación o amplificación de la señal. Da igual si es en el previo, en la etapa de potencia, intercalados en la sección de tono, o donde sea. Incluso los más puristas creen que un amplificador con la recitificación de corriente a diodos es un amplificador híbrido.. que eso ya me parece rizar el rizo pero bueno.
El hecho es que, un amplificador híbrido no significa que suene mal, ni mejor, ni peor que otro amplificador.
En el 99% de los casos los guitarristas usan pedales con amplificadores valvulares, y en su conjunto, al final, es como un amplificador híbrido.
Pongo el ejemplo del previo del HT-5 por ejemplo. Que sino me equivoco es igual que el del HT-1.
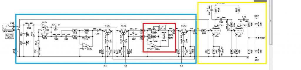
En amarillo está la sección valvular de previo, la cual única y exclusivamente preamplifica la señal, pero sin darle la ganancia suficiente como para saturar la misma, por lo tanto la posibilidad de que salgan muchos armónicos de ahí son pocas, por lo que sacar "sonido valvular" de ese paso del previo es cuanto menos complicado...
La parte que está en azul, formada principalmente por amplificadores operacionales (triángulos) es también una sección de preamplificación. Y en concreto la sección en rojoc es donde se produce la saturaciónc cual overdrive por el input de un amplificador.
Por lo tanto podemos decir que el previo es híbrido.

Tokai-Blackstar escribió:Pues Dios ha venido y se ha escrito un artículo de p.m. donde explica que es un amplificador híbrido.... A mi no me encaja aquí ni el HT-1 ni el HT-5
Creo sinceramente y sin ánimo de ofender, que el artículo ese que escribió Dios, yo diría que como poco, está incompleto. Y las definiciones de los tipos de amplificadores híbridos son muy generales. Tan generales como el término "heavy metal".
De todas formas si tu estás a gusto con tu amplificador y te da lo que buscas, es lo que importa. Pero defender algo a capa y espada, por no decir que intentas defender lo indefendible, no se... Igual soy yo el tiquismiquis.

Ahhh y por cierto... Algo de lo que presumen los técnicos de Blackstar como algo "novedoso", es de su serie HT, Hybrid Technology para los amigos

Un saludo
2
Responder
Citar
MissiN Music Electronics escribió:Pero defender algo a capa y espada, por no decir que intentas defender lo indefendible, no se... Igual soy yo el tiquismiquis.
Lo primero decirte que no hace falta pedir disculpas, estamos debatiendo como podríamos hacer tomando una cerveza en un Bar tranquilamente.

He escrito muchas cosas en el hilo, quizás demasiadas y por eso hay algunas que no se leen o se pasan por alto, como que los HT-1 no se comportan como los valvulares tradicionales, y precisamente por eso a mi me funciona a la perfección por la relación sonido válvular-mínimo volumen, que no he podido conseguir con ningún otro (sonido válvulas a unos 65 dB máximo ).
En cuanto a la denominación de que es un híbrido, no nos pondremos de acuerdo, tu argumento me parece excesivamente purista y no encaja con lo establecido a día de hoy con lo que es la realidad en esa clasificación en la distribución de amplificadores. Por lo que más creo que esa discusión ya no es una cuestión de semántica y no de cómo suenan los HT.
Salud
Responder
Citar
Nuevo post
Regístrate o identifícate para poder postear en este hilo
