Hola compañeros. Os presento mi miser amp; me decidí a hacerlo porque quería poder tocar la guitarra eléctrica en cualquier sitio de la casa, o fuera de ella, sin tener que ir cargando con cables ni cacharros pesados. Básicamente es el miser v.3 pero con un par de chominaillas que se me fueron ocurriendo mientras lo hacía: Tiene batería recargable y luces audiorrítmicas.
Aquí mi primer prototipo:
[ Imagen externa no disponible ]
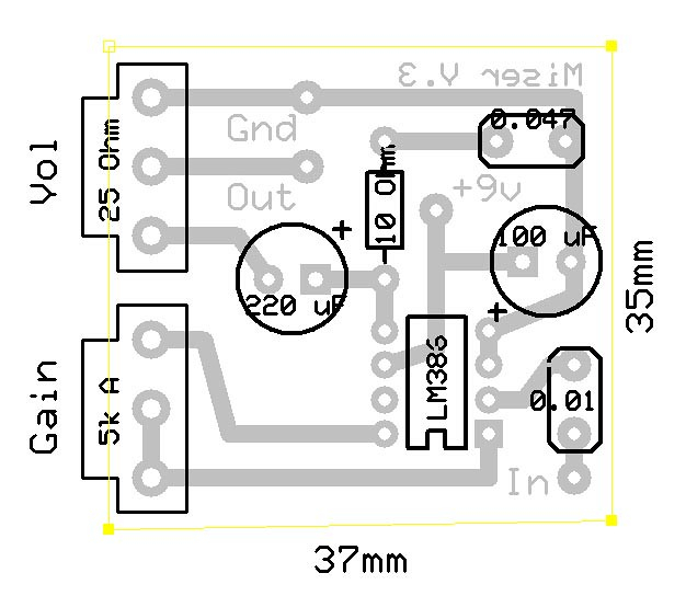
Más tarde decidiría prescindir de los controles de ganancia y de volumen, a tope de volumen está bien, y mis guitarras ya tienen bastante ganancia de por sí como para romper para blues, de hecho, con las pastillas activas hay que bajarle para que el sonido no se ensucie mucho.
Luego pensé si quería alimentarlo con pila, pero sabía que cuando se gastara la pila podrían pasar años hasta que me dignase a salir a comprar otra, entonces pensé en alimentarlo con un transformador, pero por un lado, no tengo muchos de 9 voltios, y por otro lado precisamente lo que quería es poder usarlo sin tener que llevar cables ni nada... Entonces tuve la siguiente idea, le puse un regulador de tensión de 9 v, de manera que se pudiera usar con casi cualquier transformador que sea de al menos 9 voltios y positivo en el centro (es decir, casi cualquier transformador de ordenador portátil, o incluso con el mechero del coche con el conector adecuado) Ojo con invertir la polaridad en la entrada de un regulador de tensión, que explota!
A la salida del regulador le puse una pila recargable de 9 voltios, de manera que mientras esté conectado al transformador la pila se está cargando (No dejar el transformador conectado al ampli, y sin enchufar a la corriente porque sino la pila se descarga). Para más miser todavía podemos ponerlo a recargar en el trabajo o en el descansillo de la escalera

.
Alguno pensará, que si ya son caras las pilas de 9 voltios, más cara será una de 9 voltios recargable, y el concepto caro y el concepto miser se llevan a patadas, pero no si uno está al loro con las ofertas de lidl, si es que la calidad no es cara.
Aquí aparece ya montado en placa perforada
[ Imagen externa no disponible ]
No lo he hecho en circuito impreso porque cuando lo empecé no tenía los avíos, usé una placa perforada, con el método manhattan y al estilo compadre:
[ Imagen externa no disponible ]
[ Imagen externa no disponible ]
Entonces se me ocurrió ponerle unos leds que se iluminaran más o menos en función de la amplitud de la señal procesada por el ampli. Es un sencillo circuito basado en un transistor npn que entra en corte en función de la tensión entre base y emisor.
Y como esto se funde las pilas en cero coma, le puse un interruptor para poder habilitar o deshabilitar esta opción. Se podría decir que lo de los leds audiorrítmicos pueden servir para tener una visualización del ritmo de la canción que se está tocando, o para hacernos una idea de por dónde vamos de dinámica... pero todo eso sería mentira, lo cierto es que no sirven para nada, pero me hacía ilusión
Llegados a este punto me dispuse a buscar un pequeño bafle en el que embeber el amplificador, tenía algunos que no están mal, pero al final pillé el más perruno de una minicadena que había por ahí arrumbada, si somos miser, somos miser...
Le sacrífique un ducto y unas viguetas que traía, y le pequé una cajita de madera en la que poder apoyar el amplificador:
[ Imagen externa no disponible ]
[ Imagen externa no disponible ]
Los cables que salen son para conectar al altavoz y al circuito de leds.
[ Imagen externa no disponible ]
La arandela del jack de entrada es un straplock dunlop. Y como se me fue la mano con el dremel en la cavidad para el interruptor de encendido le pegué un papel que venía en un muñeco del guitar hero, esto lo disimula, a la vez que le da un cierto toque de flipaillo al cacharro.
Las últimas conexiones y lo armo:
[ Imagen externa no disponible ]
Un video de muestra (disculpad el ruido de fondo, tenía una lavadora puesta):
Y hasta aquí mi miser amp, No es gran cosa pero es mi primer diy guitarril y he quedado bastante satisfecho. Así que después de un trabajo bien hecho:
[ Imagen externa no disponible ]
sigarrito pal pesho.
Saludos.