Yo para tocar heavy, metal trash, death etc no he visto todavia algo mejor que el dr booguie, putos j201 que tendran, me flipan
Mesa Boogie a valvulas DIY clon preamp sin ruido por 22€
OFERTAS Ver todas
-
-15%Hughes&Kettner TubeMeister Deluxe 40
-
-27%Blackstar HT-5RH MKIII
-
-17%tc electronic JUNE-60 Chorus V2
Hola!, me voy a hacer de una pregunta que te hicieron en youtube hace ya varios meses, me metí a buscar una posible respuesta pero no encontré 
"muy buen aparato bro, tengo todos los componentes, soy de México, compre cada componente exactamente como lo indica la lista y muestras en el vídeo, pero algo se me ha complicado y es el rollo de la fuente, no lo entiendo bien, conozco muy básico de electrónica hasta ahora he podido entender casi todo lo del esquema, ¿podrias ayudarme haciendo un vídeo donde expliques como montar los transformadores para dejarlos listos para el switch de encendido?
te agradecería mucho la ayuda, y disculpa mi ignorancia en esto pero quede fascinado con el pre, esta que rompe todo, suena brutal..."
La verdad, es que tengo la misma duda, estoy en la misma situación. ¿Podrías hacer un esquema o algo así? todo lo que respecta a alimentación de circuitos es mi punto débil, te lo agradecería muchísimo! (y si tienes algún libro de donde estudiar, bienvenido sea).
Por lo demás, está magnífico ese preamp

"muy buen aparato bro, tengo todos los componentes, soy de México, compre cada componente exactamente como lo indica la lista y muestras en el vídeo, pero algo se me ha complicado y es el rollo de la fuente, no lo entiendo bien, conozco muy básico de electrónica hasta ahora he podido entender casi todo lo del esquema, ¿podrias ayudarme haciendo un vídeo donde expliques como montar los transformadores para dejarlos listos para el switch de encendido?
te agradecería mucho la ayuda, y disculpa mi ignorancia en esto pero quede fascinado con el pre, esta que rompe todo, suena brutal..."
La verdad, es que tengo la misma duda, estoy en la misma situación. ¿Podrías hacer un esquema o algo así? todo lo que respecta a alimentación de circuitos es mi punto débil, te lo agradecería muchísimo! (y si tienes algún libro de donde estudiar, bienvenido sea).
Por lo demás, está magnífico ese preamp
Pues super facil mexicali....coges un alogeno de 110v uno de los cables del 110v le cortas y pones un switch para apagar o enchegar on off la parte de 12 v la unes con 12v son 4 cables 2 y 2 y luego añdes 2 mas serian 6 total en la prte de 12 v...y con eso alimentas las valvulas pines 4 y 5...y por ultimo 230 v o 220v da igual....y con esos 230v van al llamdo filtro pi.que lleva los diodos y capacitores o condensadores los tipicos 47 uf a 350v 400v o como yo que los pongo de 450v...otro ejemplo
Seria
110v....12v...12v.....230v
Espero te ayude y te sirva.
Seria
110v....12v...12v.....230v
Espero te ayude y te sirva.
Se me olvidó un detalle, y tengo otras dudas:
-Soy de Chile, trabajamos con 220v, corriente alterna.
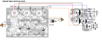
-Acá van dos imágenes: una del preamp SIN mod ENGL, y la otra con el mod. En la circuito de la derecha difieren en un par de cosas. No está el KBL-08, y en lugar de 6,3 V, dice 12 V.
Considerando que pretendo hacer el segundo, ¿qué va en lugar del KBL-08? ¿Y en qué influye se cambio de voltaje entre un circuito y otro?. Y por último, ¿cuál sería el amperaje adecuado del transformador? De antemano, muuuuuuuuuuuuuuchas gracias.
-Soy de Chile, trabajamos con 220v, corriente alterna.
-Acá van dos imágenes: una del preamp SIN mod ENGL, y la otra con el mod. En la circuito de la derecha difieren en un par de cosas. No está el KBL-08, y en lugar de 6,3 V, dice 12 V.
Considerando que pretendo hacer el segundo, ¿qué va en lugar del KBL-08? ¿Y en qué influye se cambio de voltaje entre un circuito y otro?. Y por último, ¿cuál sería el amperaje adecuado del transformador? De antemano, muuuuuuuuuuuuuuchas gracias.
#162 el regulador lm7806 tienes que poner 2 uno no va bien abujerea al lado la pcb y le soldas cables y le pones un trozo de aluminio a los dos con un tornillo e pasta termica ....entran 12 voltios alternanque se convierten en 6 voltios.las 6n2p con 6v las 3.y el led.
Amperaje minimo 2 amperios los alogenos tienen 4
Amperaje minimo 2 amperios los alogenos tienen 4
Nuevo post
Regístrate o identifícate para poder postear en este hilo
