Hubo muchos fallos cuando hicimos las modificacines, como yo no se manejar programas de dibujo se lo daba a un amigo para que los hiciera y yo luego los revisaba que estuviesen bien, a veces habia errores si, pero yo creo que ya esta todo bien, yo los he revisado todos y no he visto ni he notado nada.
Son esquemas que una vez se han llevado a la practica y se han puesto en funcionamiento he ido buscando la forma de mejorarlos y la mayoria de las veces eran problemas de ruidos, componentes mal calculados, tensiones incorrectas etc, que es lo tipico en este tipo de montajes que a mi particularmente no me gustan, prefiero los jfet y los transistores en todos los sentidos, pero bueno, tambien tenia ganas de hacer esto.
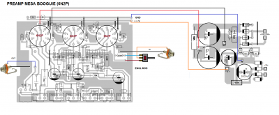
en las 12ax7 el pin 9 nunca se conecta a tierra, si alimentas con 6v, cortocircuitas pata 4 y 5 juntas y metes corriente entre estas dos unidas y la pata 9.
En las 6n2p lo que haces es meter 6v entre la pata 4 y 5, ¿se debe conectar la pata 9 a masa en este tipo de valvulas? en teoria si por que esta valvula es distinta a la ecc83 y la pata 9 corresponde a una especie de apantallado interno que reduce el ruido, pero como en la practica yo ya he probado a conectar la pata 9 a tierra en este tipo de valvulas y he comprobado que el resultado es el mismo que si no se conecta a masa, pues se convierte en algo que da igual.
Donde se mete el ruido es en el cableado, ahi si que hay que tener cuidado y no la pata 9 de las 6n2p que es algo que si quieres lo conectas a masa y si no lo dejas sin conectar, va a dar igual, si tienes ruido no va a tener nada que ver con esto.
Son esquemas que una vez se han llevado a la practica y se han puesto en funcionamiento he ido buscando la forma de mejorarlos y la mayoria de las veces eran problemas de ruidos, componentes mal calculados, tensiones incorrectas etc, que es lo tipico en este tipo de montajes que a mi particularmente no me gustan, prefiero los jfet y los transistores en todos los sentidos, pero bueno, tambien tenia ganas de hacer esto.
en las 12ax7 el pin 9 nunca se conecta a tierra, si alimentas con 6v, cortocircuitas pata 4 y 5 juntas y metes corriente entre estas dos unidas y la pata 9.
En las 6n2p lo que haces es meter 6v entre la pata 4 y 5, ¿se debe conectar la pata 9 a masa en este tipo de valvulas? en teoria si por que esta valvula es distinta a la ecc83 y la pata 9 corresponde a una especie de apantallado interno que reduce el ruido, pero como en la practica yo ya he probado a conectar la pata 9 a tierra en este tipo de valvulas y he comprobado que el resultado es el mismo que si no se conecta a masa, pues se convierte en algo que da igual.
Donde se mete el ruido es en el cableado, ahi si que hay que tener cuidado y no la pata 9 de las 6n2p que es algo que si quieres lo conectas a masa y si no lo dejas sin conectar, va a dar igual, si tienes ruido no va a tener nada que ver con esto.
Responder
Citar
