TonyGT-Ibiza escribió:Hace poco me explicaron la diferencia entre Push Pull y AB, por que siempre lo asocio igual que clase A y single ended.
Sigo teniendo mis dudas respecto a la diferencia entre clase A y single ended y push pull y A. b
SE y PP es totalmente diferente, p.e,. si polarizas en SE (ha tubos que piden el fijo) siempre lo hace en clase A, mientras que en PP yo por ejemplo polarizo casi siempre y pongo un trafo de Raa adecuado, al AB, funciona hasta cierta potencia en A, a partir de ahí sube el bias solito, y pasa a B, esto es importante saberlo, en PP tienes la válvulas trabajado en opsición de fase 180º, (la onda es al contario en una que en la otra) y mucha distorsión no deseada viene por ahi (distorsión de cruce) al no tener una buena polarización y/o diferencia en los tubos, por eso se da tanta impotancia a los "matched" echa un vistazo en google que seguro que encuentra explicaciones fáciles de entender.
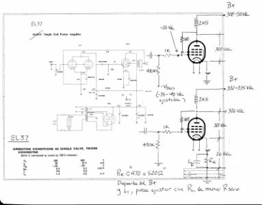
Más aún si reclclamos, puesto que tanto la diferencia ya de la tolerancia en los tubos y el uso que tengan hace que la diferencia entre ellos sea mayor, el bias fijo es indispensable en este caso.... te mando una foto de un SE para que veas las diferencias, una, como casi todos los trafos tienen toma para haceles un bias fijo, o con un pequeño trafo de 50 mA no es un gasto escesivo y llevas la válvula al funcionamiento que tu quieras, y de paso si te sobra HT, posiblemente te sirva para no tener que disipar o disipar menos V sobrante..... aparte de re- hay ciertos tubos que lo piden, es como mejor suenan y funcionan.
Esto me lo mando Richard Sherman hace años, y no jugarmela con las preciadas Mullard EL37
estudia un poquito que no solo es copiar sin entender..... es complicado ya sé, y no considero que sepa gran cosa del tema, pero hay cosas muy muy básicas que hay que saber, como polarizas un amp del que no tengas información? o a oido la mayor potencia para tu SE EL84? ...... así puede durarte muy poco, incluso quemar resistencias en teoria sobredimensionadas y hasta la PCB
venga vaguete, que poco a poco todo tiene su lógica
Responder
Citar
