Buenas, pues animado por missin en mi último montaje (el pt-80 delay) me voy a tirar a por el EHX Octave Multiplexer de los 70 http://www.effectsdatabase.com/model/eh/octave no confundir con el modelo deluxe, yo voy a hacer el normal.
Este pedal lo que hace es lo siguiente:
Pues bien, mi idea era subirlo ya todo funcionando, pero debido a la dificultad de encontrar por la red un proyecto bien contrastado usé la siguiente información contenida en la siguiente página:
http://topopiccione.atspace.com/PJ19EHOctaveMultiplexer.html
Esquema - http://topopiccione.atspace.com/pjimages/EHOctaveMultiplexer.sch.gif
Layout - http://topopiccione.atspace.com/pjimages/EHOctaveMultiplexer.lay.gif
pcb -http://topopiccione.atspace.com/pjimages/EHOctaveMultiplexer.PCB.gif
lista de materiales - http://topopiccione.atspace.com/pjimages/EHOctaveMultiplexer.lst.txt
Lo he acabado de construir esta mañana pero después de todo el día sigue sin sonar. He cambiado los operacionales dobles por unos tl072 y tampoco, el operacional cuádruple por un tl074 y tampoco, el transistor por un bs170 y por un 5457 y tampoco, he probado con dos 4013 y nada. Lo único que hace el pedal es producir un fuzz
He probado a unir los pads del layout enunciado con letras según viene el esquema, esto es desde el pote central de layout con un interruptor spdt on on a los pads c y d. Con un interruptor on of he unido los i y h. El que pone b no tengo ni idea de para que sirve y el esquema no logro ubicarlo ni saber para que sirve. El caso es que no hace lo que tiene que hacer, solo fuzzea.
He probado dejando todos los pads sin unir y tampoco y a unirlos de todas las formas posibles por si estaba leyendo mal el esquema. He revisado componentes, probado diferentes operacionales, transistores, he comprobado diodos y con el tester la continuidad de las pistas y observado que no se toque donde no debe (de hecho la placa es bastante grande y se ven bastante bien las pistas como para cometer un fallo) pero claro nunca se sabe. Entonces ahora estoy en la duda de si toda la información que he usado es correcta, si el layout está bien.
¿podría alguien mirar si el layout y el esquema coinciden? Es por saber si el el layout está mal o si soy yo el que he cometido algún fallo. Si me comenta alguien que el layout está conforme al esquema, que está correcto o que él lo construyó y le funcionó entonces no queda otra que el que ha fallado he sido yo. Me harían un gran favor.
Si no, la otra opción que he encontrado en la red ha sido esta:
http://www.plexilandia.cl/foro/viewtopic.php?p=85049
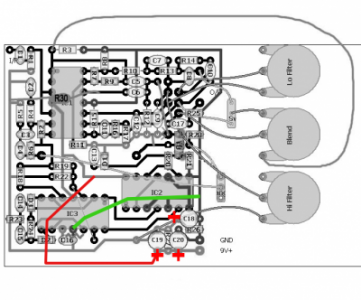
El chaval dice que a él le ha funcionado, así que he preparado el pcb, pero no estoy seguro 100% de si lo he hecho bien, sería éste.
Este pedal lo que hace es lo siguiente:
Pues bien, mi idea era subirlo ya todo funcionando, pero debido a la dificultad de encontrar por la red un proyecto bien contrastado usé la siguiente información contenida en la siguiente página:
http://topopiccione.atspace.com/PJ19EHOctaveMultiplexer.html
Esquema - http://topopiccione.atspace.com/pjimages/EHOctaveMultiplexer.sch.gif
Layout - http://topopiccione.atspace.com/pjimages/EHOctaveMultiplexer.lay.gif
pcb -http://topopiccione.atspace.com/pjimages/EHOctaveMultiplexer.PCB.gif
lista de materiales - http://topopiccione.atspace.com/pjimages/EHOctaveMultiplexer.lst.txt
Lo he acabado de construir esta mañana pero después de todo el día sigue sin sonar. He cambiado los operacionales dobles por unos tl072 y tampoco, el operacional cuádruple por un tl074 y tampoco, el transistor por un bs170 y por un 5457 y tampoco, he probado con dos 4013 y nada. Lo único que hace el pedal es producir un fuzz

He probado a unir los pads del layout enunciado con letras según viene el esquema, esto es desde el pote central de layout con un interruptor spdt on on a los pads c y d. Con un interruptor on of he unido los i y h. El que pone b no tengo ni idea de para que sirve y el esquema no logro ubicarlo ni saber para que sirve. El caso es que no hace lo que tiene que hacer, solo fuzzea.
He probado dejando todos los pads sin unir y tampoco y a unirlos de todas las formas posibles por si estaba leyendo mal el esquema. He revisado componentes, probado diferentes operacionales, transistores, he comprobado diodos y con el tester la continuidad de las pistas y observado que no se toque donde no debe (de hecho la placa es bastante grande y se ven bastante bien las pistas como para cometer un fallo) pero claro nunca se sabe. Entonces ahora estoy en la duda de si toda la información que he usado es correcta, si el layout está bien.
¿podría alguien mirar si el layout y el esquema coinciden? Es por saber si el el layout está mal o si soy yo el que he cometido algún fallo. Si me comenta alguien que el layout está conforme al esquema, que está correcto o que él lo construyó y le funcionó entonces no queda otra que el que ha fallado he sido yo. Me harían un gran favor.
Si no, la otra opción que he encontrado en la red ha sido esta:
http://www.plexilandia.cl/foro/viewtopic.php?p=85049
El chaval dice que a él le ha funcionado, así que he preparado el pcb, pero no estoy seguro 100% de si lo he hecho bien, sería éste.
Responder
Citar
