Otra cosa que me interesaria saber, hace poco construi un ampli con esta etapa, la verdad es que sonar sonaba, pero no entregaba mas de 4w, entonces hay algo que estaba haciendo mal.
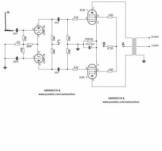
Es este el circuito:

Como transformador de salida utilice un trafo de red de 230v 115v 230v y un secundario a 8v aproximadamente, la alimentacion del circuito era de unos 270v o asi y en placa tenia unos 250v de cada anodo del push pull. Recuerdo que cuando daba volumen y metia un guitarrazo las lamparas metian como un relampagazo de luz, total, que ese montaje al final ahi quedo.
El tema es que hace poco me compre un transformador push pull de 10k de 15w y lo tengo aqui preparado para volver a repetir este proyecto.
Entonces cuando lo hice fui y le hice el ajuste del bias jugando con la resistencia de catodo, ya que era un bias variable para que circulase la corriente en relacion a los 250v o 270v de la fuente para un 60 o un 70% como se hace con cualquier ampificdor de valvulas cuando lo ajustas para sacar el maximo rendimiento.
¿cual crees que puede ser el fallo de este diseño para que no me funcionase correctamente alimentandolo a unos 260v aproximadamente, tuvo que ser haber usado ese transformador verdad y no uno como el que tengo ahora de 10k de 15w?
gracias.
-----------------------------------------
Por otro lado, tambien hice este diseño y me fue bastante mejor, es mas, si ahora este diseño vuelvo hacerlo seguro que ya podre afinar mejor el tiro que mas o menos voy teniendo mas claro lo de las curvas para single ended, unicamente me queda afinar el tiro con la G2, que es un tema que me interesa bastante y me hace dudar mucho.
seria para este caso este:
Es este el circuito:

Como transformador de salida utilice un trafo de red de 230v 115v 230v y un secundario a 8v aproximadamente, la alimentacion del circuito era de unos 270v o asi y en placa tenia unos 250v de cada anodo del push pull. Recuerdo que cuando daba volumen y metia un guitarrazo las lamparas metian como un relampagazo de luz, total, que ese montaje al final ahi quedo.
El tema es que hace poco me compre un transformador push pull de 10k de 15w y lo tengo aqui preparado para volver a repetir este proyecto.
Entonces cuando lo hice fui y le hice el ajuste del bias jugando con la resistencia de catodo, ya que era un bias variable para que circulase la corriente en relacion a los 250v o 270v de la fuente para un 60 o un 70% como se hace con cualquier ampificdor de valvulas cuando lo ajustas para sacar el maximo rendimiento.
¿cual crees que puede ser el fallo de este diseño para que no me funcionase correctamente alimentandolo a unos 260v aproximadamente, tuvo que ser haber usado ese transformador verdad y no uno como el que tengo ahora de 10k de 15w?
gracias.
-----------------------------------------
Por otro lado, tambien hice este diseño y me fue bastante mejor, es mas, si ahora este diseño vuelvo hacerlo seguro que ya podre afinar mejor el tiro que mas o menos voy teniendo mas claro lo de las curvas para single ended, unicamente me queda afinar el tiro con la G2, que es un tema que me interesa bastante y me hace dudar mucho.
seria para este caso este:
Responder
Citar
