DS1 MOD KEELEY+TONYGT
Bueno, estoy alucinando con esta modificacion, la verdad es que ahoramismo tengo que decir que este es el pedal que mas me gusta de todos los que tengo y he tenido, sencillamente es ALUCINANTE, me encanta y por eso quiero compartir con vosotros la modificacion que le he hecho a mi DS1, en un principio le hice la mod de keeley pero una vez hecha me quede totalmente alucinado con el sonidazo que sacaba, pero habian dos problemas:
1 - falta presencia de entrada, el sonido sale sin armonicos, la guitarra no chilla y cuesta horrores sacar armonicos.
2 - tambien he visto que el potenciometro de distorsion llega un momento en que lo pones a tope y se nos queda corto, no llega a distorsion high gain.
bueno, os voy a explicar como lo tengo yo hecho:
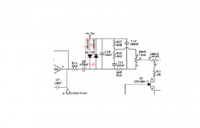
diodos:
D5- he puesto un led rojo (D4 no lo he tocado, clipin simetrico sin interruptor swith ni nada, es como mejor suena)
resistencias:
R13, he sustituido la resistencia por un jumpers, esto es lo que hace que tengamos un rango de saturacion bestial, mas que HIGH GAIN!!
R14, se puede poner 1k5 igual que en la mod keeley, yo lo tengo asi.
R39, se puede poner tranquilamente una resistencia de 18k o una de 22k, (keeley propone una de 20k exacta y es algo que no afecta al sonido)
condensadores:
C12, es correcto, no se cambia.
C14 tambien es correcto, no se cambia.
C-47PF en la mood keeley se pone haciendo un puente entre diodos, no aparece en el esquema ni nada y es un condensador que no hace nada, osea que tampoco se pone, no tiene sentido poner este condensador.
C1, ponemos un condensador de valor bajo, por ejemplo yo he puesto un 8,2nF, aqui esta la clave para sacar mas presencia y mas armonicos, el sonido del pedal sigue teniendo mucho cuerpo, lo unico que pasa es que recortando graves de entrada realzamos armonicos y presencia de entrada,
esto para hacer solos de guitarra y hacerla chillar va de lujo.
de momento no he hecho ningun video de como suena el pedal, a ver si mañana tengo un rato y subo un video, el resto de las modificaciones en los condensadores las he hecho tal y como propone la mod de keeley, que no hace falta poner dibujos ni nada de como hacerlo, la placa del ds1 viene enumerada con todos los componentes y se ve todo muy claro, hay que cambiar los siguientes condensadores y colocar los siguientes valores:
C3, C5,C11, C12, C13 - PONEMOS CINCO CONDENSADORES DE 100NF
C2, C8, C9 PONEMOS TRES CONDENSADORES DE 1uF
C7 CONDENSADOR CERAMICO DE 220PF
estos valores son los mismos de la mod de keeley, no cambian, como veis mi mod esta basada en la de keeley, pero yo he eliminado y he modificado algunos valores a fuerza de ir probando en busca del sonido que yo queria, un sonido que mantuviese graves y cuerpo sin perder agudos y con un control gain con mucha saturacion que, para bajar gain y quitar distorsion siempre esta uno a tiempo jeje
Os dejo el hilo original de la mod keeley:
https://www.guitarristas.info/foros/mod-keeley-boss-ds-1/166974
Bueno, estoy alucinando con esta modificacion, la verdad es que ahoramismo tengo que decir que este es el pedal que mas me gusta de todos los que tengo y he tenido, sencillamente es ALUCINANTE, me encanta y por eso quiero compartir con vosotros la modificacion que le he hecho a mi DS1, en un principio le hice la mod de keeley pero una vez hecha me quede totalmente alucinado con el sonidazo que sacaba, pero habian dos problemas:
1 - falta presencia de entrada, el sonido sale sin armonicos, la guitarra no chilla y cuesta horrores sacar armonicos.
2 - tambien he visto que el potenciometro de distorsion llega un momento en que lo pones a tope y se nos queda corto, no llega a distorsion high gain.
bueno, os voy a explicar como lo tengo yo hecho:
diodos:
D5- he puesto un led rojo (D4 no lo he tocado, clipin simetrico sin interruptor swith ni nada, es como mejor suena)
resistencias:
R13, he sustituido la resistencia por un jumpers, esto es lo que hace que tengamos un rango de saturacion bestial, mas que HIGH GAIN!!
R14, se puede poner 1k5 igual que en la mod keeley, yo lo tengo asi.
R39, se puede poner tranquilamente una resistencia de 18k o una de 22k, (keeley propone una de 20k exacta y es algo que no afecta al sonido)
condensadores:
C12, es correcto, no se cambia.
C14 tambien es correcto, no se cambia.
C-47PF en la mood keeley se pone haciendo un puente entre diodos, no aparece en el esquema ni nada y es un condensador que no hace nada, osea que tampoco se pone, no tiene sentido poner este condensador.
C1, ponemos un condensador de valor bajo, por ejemplo yo he puesto un 8,2nF, aqui esta la clave para sacar mas presencia y mas armonicos, el sonido del pedal sigue teniendo mucho cuerpo, lo unico que pasa es que recortando graves de entrada realzamos armonicos y presencia de entrada,
esto para hacer solos de guitarra y hacerla chillar va de lujo.
de momento no he hecho ningun video de como suena el pedal, a ver si mañana tengo un rato y subo un video, el resto de las modificaciones en los condensadores las he hecho tal y como propone la mod de keeley, que no hace falta poner dibujos ni nada de como hacerlo, la placa del ds1 viene enumerada con todos los componentes y se ve todo muy claro, hay que cambiar los siguientes condensadores y colocar los siguientes valores:
C3, C5,C11, C12, C13 - PONEMOS CINCO CONDENSADORES DE 100NF
C2, C8, C9 PONEMOS TRES CONDENSADORES DE 1uF
C7 CONDENSADOR CERAMICO DE 220PF
estos valores son los mismos de la mod de keeley, no cambian, como veis mi mod esta basada en la de keeley, pero yo he eliminado y he modificado algunos valores a fuerza de ir probando en busca del sonido que yo queria, un sonido que mantuviese graves y cuerpo sin perder agudos y con un control gain con mucha saturacion que, para bajar gain y quitar distorsion siempre esta uno a tiempo jeje

Os dejo el hilo original de la mod keeley:
https://www.guitarristas.info/foros/mod-keeley-boss-ds-1/166974
2
Responder
Citar

ya sabemos que los electroliticos se joden con el paso de muchos años, pero lo de c12 es de juzgado de guardia!!! te hace cambiarlo por uno de 100nf de poliester y el que viene instalado es eso, un 100nf de poliester jaja,