#415 No sé si llegaste a probarlo... tres años después me ha dado por comprobar el circuito y resulta que el master está justo antes del loop, y por esa razón no se puede controlar el volumen de efectos desde el ampli... voy a consultar a algun compañero electrónico si se puede modificar. De todas formas, alguien de por aquí sabe si cablear el master justo después del loop puede tener alguna consecuencia negativa? mi electrónica es bastante limitada, la verdad.
Comunidad Bugera
OFERTAS Ver todas
-
-20%IK Multimedia ToneX One Joe Satriani Ltd Ed.
-
-17%tc electronic JUNE-60 Chorus V2
-
-17%Harley Benton DNAfx GiT Mobile II
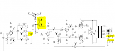
Poderse se puede, no es un cambio crítico, pero al estar el potenciómetro soldado a placa habría que hacer un poco de obra. Soltarlo de placa, sustituirlo por una resistencia de 1M a masa y cortar la pista que corresponda después del loop para insertar ahí el pote.
Y ahora te doy una solución más sencilla, un potenciómetro de 1M en una cajita de pedal en el return
Y ahora te doy una solución más sencilla, un potenciómetro de 1M en una cajita de pedal en el return
#878 pues sí, es mucho más simple... No obstante he decidido no hacerlo, ya que pensando en ello he caído en que el return, tal como está diseñado es un inserto directo a la etapa de potencia, por lo que la señal debería y al máximo de ganancia, entonces disponer el pote de volumen ahí no soluciona mi problema, que viene a ser una baja señal de entrada en el return...
Bicheando un poco he llegado a la conclusión de que se debe a que el loop no tiene buffer en el retorno, lo cual, hace que se pierda el empuje del preamplificador...
Alguien puede ratificar si estoy en lo cierto? Y en tal caso, sería posible elevar la señal de salida de la pedalera al return quizás con un buffer externo?
Bicheando un poco he llegado a la conclusión de que se debe a que el loop no tiene buffer en el retorno, lo cual, hace que se pierda el empuje del preamplificador...
Alguien puede ratificar si estoy en lo cierto? Y en tal caso, sería posible elevar la señal de salida de la pedalera al return quizás con un buffer externo?
Hola foreros. Viendo el éxito del compañero newarna con su G5 y que la falla de ambos amplis era muy similar, me he animado a desmontar el mío. A ver si los sabios de esta magnífica comunidad me aconsejan y llegamos a algo. Tengo que avisar que esta es mi primera vez con válvulas, aunque tengo experiencia montando pedales DIY. Por lo que me manejo en las habilidades básicas. Bueno después de desmontar el bicho así a primera vista esto es lo que me huele a chasmucado.
Creo que hay un par de resistencias chamuscada, la cercana al MOSFET y la que está junto al condensador gigante. Por otro lado veo una especie de resina como quemada en la soldadura del fet, no sé si esto es normal, es el flux de la soldadura o que está frito. Quiero sacar el circuito del chasis para mirarlo por debajo pero no sé muy bien qué pasos seguir sin romper algo. Supongo que habrá que sacar las válvulas, liberar los potes, led y todo lo del frontal y quitar las pestañas que van de los trafos a la placa( veo que algunas tienen la típica silicona blanca para que no se suelten) alguna cosa más que esté olvidando?? Por otro lado quiero decir que el ampli lleva más de medio año en la caja así que supongo que cero riesgo de acabar en el hospital jejeje. Qué opináis?? Saludos!
Creo que hay un par de resistencias chamuscada, la cercana al MOSFET y la que está junto al condensador gigante. Por otro lado veo una especie de resina como quemada en la soldadura del fet, no sé si esto es normal, es el flux de la soldadura o que está frito. Quiero sacar el circuito del chasis para mirarlo por debajo pero no sé muy bien qué pasos seguir sin romper algo. Supongo que habrá que sacar las válvulas, liberar los potes, led y todo lo del frontal y quitar las pestañas que van de los trafos a la placa( veo que algunas tienen la típica silicona blanca para que no se suelten) alguna cosa más que esté olvidando?? Por otro lado quiero decir que el ampli lleva más de medio año en la caja así que supongo que cero riesgo de acabar en el hospital jejeje. Qué opináis?? Saludos!
Hola,
He realizado un profundo análisis al Bugera G20 que detallo en este enlace con un vídeo de 24 minutos.
https://www.guitarristas.info/foros/video-analisis-cabezal-amplificador-bugera-g20-pantalla-marshall-4x12/312210#post2515060
Gracias
He realizado un profundo análisis al Bugera G20 que detallo en este enlace con un vídeo de 24 minutos.
https://www.guitarristas.info/foros/video-analisis-cabezal-amplificador-bugera-g20-pantalla-marshall-4x12/312210#post2515060
Gracias
Funcionaaaa!! Joder después de varios años apartado en el trastero vuelve a la vida! Gracias a todos por poner vuestro granito de sabiduría y en especial a newara. Makina es gracias a gente como tú y muchos otros que se prestan desinteresadamente a ayudar a los demás lo que hace que este foro sea más grande. Gracias! Aquí os dejo un fotito del bicho después de pasar por quirofano
▶
1 respuesta directa
Nuevo post
Regístrate o identifícate para poder postear en este hilo

