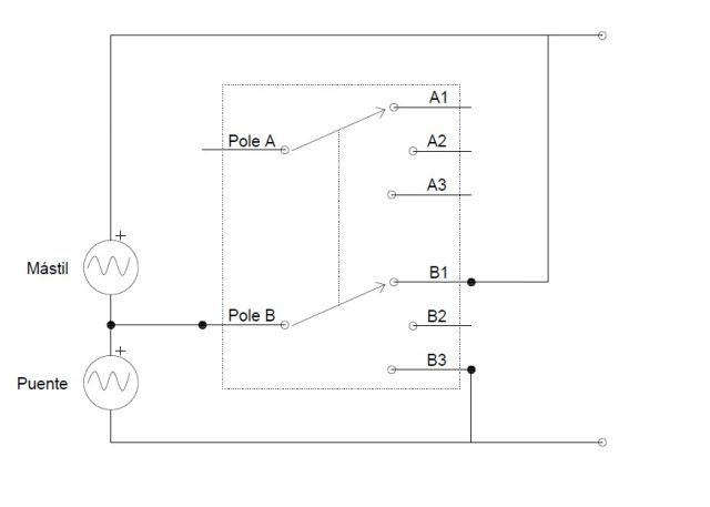
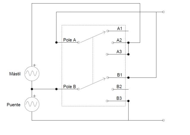
Tariu escribió:En ese esquema así como lo pones sí funcionaría...
No te puedes ni imaginar el alivio que me supone leer eso de tu parte. Estaba empezando a chinarme y a comerme la cabeza
.Tariu escribió:pero cuando se anula sobre vivo el tono natural de la pastilla se modifica...
Estas cosas son lo que la práctica aporta y a mí se me escapa. Rizando en rizo: ¿podríamos utilizar la otra mitad del selector para solventar esto? Voy a darle una vuelta y lo dejamos NIQUELADO.
Responder
Citar

luego por la noche lo miro a ver si llegamos ya a algo



