Montaje marshall lead mosfet 12 - 3005 en formato pedal

toni diaz
por el 27/12/2019
#96 claro te entiendo, en este caso al ser de doble canal es un poco más complejo, hay que actuar sobre la parte común y sobre las partes individuales.
Se podría estudiar un control de presencia con una resistencia variable interna para buscar el equilibrio perfecto y dejarlo dentro para no variar la estetica
1 respuesta directa
OFERTAS EN TIENDAS Ver todas
  • -11%
    Harley Benton Agufish STD Signature BK
    399 €
    Ver oferta
  • -16%
    NUX NGS-6 Amp Academy
    159 €
    Ver oferta
  • -59%
    Hughes & Kettner Spirit AmpMan Classic
    145 €
    Ver oferta
SEGUNDA MANO EN MERCASONIC Ver todo
  • Guitarra Ibanez GRG131DX-BKF + ampli Line 6 Spider V 20 MkII + accesorios
    340 €
    Ver
  • Martin Guitars D-10E Dreadnought
    1.000 €
    Ver
  • PRS S2 USA Standar 24 Frets
    1.125 €
    Ver
¿Tienes equipo que ya no usas? Véndelo en Mercasonic
Tonyguitar
por el 27/12/2019
dazz escribió:

Este era el Lead 12 que hicimos la pcb, no? El divisor ese de tensión ya está en la pcb para poder usar fuente simple. A parte del divisor hacen falta los condensadores para luego eliminar la continua que añadimos con el divisor


Ahhhh, es verdad, no me acordaba.

Tengo una pcb de este que me enviaste, a ver si me monto uno.

Lo malo es lo del elevador de voltaje, un trafo pequeño de 230v a 30v iría genial, un lineal.
Tonyguitar
por el 27/12/2019
dazz escribió:

Este era el Lead 12 que hicimos la pcb, no? El divisor ese de tensión ya está en la pcb para poder usar fuente simple. A parte del divisor hacen falta los condensadores para luego eliminar la continua que añadimos con el divisor


Ahhhh, es verdad, no me acordaba.

Tengo una pcb de este que me enviaste, a ver si me monto uno.

Lo malo es lo del elevador de voltaje, un trafo pequeño de 230v a 30v iría genial, un lineal.
toni diaz escribió:
Un Jensen de 10" de los muchos que se venden en el foro tirados de precio


Yo estoy detrás de uno y no lo pillo.
Paint
por el 28/12/2019
#97 a ver si puedo desarmar el amplificador poeque estos dias festivos estoy mas liado, y os cuento lo que me dijisteis del condensador, gracias ;)
marc-caster
por el 29/03/2020
Alguien pudo hacer la dicha modificacion en un Marshall reverb 75? Que tal el cambio, suena menos embarrado? Me gustaria aprovechar la cuarentena para hacerla, un saludo!
marc-caster
por el 29/03/2020
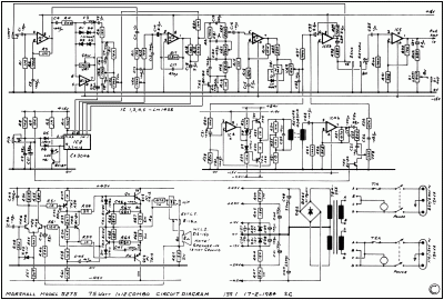
Dejo el esquema por si alguien me ayuda a identificar el condensador que hay que desoldar
Archivos adjuntos ( para descargar)
5275.gif
Guilherme Soares
por el 02/08/2020
Lo hice basándome en el diagrama original pero no satura correctamente, en clean suena super pero cuando poco todo el camino apenas y logra saturar y tengo que subir todo el volumen, qué crees que pueda ser?
Tonyguitar
por el 06/08/2020
Algun error del montaje supongo.
Tonyguitar
por el 06/08/2020
#12 ese ampli de mosfet no tiene nada, deberia llamarse marshall lead darlinton.
2 respuestas directas
Paint
por el 06/08/2020
#105 entro al foro despues de tiempo y de casualidad me encuentro esto.... Madre mia tony... Solo sabes que intentar crear polémica?

Como funciona esto?? Me pides ayuda doy todo sin nada a cambio incluso desmontando ampli, haces el ampli, no te gusta y faltas al respeto, luego te disculpas publicamente en el foro (y borras y todo comentarios para que no se sepan tus faltas de respeto), pero a la vez subes videos a tu canal de youtube criticando faltando al respeto (repito, solo por tener una opinion diferente de algo que encima te he dado sin nada a cambio y porque no has montado bien un ampli y no te suena igual)

Y despues de ver como ignoramos esa hipocresía varios foreros, coges y vuelves a intentar crear mal rollo respondiendo a un post de hace un año para que volvamos a entrar al trapo?

Creeme que intento comprender por que haces esto, pero no le encuentro lógica ninguna 🤷 esto esta para ayudarnos, no para crear dramas

Si a ti te hace feliz crear polémicas pues adelante pero no cuentes con que yo te responderé ni entrare a ello, lo que hare será dejar de seguir los hilos para no tener nada que ver.

Lo malo de esto es que luego otros foreros al ser contenido libre, pueden entrar y se llevan malas experiencias porque el ampli o pedal no suena como se prometía o tienen que leer estos dramas encima.

Creeme que esto no lo hago de forma personal ni quiero crear polémica ninguns pero hay cosas que no se pueden tolerar y veo que continuas con las mismas. espero que sirva para dar a conocer tu cara real, como por ejemplo cuando intentabas colocar j201 falsos a personas que con toda la buena fe del mundo te pedian ayuda al tenerte como un forero a seguir 🤦

Esto esta para ayudarnos unos a otros y gracias al foro he aprendido muchisimo pero por culpa de esta búsqueda de polemica absurdas y la fama, se estropea.
Odio haber tenido que llegar a este punto de responderte la verdad en publico porque odio estas cosas, pero es que veo que sino mañana sera otra historia u otro forero y no paras nunca.
Tonyguitar
por el 06/08/2020
Hubiese preferido que los moderadores borrasen este mensaje, y no por nada, si tenias alguna diferencia conmigo la podriamos haber hablado hombre y no venir a un hilo haciendo offtopic, no entiendo tu actitud.

Bueno, voy a intentar contestar a las cosas que me dices:

La primera:

"Paint" escribió:
Me pides ayuda doy todo sin nada a cambio incluso desmontando ampli,

haces el ampli, no te gusta y faltas al respeto, luego te disculpas publicamente en

el foro


Tengo mis dudas sobre quien ha faltado al respeto a quien, por otro lado, pedir perdon
cuando uno cree haberse equivocado no es malo.

Y sobre lo de pedir ayuda sin dar nada a cambio es de traca, soy yo el que te ha ayudado
muchas veces sin esperar nada a cambio, cito algunas de ellas:

"Paint" escribió:
#15 muchas gracias Tony!! Luego paso los esquemas a ver qué se puede

hacer aunque hay algunos que no los encuentro por ninguna parte como el del 5100.

No sé si con fotos de la placa se podría saber eso 🤔 xk si es así lo desmonto y hago

foto.


"Paint" escribió:
#13 lo hice Tony y menudo cambio, gracias por la ayuda! El ampli ha

ganado en definición armónicos, dinámica! Brutales estos amplis la verdad! Por lo

que tengo k buscarselos a todos los demás MOSFET que tengo jaja


"Paint" escribió:
#11 muchas gracias Tony!!!! Ahora desueldo el condensador o parto una

pata para probar 😉




------------------------------

"Paint" escribió:
#105 entro al foro despues de tiempo y de casualidad me encuentro

esto.... Madre mia tony... Solo sabes que intentar crear polémica?

Amigo paint, siento mucho que pienses de esa forma, no era esa mi intencion ni mucho

menos, solamente he entrado en este hilo y he visto ese mensaje que, yo en su dia no

me di cuenta por que no lo sabia y ahora que estoy estudiando sobre el tema he

podido ver que son transistores darlinton, es solamente eso, te pido disculpas si

piensas que lo hice con mala intencion, yo no tengo nada contra ti, siempre me has parecido
un tio bastante majo.





"Paint" escribió:
Y despues de ver como ignoramos esa hipocresía varios foreros, coges

y vuelves a intentar crear mal rollo respondiendo a un post de hace un año para que

volvamos a entrar al trapo?


¿a que te refieres exactamente, podrias demostrarlo? quizas asi nos divertimos todo

el foro y creamos un hilo "marshall lead mosfet salsa rosa telecinco"
¿no? ¿y lleno de offtopic, asi nos cargamos este hilo, no?



"Paint" escribió:
Creeme que intento comprender por que haces esto, pero no le

encuentro lógica ninguna 🤷 esto esta para ayudarnos, no para crear dramas


Si, en eso estoy deacuerdo, te creo por que no le veo ninguna logica a eso que tu

estas diciendo que yo hago segun tu opinion claro, y efectivamente el foro esta para ayudarnos, no para crear polemica
como es en este caso.

"Paint" escribió:
Si a ti te hace feliz crear polémicas pues adelante pero no cuentes

con que yo te responderé ni entrare a ello, lo que hare será dejar de seguir los

hilos para no tener nada que ver.


A mi no me hace feliz crear polemicas, mira mis hilos y veras que me dedico
a cacharrear con la electronica y aprender y ayudar a la peña.
me sorprende que tu mismo me digas algo asi como:
No cuentes con que yo respondere ni entrare a ello, por que justamente has hecho
todo lo contrario, si quieres predicar, predica con el ejemplo.



"Paint" escribió:
Lo malo de esto es que luego otros foreros al ser contenido libre,

pueden entrar y se llevan malas experiencias porque el ampli o pedal no suena como

se prometía o tienen que leer estos dramas encima.


A veces internet y los foros estan llenos de informacion contradictoria donde cada uno dice lo que cree,
o lo que le interesa decir y eso es una putada, estoy deacuerdo contigo.


Paint escribió:
Creeme que esto no lo hago de forma personal ni quiero crear polémica

Si, venga ya!!!


Paint escribió:
no se pueden tolerar y veo que continuas con las mismas. espero que sirva para dar a conocer tu cara real


¿que continuo con las mismas de que, a que te refieres, otra vez al mensaje del
marshall mosfet que lleva transistores darlinton? es cierto, no lleva mosfet, lleva darlinton.

¿mi cara real? A veces cuando uno intenta ridiculizar o dejar mal a otra persona
con toda la maldad y el odio que lleva dentro acumulado, consigue el efecto contrario, quedando retratado uno mismo.

Paint escribió:
como por ejemplo cuando intentabas colocar j201 falsos a personas que con toda la buena fe del mundo te pedian ayuda al tenerte como un forero a seguir


Cuidado con lo que dices amigo, eso es una acusacion muy grave, totalmente falsa y
no precisamente con buenas intenciones, tengo varios hilos y videos colgados en
internet que son una campaña para identificar componentes falsos, y la de los j201
fue la primera, precisamente por que me dolio mucho descubrir que me estaban engañando, entonces no tiene ni pies ni cabeza hacer una cosa cuando justamente
estoy luchando por todo lo contrario.

¿tu puedes demostrar eso? ¿puedes traer aqui a este hilo a aquellas personas que he intentado yo engañar?


Paint escribió:
Esto esta para ayudarnos unos a otros y gracias al foro he aprendido muchisimo pero por culpa de esta búsqueda de polemica absurdas y la fama, se estropea.


¿fama? ¿lo dices por mi? No amigo, lo siento, yo no vivo de eso.


Paint escribió:
Odio haber tenido que llegar a este punto de responderte la verdad en publico porque odio estas cosas


Si claro, seguro, y vas y haces lo contrario.

Paint escribió:
pero es que veo que sino mañana sera otra historia u otro forero y no paras nunca.


¿si, no, que yo vengo aqui al foro a crear polemicas, y a pelearme con toda la peña? Ahi estan mis hilos y que los foreros que me leen, juzguen.

por mi parte Paint si quieres aclarar algo o te he molestado alguna vez en alguna cosa, no tengo ningun inconveniente en discuparme, pero creo que
no has elegido la mejor forma de hacerlo, en un hilo sobre un pedal marshall como te he dicho antes.

un saludo compañero, por mi parte sin reencores, si quieres que hablemos en privado o algo, aqui estoy para lo que necesites, yo te he dicho lo que tenia que decirte. :brindis:
Slater
por el 07/08/2020
#105

Para no ser MOSFET bien que lo tienes puesto en una pagina de ventas con la palabra MOSFET bien remarcado. Pero aquí en el foro das a entender que no lo es...

Ya que dices que cuando te acusan de algo quieres pruebas, ¿me das permiso para subir capturas del anuncio?
1 respuesta directa
Nuevo post

Regístrate o para poder postear en este hilo