Montaje marshall lead mosfet 12 - 3005 en formato pedal

dazz
por el 27/12/2019
TonyGT-Ibiza escribió:
No podríamos alimentar el circuito por ejemplo a 30v y usar dos resistencias de 1k en serie con la alimentación para sacar un punto intermedio a masa?


Este era el Lead 12 que hicimos la pcb, no? El divisor ese de tensión ya está en la pcb para poder usar fuente simple. A parte del divisor hacen falta los condensadores para luego eliminar la continua que añadimos con el divisor
2 respuestas directas
OFERTAS EN TIENDAS Ver todas
  • -11%
    Harley Benton Agufish STD Signature BK
    399 €
    Ver oferta
  • -16%
    NUX NGS-6 Amp Academy
    159 €
    Ver oferta
  • -59%
    Hughes & Kettner Spirit AmpMan Classic
    145 €
    Ver oferta
SEGUNDA MANO EN MERCASONIC Ver todo
  • Guitarra Ibanez GRG131DX-BKF + ampli Line 6 Spider V 20 MkII + accesorios
    340 €
    Ver
  • Martin Guitars D-10E Dreadnought
    1.000 €
    Ver
  • PRS S2 USA Standar 24 Frets
    1.125 €
    Ver
¿Tienes equipo que ya no usas? Véndelo en Mercasonic
Paint
por el 27/12/2019
#82 muchisimas gracias dazz!! pues ni idea de que era el mismo esquema la verdad jajaj

pruebo entonces a quitar c32?
Paint
por el 27/12/2019
#83 no entiendo a lo que te refierres con lo de bajar el volumen o lo del sangrado de agudos...

el problema de estos amplis es que si tuviesemos un eq es como si las frecuencias mas altas 3khz-4khz estuviesen bajadas al minimo y hace bola todo el rato y no define como deberia. en los demas amplis que le quite el condensador, es cuando se comenzaron a asemejar tal cual a sus hermanos valvulares. es algo dificil de explicar pero es copmo si tuvieses una manta delante del ampli puesta
dazz
por el 27/12/2019
"dani" escribió:
pruebo entonces a quitar c32?


Prueba y nos comentas
toni diaz
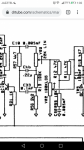
por el 27/12/2019
Si quitas C32 eliminas la referencia a masa de ese paso de señal, lo correcto sería cortocircuitar el condensador para que R55 siguiera haciendo su función.
Si te fijas R55 junto con R12 son un divisor de tensión desde el tonestack del canal normal
Archivos adjuntos ( para descargar)
Screenshot_20191227-010246.png
2 respuestas directas
toni diaz
por el 27/12/2019
El sangrado de agudos o treble bleed es un condensador de pequeña capacidad colocado entre las patillas 1 y 2 del potenciómetro de volumen y su función es recuperar los agudos que se pierden normalmente al tener el volumen bajo https://images.app.goo.gl/eqYtsdoWM1uEBRf89
Archivos adjuntos ( para descargar)
📄 descarga.svg
Inicia sesión para descargar
1 respuesta directa
Paint
por el 27/12/2019
#89 entiendo gracias toni!!
Paint
por el 27/12/2019
#90 vale ya te entendi jaja como el de los circuitos de la guitarra! Es que esto da igual que este bajo o algo, suena embarrado siempre... De hecho el ampli lo uso a buen volumen siempre jaja

Muchas graciqs por la explicación
toni diaz
por el 27/12/2019
La mayoría de las veces la culpa es del altavoz, es el elemento más determinante en el tono de un amplificador. Un Jensen de 10" de los muchos que se venden en el foro tirados de precio con su típica eq en V hace milagros en amplis apagados
2 respuestas directas
dazz
por el 27/12/2019
#89 No me había fijado en eso, gracias
toni diaz
por el 27/12/2019
Gracias a todos ustedes, yo aprendo todos los días el doble de lo que pueda aportar
Paint
por el 27/12/2019
#93 es que no es que sea apagado como tal, es mas bien que el ampli viene capado de presencia no se explicarlo, lo mejor es probarlo y ponerlo cara a cara cok su equivalente valvular. Ahi es donde se aprecia que no define como deberia y es por eso 🤔.

Si quitase el celestion perderia ese tono marshall. En los otros amplis al quitar el condensador el tono no cambio nada, solo aporto presencia y definición y con los celestion greenback o g12-65 son con los que mejor se llevan

Es tal cual lo mismo que le sucede al pedal shredmaster de marshall.... Supongo que en esa epoca hacian eso adrede... El motivo no lo se pero pierde toda la definicion
1 respuesta directa
Nuevo post

Regístrate o para poder postear en este hilo