#72 lo tengo desmontado, pero estoy de vacaciones. Sería cortar una pata de uno de los condensadores que dijo dazz no?
Montaje marshall lead mosfet 12 - 3005 en formato pedal
OFERTAS Ver todas
-
-15%Hughes&Kettner TubeMeister Deluxe 40
-
-11%Ibanez AE340FMH-MHS
-
-27%Blackstar HT-5RH MKIII
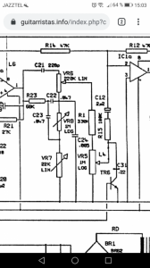
Pero el c12 no va a masa, es un condensador intermedio entre el tonestack y la siguiente fase del preamplificador IC1a. Al eliminarlo dejaría sin sonido el amplificador.
Todavía no tienes el aparato, cuando lo tengas pruébalo, ecualiza a tu gusto y entonces decide si te gusta o no, y ya vemos posibles parches.
Recuerda el dicho ruso: "si no está roto, no lo arregles"
Todavía no tienes el aparato, cuando lo tengas pruébalo, ecualiza a tu gusto y entonces decide si te gusta o no, y ya vemos posibles parches.
Recuerda el dicho ruso: "si no está roto, no lo arregles"
Reactivo el hilo... Después de probar mas y mas mosfet de la epoca todos tienen el mismo "problema" por llamarlo de alguna forma y es algun condensador que filtra la presencia y agudos como en los anteriores post que se eliminaron.
Mi duda es, por que si en todos los amplis mosfet se presenta exactamente el mismo problema, en unos es simplemente sustituir un condensador y en otros no se puede??
Estoy intentando encontrarlo en un lead 12, un reverb 12 y un mosfet 5100 pero soy incapaz
De todas formas en los amplis que lo pude hacer, todos llevaban control de presencis, quizas tenga algo que ver 🤔
En cuanto al marshall 5100 que si que tiene control de presencia, alguno teneis el esquema? Es que soy incapaz de encontrarlo por internet para averiguar que condensador quitar.
Gracias por toda la ayuda recibido hast ahora y espero k a otros propietarios de estos pedazo de amplis les sirva!
Mi duda es, por que si en todos los amplis mosfet se presenta exactamente el mismo problema, en unos es simplemente sustituir un condensador y en otros no se puede??
Estoy intentando encontrarlo en un lead 12, un reverb 12 y un mosfet 5100 pero soy incapaz
De todas formas en los amplis que lo pude hacer, todos llevaban control de presencis, quizas tenga algo que ver 🤔
En cuanto al marshall 5100 que si que tiene control de presencia, alguno teneis el esquema? Es que soy incapaz de encontrarlo por internet para averiguar que condensador quitar.
Gracias por toda la ayuda recibido hast ahora y espero k a otros propietarios de estos pedazo de amplis les sirva!
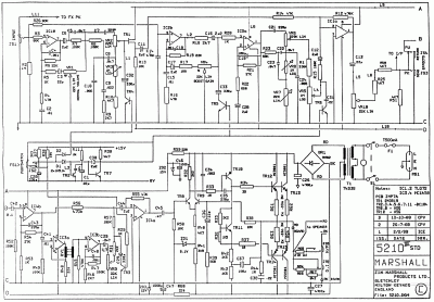
#81 Aquí hay una recopilación cojonuda de esquematicos Marshall. https://drtube.com/en/library/schematics/69-marshall-schemas
Pone que el 5100 es la versión combo del 3310 y este es es preamp
https://drtube.com/schematics/marshall/3310pre.gif
Creo que C32 sería el mejor candidato aquí
Pone que el 5100 es la versión combo del 3310 y este es es preamp
https://drtube.com/schematics/marshall/3310pre.gif
Creo que C32 sería el mejor candidato aquí
Se pueden hacer algunas cosas, como bien dice Dazz el C32 de 5 nF lo puedes puentear, pero entonces bajará mucho el volumen en ese punto, tendrías que subir R55 a 100k aprox.
Otra cosa que puedes hacer es colocar un condensador de sangrado de agudos en el potenciómetro de volumen para compensar a bajo nivel.
Otra, este ampli tiene un tonestack con los graves y medios fijo y regulas los agudos pero el condensador de paso alto (C10) y (c12) en el ts del canal OD. Es un poco grande, se podría cambiar por otro más pequeño, potenciando el recorrido del tono.
Se pueden hacer más modificaciones, pero cada vez nos alejariamos más del sonido Marshall
Otra cosa que puedes hacer es colocar un condensador de sangrado de agudos en el potenciómetro de volumen para compensar a bajo nivel.
Otra, este ampli tiene un tonestack con los graves y medios fijo y regulas los agudos pero el condensador de paso alto (C10) y (c12) en el ts del canal OD. Es un poco grande, se podría cambiar por otro más pequeño, potenciando el recorrido del tono.
Se pueden hacer más modificaciones, pero cada vez nos alejariamos más del sonido Marshall
Nuevo post
Regístrate o identifícate para poder postear en este hilo
