Hola compañeros, poco a poco iré subiendo y poniendo fotos y explicaciones de las mods (modificaciones) que estoy realizando a mi Harley Benton GA15.
Si, ya sé que voy con retraso y que la moda de modificar el GA15 y GA5 pasó, pero a mí mena dado ahora por ahí.
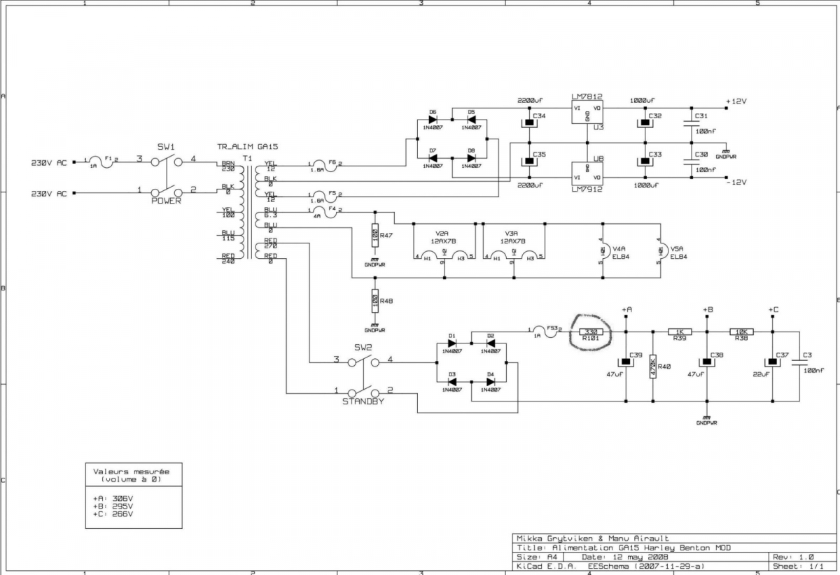
Empezaré por los esquemas originales:

Si, ya sé que voy con retraso y que la moda de modificar el GA15 y GA5 pasó, pero a mí mena dado ahora por ahí.

Empezaré por los esquemas originales:

Responder
Citar


