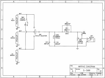
Este es el cableado para esta guitarra. ¿Para poder conectar las pastillas en serie y en paralelo qué podría hacer? ¿Se podría hacer con 3 interruptores on-off-on? Es que la electrónica no es mi fuerte...
X
Últimos días
Mi primera Stratocaster, la Zipy KZ1010
OFERTAS Ver todas
-
-11%Ibanez AE340FMH-MHS
-
-9%Harley Benton TE-20HH SBK w/Bag Bundle
-
-11%Ibanez RGR6BSP-IPT
Tras mucho buscar he encontrado este diagrama que permite cualquier combinación en serie y en paralelo sin importar que alguna pastilla este apagada. El esquema es una locura...
A ver si encuentro los switch para hacer esto...
También he decidido que los dos potes de tono van a ser para ecualizar graves y agudos. Lo veo más lógico hacerlo así. ¿Para qué quiero dos tonos si no?
Aquí está el link para los interesados: http://hermeticoguitar.blogspot.com.es/2013/10/wiring-diy-3-single-coils-in.html
A ver si encuentro los switch para hacer esto...
También he decidido que los dos potes de tono van a ser para ecualizar graves y agudos. Lo veo más lógico hacerlo así. ¿Para qué quiero dos tonos si no?
Aquí está el link para los interesados: http://hermeticoguitar.blogspot.com.es/2013/10/wiring-diy-3-single-coils-in.html
Me esta llevando tiempo pero algún día acabaré... Aquí os traigo algunos avances.
Para el acabado del mástil me he decantado por darle aceite de linaza y cera. Aquí ya lleva 2 manos de aceite que le da ese tono ámbar. Lo que me ha sorprendido es que este arce tiene como un flameado irregular y el aceite de linaza lo resalta muchísimo. Intentaré sacar fotos en las que se aprecie bien.
Para el acabado del mástil me he decantado por darle aceite de linaza y cera. Aquí ya lleva 2 manos de aceite que le da ese tono ámbar. Lo que me ha sorprendido es que este arce tiene como un flameado irregular y el aceite de linaza lo resalta muchísimo. Intentaré sacar fotos en las que se aprecie bien.
Los conmutadores 4PDT de 3 posiciones on/on/on que van a hacer la función de paralelo/off/serie para cada pastilla individualmente. Me ha costado conseguirlos, no los tienen en ningún lado (con ese patrón especifico de encendido). Gracias a un compañero del foro que me ha ayudado a encontrarlos.
La putada es que vienen sin rosca, con lo cual, ¿cómo los engancho al golpeador?
He estado pensando en mil maneras e inventos raros pero al final voy a jugármela y voy a usar una terraja para hacerles la rosca. A ver qué sale...
La putada es que vienen sin rosca, con lo cual, ¿cómo los engancho al golpeador?
He estado pensando en mil maneras e inventos raros pero al final voy a jugármela y voy a usar una terraja para hacerles la rosca. A ver qué sale...
Nuevo post
Regístrate o identifícate para poder postear en este hilo

Suerte con eso. Y ya me dirás como ha resultado...