Buenas a Todos.. el paciente es un Marshall JTM30 de varios años sin usar.
Al encenderlo luego de casi 10 años el canal limpio se escucha perfecto fuerte y claro.
Al Pasar al canal sucio se pierde casi la totalidad de volumen, se oye muy bajo y se escucha una especie de ruido rosa de fondo.. que va y viene constantemente y con intensidad variable...(similar al ruido que surge cuando giramos potenciometros sucios)..
No es hum, ni zumbidos, ni ruido electrico.
Antes de estar parado, el Ampli se usó moderadamente.
Las Lámparas están casi nuevas por lo cual casi descarto que sea problema de válvulas.
Las mismas encienden sus filamentos correctamente, igual que el 1er. dia. Se ven translúcidas y sin polvo blanco.
Leí que los Amplis valvulares cuando pasaban muchos años sin uso, sus capacitores electrolíticos se desinflaban, cristalizaban, (no recuerdo el término correcto) y perdían capacitancia volviendose inútiles, y requerían ser reemplazados.
También leí que particularmente este JTM30 tenía problemas de recalentamiento por falta de disipación del calor que emana de las dos lamparas grandes que están colocadas justo debajo de unos orificios que dan a la Plaqueta electrónica.
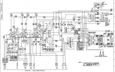
He descargado el diagrama del Ampli con todas sus partes. Etapa1.jpg es el PCB del Power amp y etapa2.jpg es el del Pre amp.
Me gustaría saber si alguien tuvo experiencias similares con en este ampli, o problemas similares en otros amps valvulares y si alguien puede orientarme para descubrir que sector o parte debo reemplazar.
Desde ya muchas gracias y saludos a la comunidad.
Al encenderlo luego de casi 10 años el canal limpio se escucha perfecto fuerte y claro.
Al Pasar al canal sucio se pierde casi la totalidad de volumen, se oye muy bajo y se escucha una especie de ruido rosa de fondo.. que va y viene constantemente y con intensidad variable...(similar al ruido que surge cuando giramos potenciometros sucios)..
No es hum, ni zumbidos, ni ruido electrico.
Antes de estar parado, el Ampli se usó moderadamente.
Las Lámparas están casi nuevas por lo cual casi descarto que sea problema de válvulas.
Las mismas encienden sus filamentos correctamente, igual que el 1er. dia. Se ven translúcidas y sin polvo blanco.
Leí que los Amplis valvulares cuando pasaban muchos años sin uso, sus capacitores electrolíticos se desinflaban, cristalizaban, (no recuerdo el término correcto) y perdían capacitancia volviendose inútiles, y requerían ser reemplazados.
También leí que particularmente este JTM30 tenía problemas de recalentamiento por falta de disipación del calor que emana de las dos lamparas grandes que están colocadas justo debajo de unos orificios que dan a la Plaqueta electrónica.
He descargado el diagrama del Ampli con todas sus partes. Etapa1.jpg es el PCB del Power amp y etapa2.jpg es el del Pre amp.
Me gustaría saber si alguien tuvo experiencias similares con en este ampli, o problemas similares en otros amps valvulares y si alguien puede orientarme para descubrir que sector o parte debo reemplazar.
Desde ya muchas gracias y saludos a la comunidad.
Responder
Citar
