Lio con las conexiones y los ohmnios

  • 2
33DD
por el 11/08/2015
#11

porqué entonces marshall recomienda enchufar la 4x10 de 8ohm a la salida de 16?
OFERTAS EN TIENDAS Ver todas
  • -19%
    Harley Benton Amarok-BT EGNT Quilted Burst
    444 €
    Ver oferta
  • -26%
    Harley Benton Nashville Nylon Natural
    222 €
    Ver oferta
  • -33%
    Thomann Artist Guitarlele ACA
    249 €
    Ver oferta
SEGUNDA MANO EN MERCASONIC Ver todo
  • Fender Stratocaster American Standard ‘07
    1.300 €
    Ver
  • Guitarra concierto Manuel Rodríguez tesoro de guinea samba limba negra b
    880 €
    Ver
  • MXR microamp +
    95 €
    Ver
¿Tienes equipo que ya no usas? Véndelo en Mercasonic
despista2
por el 11/08/2015
#13
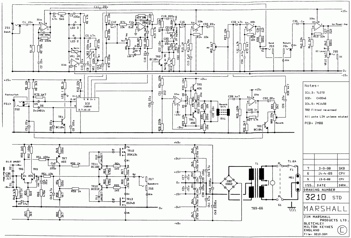
¿Dónde lo dice? ¿Y dónde ves la salida de 16? Yo sólo veo una salida de 4-16Ω con dos conectores en paralelo, JS6 y JS7.
e1f4aeb26245949bb7ebefd4ee794-2003422.gif
1 respuesta directa
Tokai
por el 11/08/2015
Yo respetaría las recomendaciones del fabricante. Hace no mucho hicimos la prueba con un altavoz V30 de 60W en un Valvestate de 100W y aun notamos de vez en cuando el olor a requemado que quedo.....
1 respuesta directa
33DD
por el 11/08/2015
#14

a ver...

estoy totalmente convencido de que tu explicación es la correcta, básicamente porque tiene sentido: ambas salidas aceptan entre 4 y 16 ohm y, siendo las pantallas recomendadas las 1965 de 8 ohm, con una sacas 50w y con dos, los 100

y enchufas donde te salga del pito

yo no me refería al esquema, si no a que marshall, en algún manual de usuario que ví en su momento, decía que usando una sola pantalla se conectase a la salida de, teóricamente, 16

entiendo que por quitarse líos de enmedio
despista2
por el 11/08/2015
Tokai escribió:
Yo respetaría las recomendaciones del fabricante

Ahí le has "dao". Bueno... Mas que las recomendaciones, las especificaciones. Las matemáticas dicen que, si a 4Ω la potencia es 100W, a 16Ω debe ser 25W. En realidad algo más, por la regulación de tensión por corriente; pero no tanto como para poner en peligro a un altavoz de 60W. Sin embargo he buscado las especificaciones del amplificador, y parece que la regulación por corriente debe ser muy importante, o que limitaban la potencia máxima a 4Ω para no fulminar los mosfet... El caso es que anuncian 100Wrms a 4Ω, 80Wrms a 8Ω y 50Wrms a 16Ω.
http://www.drtube.com/schematics/marshall/jcm800-sc-manual.pdf
El V30 tiene una potencia nominal de 60Wrms, y una potencia máxima de 100Wrms (supongo que esta última es la potencia instantanea a la que se volatiliza la bobina) así que 50Wrms no son una potencia demasiado preocupante, si bien es cierto que anda un poco justa... Lo ideal serían 100Wrms nominales o más, pero más bien por el tema de aprovechar bien la potencia sin que el altavoz llegue a saturar. De todas formas hay que tener en cuenta que estamos hablando de "usarlo en casa"; y 50Wrms en casa son como para pedir la eutanasia... y para que los vecinos te la practiquen gustosamente. El caso que comentas seguro que fue con un V30 de 8Ω, no de 16; y hay que contar con que el valvestate es de transistores BJT, no de mosfet. Los mosfet tienen unas características tonales que se aproximan a las válvulas, como por ejemplo el "soft clipping". Llegando al extremo, comprimen sin cuadrar la señal. Los transistores BJT cuadran la señal al hacer clipping, lo que supone aumentar mucho la potencia RMS. No se trata de "sonido" sino de "ruido atroz" que no es potencia aprovechable, pero que te puede quemar la bobina de un altavoz y ponerte en órbita el cono. En los amplificadores a transistores BJT, los fabricantes te suelen dar el dato de potencia nominal a un 10% de THD (Total Harmonic Distortion), que no es un valor aprovechable porque, con esos niveles de THD, el sonido es horrible; pero nada evita (si el fusible lo permite y tienes suficiente señal de entrada ) llegar a valores de potencia bastante más altos que los nominales haciendo clipping.
Paint
por el 12/08/2015
Muchas gracias por la explicacion sentencia2, aunque hay cosas que a tanto no llego jaja
la verdad si que se asemeja mucho la distorsion de los mosfet a la de un valvular por eso me gustan estos amplis
despista2
por el 12/08/2015
"dani" escribió:
Muchas gracias por la explicacion sentencia2

Ay Dios... ¿Cuantos años me han caído de condena? :cry:
Paint
por el 12/08/2015
Coño!! Perdona jajajaja me he liado el sueño puede conmigo ya jajaja perdona en serio encima de que nos lo explicas te sentencio jaja
Paint
por el 14/08/2015
al final leyendo el manual encontre que a 16Ohm aproximadamente saca 50 watts.
es totalmente manejable este cabezal de 100 watts a volumen de casa gracias al master con la pantalla 1x12 de 16Ohm
Nuevo post

Regístrate o para poder postear en este hilo