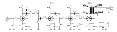
Os recomiendo que para hacer un buen layout repaséis bien los esquemas al hacer el nuevo. Advertencia!!!!!!!!
Esto no es un juego ni un kit de pedalito, el nixie puede suministrar corrientes de mas de 200v que según que casos puede ser mortal.
Así que mucho cuidado con meter las manazas sin tenerlo bien bien claro.
Esto no es un juego ni un kit de pedalito, el nixie puede suministrar corrientes de mas de 200v que según que casos puede ser mortal.
Así que mucho cuidado con meter las manazas sin tenerlo bien bien claro.
Responder
Citar
