Duda - Duplicar los potenciometros de un ampli

  • 1
Hash-Man
por el 28/11/2014
Hola a tod@s.
¿Es factible cambiar un potenciómetro en un amplificador, por ejemplo el Gain de un canal de Overdrive, por un potenciómetro doble para poder tener dos settings distintos en un mismo canal y conmutar entre ellos? ¿Se podría hacer con la sección de EQ de un canal y conmutar la sección de EQ completa o habría que conmutar cada potenciómetro de manera independiente? ¿Se podría hacer todo esto para que se pudiese controlar mediante un footswitch?
Un saludo.
OFERTAS EN TIENDAS Ver todas
  • -19%
    Harley Benton Amarok-BT EGNT Quilted Burst
    444 €
    Ver oferta
  • -26%
    Digitech 70th Anniv. Trio+ Band Creator
    198 €
    Ver oferta
  • -11%
    Epiphone 1960 Les Paul Special DC TVY
    939 €
    Ver oferta
SEGUNDA MANO EN MERCASONIC Ver todo
  • Bajo eléctrico hecho a mano de 5 cuerdas del luthier Jose Merlos. Incluye correa original Merlos.
    2.500 €
    Ver
  • Pedalera Rockcase by Warwick Autoalimentada
    90 €
    Ver
  • Guitarra acústica Cort Gold O6
    375 €
    Ver
¿Tienes equipo que ya no usas? Véndelo en Mercasonic
kabum
por el 28/11/2014
Dependiendo de lo complicado que lo quieras, pues se puede hacer una cosa u otra. Poner dos potenciómetros de gain es viable, habría que estudiar el circuito, pero es posible que con un simple dpdt se pueda.

Poner varias configuraciones de eq...ahí ya los elementos se empiezan a duplicar puede que ni siquiera tengas espacio por dentro. A las malas, existe una opción si sabes que una de las posiciones va a ser siempre "mayor" que la otra. La idea es básicamente poner un R paralelo al potenciómetro, conmutable, de forma que la resistencia efectiva cambie. Sin ver el circuito, no es fácil decir si esta opción es viable o no.
Hash-Man
por el 28/11/2014
Hola a tod@s.
En mi caso sería para hacerlo en un Marshall VS100R.
La idea no es el poner dos potenciómetros, sino sustituir el potenciómetro por uno doble como este:
[ Imagen externa no disponible ]
y poder conmutar la señal para que el ajuste sea uno u otro.
Investigando he logrado averiguar lo siguiente:
Controls:
Clean: VR1=Volume, VR2=Bass, VR3=Mid, VR4=Treble
OD1: VR5=Gain, VR6=Volume
OD2: VR7=Gain, VR8=Contour, VR9=Volume
OD1/2 shared tone stack: VR10=Bass, VR11=Mid, VR12=Treble
Adjunto el esquema del pampli.
Un saludo.
Archivos adjuntos ( para descargar)
📄 VS100R.pdf
Inicia sesión para ver este archivo
kabum
por el 30/11/2014
Pues mira, hay algunos que se pueden conmutar de forma "absoluta" (totalmente independientes) fácilmente con un DPDT:
VR1 no.
VR2 VR3 son inmediatos. VR4 no. VR6 tampoco VR5 se podría probar...no es que se vaya a romper el ampli, pero seguramente cambiará la respuesta del pote tanto con el switch en "on" como en "off".
VR7 también se puede. VR8 y VR9 no. VR12 y 11 tampoco. VR10 sí se puede.

Ya digo que esto sería en principio con la opción "bruta" de coger un DPDT (que es relativamente barato) y ponerlo para cada pareja de potenciómetros.

Por poder, se pueden conmutar todos...pero eso ya requiere cierta electrónica de control y se complica bastante el problema.
Hash-Man
por el 01/12/2014
Hola atod@s.
Muchas gracias por tus respuestas kabum.
Yo la idea que tengo en mente es como ya he comentado el sustituir los potenciómetros por unos dobles independientes. Primero había pensado en hacerlo solo con el Gain del canal de Overdrive (VR5) y conmutarlo con un SPDT on/on. Pero investigando creo que con un DPDT on/on se podría conmutar dos potenciómetros a la vez, por ejemplo Gain y Volumen del canal de Overdrive y con un 3DPT on/on hacerlo con tres. Lo que no tengo claro es si la conmutación sería mejor hacerla a la entrada o a la salida de los potenciómetros.
Un saludo.
Hash-Man
por el 04/12/2014
Hola a tod@s.
Finalmente dudo que pueda realizar lo que pretendo pues no logro encontrar los potenciómetros dobles independientes. Pero como soy así de cabezón sigo dándole vueltas a como realizarlo.
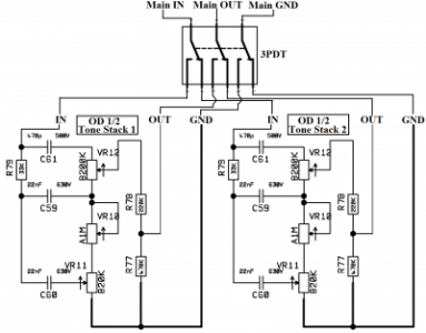
De momento lo único que he logrado es como duplicar el Tone Stack OD que comparten el canal de Overdrive y Distorsión. Hasta hoy no me había percatado que el Tone Stack OD es completamente independiente y que si consiguiese los potenciómetros dobles solo tendría que duplicar tres resistencias y tres condensadores que prácticamente van soldados a los mismos potenciómetros. Creo que la mejor manera de realizar la conmutación entre los dos sería mediante un 3PDT que conmute a la vez la Entrada, Salida y Tierra.
Adjunto imagen de como quedaría el esquema.
Archivos adjuntos ( para descargar)
Tone Stack OD 1_2 VS100 Duplicado.png
mahony
por el 11/12/2014
creo que te estas complicando un poco, para lograr tener dos setting de ganacia con un solo pot te basta, solo que este pot debe tener un SPST incorporado tipo Push/pull (meter y sacar) cuando lo halas cierra su contacto y cuando lo metes abre el contacto o vivceversa (AHORA NO ME ACUERDO) , y el pot sigue funcionando en cualquier condicion., ahora no tengo fotos de este pot, de forma que al pulsarlo (o halarlo) pongas una R en serie con el POT por donde la Sx entra a el y asi reducir la ganacia en todo el recorrido del pot , y cuando lo despulse (o pulses) se queda el Pot solo en el circuito y puedas obtner la ganacia maxima, Por ejemplo si quieres que la ganacia te disminuya la mitad y el Pot es de 1 M pones una R de 1M en serie (hay que probar porque los Pot de ganancia son logaritmicos ) y no es 1M exactamente lo que debes poner, pero en fin la idea es esa.
Hash-Man
por el 12/12/2014
Hola a tod@s.
mahony, lo que tu comentas no serviría para lo que yo pretendo conseguir. Yo en realidad lo que pretendo es duplicar el canal de un amplificador sin tener que duplicar el circuito completo de dicho canal, sino duplicando solamente los controles del canal para poder tener dos configuraciones (sonidos) distintas y poder conmutar entre ellas y además poder hacerlo desde un footswitch.
Lo que pretendo es más complicado de lo que llegué a pensar en un pricipio, jajaja. Creo que para hacerlo sería necesario realizar la conmutación mediante relés o ICs, lo que significa que casi sería más fácil duplicar por completo el circuito del canal, jajaja.
Lo que si me gustaría es que alguien me dijese si lo que planteo en el esquema anterior que puse es correcto o no, o si con un simple SPDT en la entrada del ToneStack sería suficiente.
mahony
por el 12/12/2014
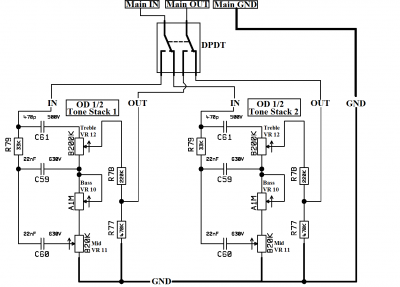
Disculpa no habia leido totalmente el post (tengo la mania de leer muy rapido y solo el principio) , entonces como planteas, sin duplicar nada y solo los Pots...si mediante un rele DPDT y conmutarlo desde un pedal, la GND no necesitas conmutarla solo la in y out, la tierra es comun para las dos condiciones. de seguro tendras algun PoP que debes eliminar, lo otro seria mediante LDRs-Leds que no te haran Pops pero te puede oscilar sino lo cuadras bien, prueba con el rele primero. El esquema esta bien si quitas la conmutacion de la tierra. (las tierras de ambos esquemas es la misma), la tierra del nuevo set de potenciometros la llevas al punto donde esta unidas todas las demas tierras, para que no haya oscilaciones ni hums. Si no tienes esquemas para conmutar el rele desde un pedal te lo puedo pasar, pero como no puedo adjuntar nada si deseas me pasas un privado para darte mi correo y despues si quieres lo subes a tu post. como desees.
Hash-Man
por el 13/12/2014
Hola a tod@s.
Gracias mahony por tu respuesta.
Ya suponía que no era necesario conmutar la GND pero como no estaba del todo seguro me dije, la conmuto también.
Adjunto imagen del circuito del Tone Stack duplicado con tu recomendación. Para la conmutación sigo manteniendo un DPDT estándar hasta que aclare que método definitivo emplear.
El caso es que duplicar el Tone Stack es relativamente sencillo porque simplemente se ha duplicado el circuito completo. Usando potenciómetros dobles lo que se duplica son tres resistencias y tres condensadores. Donde se complica la cosa es a la hora de querer duplicar los controles del canal en si. Por ejemplo el canal de distorsión donde duplicar Gain, Contour y Volumen sin duplicar el circuito del canal ya es más complicado. Porque supongo que sería necesario un DPDT que conmute entrada y salida para el potenciómetro doble del Gain, otro para el Contour y otro para el Volumen. Esta es la razón por la que pensé que lo mejor sería usar Relés DPDT, porque los tres relés se podrían controlar desde un solo conmutador.
Creo que todo esto puede resultar útil a alguien que esté diseñándose algún proyecto.
Archivos adjuntos ( para descargar)
Tone Stack OD 1_2 VS100 Duplicado 2.png
mahony
por el 15/12/2014
Hola.
Mira todo se pueden conmutar, lo otro seria ver la factibilidad de hacerlo me refiero al resto. el conmutador (rele o reles o lo que sea) tiene que tener tantos contactos como puntos no comunes tenga el circuito. para el primer ecualizador necesitas mas de un DPDT, porque hay dos conmutadores dentro de este esquema (SW1C y el SW1D), igual para el gain, contour y volumen, o sea son muchos contactos y cables que la choricera que se armaria seria tremenda, y me imagino tambien que los ruidos seran grandes. Yo no lo haria. trataria de hacerlo afuera con algun pedal de ecualizacion o de volumen, etc. probar en tone stack sera suficiente a ver que pasa.
Hash-Man
por el 15/12/2014
Hola a tod@s.
Gracias de nuevo mahony por tus comentarios.
Finalmente he desistido de hacerle nada al ampli. Ya las investigaciones que sigo realizando son por simple curiosidad y ganas de aprender. Además de que pueden ser útiles a alguien para algún futuro proyecto. Como ya dije antes lo que persigo es encontrar la mejor manera de poder duplicar los controles (dígase el canal de un amplificador, un pedal de overdrive o distorsión, etc) y poder conmutar entre ellos sin tener que duplicar el circuito completo (del canal de un ampli o un efecto) para conseguir un dos en uno.
Un Saludo.
Nuevo post

Regístrate o para poder postear en este hilo